abbrechen
Suchergebnisse werden angezeigt für 
Anzeigen  nur  | Stattdessen suchen nach 
Meintest du: 

Vitocal 200-a taktet trotz Reihenpufferspeicher

Liebe Community,

 

vergangenen September haben wir unser kernsaniertes EFH bezogen (KfW 100 EE, 120qm, FBH, ERR durch HomeMatic IP). Der Energieberater hat eine Heizlast von 5,4kW berechnet. Warmwasser wird ebenfalls von der Wärmepumpe aufbereitet. Unser Heizungsbauer hat uns eine Vitocal 200-A 201.a08 nach Anlagenschema 4802415_2102_05 Variante 1 eingebaut:

 

sebastianf_1-1673515173072.png

 

Leider hat der Verdichter in den knapp 4,5 Monaten bereits 2738 Starts bei 739 Betriebsstunden gesammelt (entspricht durchschnittlich 20 Starts/Tag mit durchschnittlicher Länge von 16min), weswegen ich mir mal eine Vitoconnect besorgt und die Daten aufgezeichnet habe. Hier aus den letzten drei Tagen:

 

sebastianf_0-1673515027904.png

 

Ein paar Punkte zur Info:

  1. Die Räume sind ausreichend warm. ERR-Ventile sind die meiste Zeit geschlossen. Ausnahme sind die Bäder mit Fliesen (sonst überall Vinyl): Hier bleiben wir dauerhaft auf unter 19°C bei eingestelltem Soll von 20°C.
  2. Die Heizkurve ist eingestellt auf 0,3 / 0K. Soll-RT ist 20°C. Die Soll-Vorlauftemperatur bei bspw. 10°C AT (was quasi die Dauertemperatur im Winter hierzulande ist) beträgt 28°C. Habe testweise auch mal alle Ventile der ERR geöffnet, um den Mindestvolumenstrom (lt. Datenblatt 700l/h) zu gewährleisten.  Der Takt dauert länger (ca. 1,5h), aber die Vorlauftemperatur ist immer um die 30°C, bis letztendlich die Ausschalthysterese bei +4K erreicht wird. Der Verdichter läuft dabei schon auf dem Minimum von 27%. Danach beginnt das Takten mit längeren Laufzeiten jedoch erneut. Die Sekundärpumpe hatte ich testweise auf 100% und auf 60% eingestellt  - macht keinen großen Unterschied in den Takten.
  3. Ich hatte mir mit iobroker testweise eine eigene Regelung gebaut, sodass der Heizmodus der Vitocal nur aktiviert wird, wenn die Temperaturdifferenz aller Räume in Summe über 5°C steigt; und deaktiviert wird, wenn sie wieder unter 3°C sinkt. Damit hab ich die nächtlichen Takte reduziert, aber das ist natürlich nicht die ideale Lösung: 
    sebastianf_2-1673515963722.png

     

Fragen:

  1. Ist die WP evtl. zu groß dimensioniert? In der Heizlast wurden mit hohen Temperaturen gerechnet (Bad = 24°C, Wohnzimmer/Büro = 22°C, restliche Räume/Flure mit 20°C). Wir laufen idR aber nicht im Tshirt zuhause rum, sodass wir im Bad=20°C, Wohnzimmer = 20°C, restliche Räume/Flure = 18,5°C eingestellt haben. Andererseits: Warmwasser scheint gut zu laufen.
  2. Bekommt man das Takten irgendwie mit der Regelung in den Griff, oder muss ich auf meinen Heizungsbauer zugehen und auf einen Umbau der Anlage pochen  - bspw. auf folgendes Anlagenschema in Verbindung mit einem "richtigen" Heizwasserpufferspeicher (z.B. Vitocell 100-E SVPA 400l):
    sebastianf_3-1673516232870.png

Hab mit Grafana auch mal einen Snapshot aus den letzten 5 Tagen erstellt: https://snapshots.raintank.io/dashboard/snapshot/yYlZ27KuDuyY8WUuilyySHSs9oxxvYWS 

 

Bitte um Hilfe!

 

Viele Grüße

Sebastian

 

35 ANTWORTEN 35

Alles klar, danke! Wir haben keine Weiche, sondern gehen (wie der Themenstarter) direkt in die FBH (aber ohne ERR), aber so viel anders ist das nicht. Ich habe inzwischen mal eine Regelung gebaut, die mit den 'Standardsensoren' der API läuft. Ich weiß inzwischen ziemlich genau bei welcher Außentemperatur ich wieviel VLT über 20h täglich in den Boden pumpen muß, um meine Soll-Raumtemperatur zu halten. Für unter 4°C funktioniert das mit der Heizkurve wunderbar, da moduliert sie exakt. Steigen die Außentemperaturen etwas, schafft Pumpe das nicht und die VLT steigt langsam wenn der Estrich durchgewärmt ist, aber ohne die Abschaltgrenze je zu erreichen. da wird's mir zu warm und hier habe ich dann eingegriffen und erzwinge nach einer (langen, mehrstündigen) Mindestlaufzeit eine Pause. Da wir die Einschaltgrenze auf -4K gesetzt haben, dauert das auch weit über eine, eher zwei Stunden, bevor die Pumpe wieder startet (Raumtemperatur fällt da um ca. 0.1-0.2K). Ich bin noch etwas am Optimieren, wie lange die Pause sein sollte (in Abhängigkeit, wie lange und um wieviel die SollVLT während des Heiztaktes überschritten wurde und kann die Pausenzeit durch temporäres minimales Absenken der SollTemperatur (und damit der Einschaltschwelle) bestimmen. Die 'Abkühlfunktion' des Bodens, also das Abklingen der RLT vom Haus kenne ich, kann also recht gut berechnen, wie lange die Pause sein wird. Wenn es draußen noch wärmer wird, dann erreicht die VLT die Abschaltgrenze, die lange Pause kommt 'von alleine' und durch diese -4K haben wir wenige, lange Takte, der Estrich kühlt ja dann (da VLT Soll niedriger wird) nochmal deutlich langsamer aus und braucht auch wieder länger um Aufzuheizen. Das passt dann wieder ohne Eingriffe, tendentiell ist es dann aber eher eine Spur zu kalt im Haus. Aber diese Differenzen sind am Ende nichts gegen die, wenn mal unverhofft die Sonne durch die Südfenster scheint.

 

Wir haben auch einen Raumsensor, in der App kann ich den sehen, aber ohne ERR komme ich in der API da nicht ran oder weiß nicht wie. Aber das ist Feintuning, ich denke, künstliche, feste Pausen machen das im Übergangsbereich auch schon mal viel besser.

Das ist Richtig.

Da ich eine hydr. Weiche, und somit dort auch einen Temperatursensor drinnen habe, kann die Regelung mit diesem optimal arbeiten. Ohne Weiche nimmt die Regelung die Temperatur des RL Sensor. Von der Regelung her somit Grundsätzlich in der Tat nicht viel anders……Der große Unterschied ist jedoch, das ich bei meiner Anlage eben die WP-Leistung genau zur Heizlast des Hauses umbauen habe lassen.

 

Somit bringt die WP genau immer nur jene Leistung ins Haus, die auch wirklich benötigt wird…..

 

Der zweite Unterschied, bei mir ist kein Überströmventil verbaut.

 

Nur so zwei weitere Gedanken:

Was ist, wenn zb. bei Dir die WP es nicht schafft, die komplette Wassermenge, und somit Energie in den Estrich zu bekommen, da VL und RL durch das Überströmventil sozusagen einen wenig kurzgeschlossen wird ? Dann wird ein Teil der Energie aus dem VL sofort in den RL umgeleitet, der Reihenpuffer ist sofort warm, der RL wird sofort warm, die WP schaltet ab…….Hast dir mittler Weile mal angesehen, ob dieses Ventil noch immer durchlässig ist, obwohl alle ERR offen sind ?

Wenn die ERR komplett offen sind, wird die Strömung durch die FBH nur durch im Heizkreisverteiler eingebaute Durchflussmengenregler eingestellt, bzw. begrenzt (hydr. Abgleich). Die jeweilige Durchflussmenge ist an Schaugläsern am HK Verteiler abzulesen……sind hier FBH Heizkreise dabei, wo die Durchflussmenge maximal hoch ist ?

 

lg

Guennie

 

Moin Guennie, wir haben zwar ein Überströmventil verbaut, aber das bleibt immer geschlossen (das springt nur an, wenn ich die Kreise manuell zudrehe). Im Normalfall haben wir 1100l/h (mit 60% SekPumpe) Durchfluß, da sind 5 von 12 Kreisen komplett offen (je 150l/h), 2 fast offen und 2 fast geschlossen (und 3 zu). Im jetzigen Temperaturbereich haben wir damit so 3-3.3K Spreizung, wenn sich alles eingeschwungen hat. Das passt soweit und ich denke auch nicht, daß die Pumpe deutlich zu groß ist. So ab ca. +3°C abwärts moduliert sie 'exakt' auf SollVLT, ist es etwas wärmer dann regelt sie sich konstant auf etwas oberhalb der SollVLT ein. Da baue ich dann die Pause ein.

Eine Frage: Kommst Du über die API an den Wert des Klimasensors ran oder hast Du einen eigenen, den Du abrufst?

Schönen Sonntag

 

 

 

Hallo,

ich habe mir trotz der hohen Kosten an der WP die KNX Schnittstelle nachgerüstet, und darüber kann ich nun jeden nur irgendwie erdenklichen parameter aus der WP Regelung auslesen, und die WP sozusagen von außen in echtzeit genau so Steuern, wie ich es aktuell benötige…..

 

lg

Guennie

....für diejenigen die denken, den Estrich als Wärmespeicher zu verwenden, ist nur Theorie, und funktioniert in der Realität nicht:

 

Anbei zwei tagesaktuelle Diagramme : ein Stockwerk mit FBH (Estrichspeicher) und ein Stockwerk mit Radiatoren und hydraulischer Weiche (somit ohne Estrichspeicherung)

 

ich denke der Unterschied ist eindeutig erkennbar.....😉

 

...und übrigens.....der 46L Reihenspeicher kann diese Funktionalität nicht bieten, bzw. die Taktung reduzieren, da dieser nur dazu da ist, eine Energiereserve für den Abtauprozess  zur Verfügung zu stellen.

 

lg

Guennie

Verhalten hydraulische Weiche.jpg
Verhalten Estrichspeicher.jpg

Deine Systemkonfiguration ist aus rein technischer Sicht sicherlich optimal.

Unterstellt man eine Raumtemperaturtoleranz von 0,5°C (z.B. 22,0°C -> 21.5°C die zumindest wir akzeptieren, da wir diese nicht bemerken), ergibt sich nach Deiner Messung selbst mit Radiatoren eine tolerierbare Heizpause von fast 3,5 h, mit FBH sogar ca. 7,5 h. Genau dieses Verhalten sehen bzw. spüren wir auch bei unserer Anlage. Mit durchschnittlichen Heizpausen von 3,5 h sparen wir uns den finanziellen Mehraufwand für Zusatzspeicher und deren Regelung. In der Mittagszeit überheizen wir den Estrich mit 24 °C Raumsoll für 3h infolge statistischem Überangebot aus der PV, ebenfalls ohne Zusatz HW und -Kosten.

Verdichterlaufzeit ca. 10h, Einschaltzyklen inkl. Abtauung und Warmwasser ca. 8 pro 24h.

Hallo Guennie,

 

ich bin durch Zufall auf diesen Beitrag gestoßen und habe 2 Fragen:

 

  1. der Energieberater berechnet die Heizlast das Hauses, ist dann nicht noch die nötige Energie der WW Bereitung  aufzuschlagen ?
  2. weshalb rechnet man mit 80% der vom Energieberater gerechneten HL ?

 

PS:

Dein pdf habe ich mir durchgelesen, danke für das Bereitstellen. 

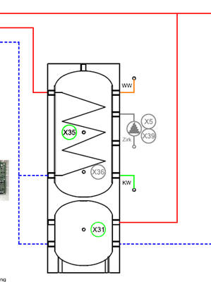
Es gibt noch die Variante eines getrennten Kombispeichers ohne FWM wie von Lamba eingesetzt. 300WW/HP100L

MBUser_0-1726689715327.png

 

Hallo,

 

Die fertig berechnete Heizlast besteht aus der Energie welche zur Beheizung benötigt wird + einem gewissen Aufschlag für die WW Bereitung.

 

Die Heizlast stellt den Maximalen Energiebedarf des Hauses (inkl. WW) bei der lokalen NAT (Norm Außentemperatur) dar. (zb. NAT von -12°C). 

Da es jedoch die meiste Zeit des Jahres nicht die NAT hat, sondern im Durchschnitt wesentlich, wärmer ist, und die NAT nur wenige Tage im Jahr tatsächlich erreicht wird, genügt es vollkommen wenn die WP auf nur 80% der Heizlast bei NAT ausgelegt wird. Die Wärmepumpen können im sogenannten Bivalenzbetrieb arbeiten, das bedeutet, dass sollte es doch mal so kalt werden, das die WP mit 100% ihrer Verdichterleistung die für die AT notwendige VL nicht mehr erreichen kann, dass dann entweder EL Heizregister zugeschalten werden, oder man spart sich diesen Strom, und nimmt in Kauf das es in diesen paar Tagen im Haus eine Spur kühler (bei Weitem nicht kalt) werden könnte……

 

Zur Verdeutlichung ein Beispiel von meiner Anlage - 3 Jahre in Betrieb:

Diese habe ich auf die 80% ausgelegt, und sogar zusätzlich noch etwas unterdimensioniert, da noch etwas WDVS an die Fassade kommt. Die Heizregister habe ich seit Anfang an gesperrt, und haben somit noch keine einzige Betriebsminute.

Die NAT ist bei meinem Standort lt. Energieausweis -14°C. Die Durchschnittliche Temperatur über die gesammte Heizperiode ist jedoch lt. meiner Datenaufzeichnunge ca. +5,6 °C. Das letzen Jahre hatten wir zwischendurch gerade mal ein paar Tage wo überhaupt mal noch minusgrade da waren, und hier war ein einziger Tag von -10°C schon die tiefste Temperatur. Also alles weit weg von der Heizlast bezogen auf die NAT.

 

Deshalb ist es viel genauer, wenn man zb. bisher eine Gasheizung oder Ölheizung hatte, und hier den durchschnittlichen Energieverbrauch der letzten Jahre kennt. Darüber lässt sich sehr genau und sehr einfach die tatsächliche Heizlast errechnen, und die liegt somit noch um einiges tiefer. Und bei meinem Haus bin ich sogar noch, wie gesagt etwas unter 80% dieser tatsächlichen Werte gegangen.

 

Die Anlage funktioniert auf diese Weise optimal, mit extrem wenigen Takten, und noch an keinem einzigen Tag ging es mal unter die Solltemperatur im Haus.

 

 

Bei einer WP ist es sehr schlecht, wenn diese zu leistungsstark ist, denn dann liefert die WP die meiste Zeit, bei kleinster mögliche Leistung (Modulation) noch immer mehr Energie ins Haus, als das Haus überhaupt benötigt……das Ergebnis ist dann sehr starkes Takten, hoher Verschleiß, kürzere Lebensdauer, und höher als notwendiger Energieverbrauch. Und zusätzlich den unnötig höheren Anschaffungskosten.

 

Korrekt, diese Speicher mit getrennten Zonen haben den großen Vorteil, das sich der WW Kreis und der HW Kreis nicht vermischen können, und somit die ganzen Probleme, welche diese Kombispeicher mit Friwa Modul machen nicht haben.

 

lg

Guennie

Hmm, ich gebe mal meinen Senf dazu.

 

@sebastian-f 

 

Größe der WP:  Wie sind eure zu erwartenden Temperaturen im Winter ?

 

Bayern hatte letztens -10 Grad, wir an der Küste +1 Grad. Genau dieses Delta Süd-Nord muss einkalkuliert werden. Aus meiner Sicht kann ein Heizungsbauer (oder wie ich ein DIY) den Heizbedarf am Alpenrand nicht identisch wie an der Küste planen. Die -10 Grad die ich letztens auf der Wetterkarte für Bayern sah, die habe ich max. an einem Tag im Winter.  Für die Bayern sind -10 Grad eher die Normalität im Winter. 

 

Speicher: Klotzen, nicht kleckern. 500er !

 

Den dann mit (etwas) höherer VL Temperatur und hoher WP-Hysterese fahren. FBH über Mischer versorgen. 

 

 

An der Heizkurve rum kurbeln, was du momentan machst, bringt nichts. 

 

Vitocal 200-S D09 - alles in DIY Montage, what else.

@Küstenpumpe ,

 

Klar muss die Heizlast zu den örtlichen Verhältnissen passen. Und genau dazu gäbe es ja eigentlich genau die NAT (Norm Außentemperatur), welche zum Standort passen sollte. Nur hier habe ich selber folgendes festgestellt:

 

Genau bei der Planung mit der NAT liegt auch bereits der erste "Hase im Pfeffer".

 

Bei meinem Standort müsste ich bei der Berechnung eine NAT von -14.6°C verwenden.

In der Realität hatte ich diese  -14,6°C seit Beginn meiner Aufzeichnungen im Oktober 2012 kein einziges mal mehr:

Das kälteste jemals gemessene war -11,5°C für 5 Stunden.

In der gesamten Messzeit überhaupt sind es gerade noch 7 "Spitzen" die für wenige Stunden überhaupt noch unter -5°C gegangen sind.

 

Das hat letztendlich folgende Auswirkung:

lt. Planung mit der NAT hätte ich einen Primärenergiebedarf von 11063kWh/J  --> Heizlast 4,6 kW

der Tatsächliche gemessenen Primärenergiebedarf ist jedoch 8350 kWh/J  --> Heizlast 3,4 kW

somit liegen hier die Werte bereits alleine durch die Verwendung der NAT ca. 25% von der Realität auseinander....

 

Wenn dann vom HB noch zusätzlich ein "Angstzuschlag" draufgepackt wird, (nächst größere WP u.s.w. ) kann man sich vorstellen warum so viele WP zu stark ausgelegt sind...... 

 

lg

Guennie

@Guennie 

 

Dieses "allgemeine" Delta an Heizlast wird um so größer, je größer die Bude ist und wenn sie dann nocht alten Isolierstandard hat. Momentan (!) um Null Grad rum ist unsere D09 perfekt  für unsere 250m2 dimensioniert, (mit den 5KW Abwärme vom BHKW im Rücken)  aber ab Frühjahr gibt es auch bei mir 100%ig Probleme mit dem Takten. Daher steht ein 500er Speicher schon auf der Agenda. 

Errichtet habe ich ja im November. 

 

Der 500er  Heizwasser-Speicher wird auf WW Temperatur (mit mehr Hysterese als aktuell)  gehalten, versorgt dann parallel den 300er bereits vh. reinen WW Speicher (6 Duscher im Haus...)  und unsere Heizkreise werden wir dann per Mischer und separater Zusatzpumpe aus dem Speicher fahren, denn ich vermute mal ich bekomme im Sommer den Durchfluss im Heizkreis nicht hin, den die WP haben will. Zu viele Heizkörper sind dann komplett Offline.  Im Winter sind ca. 22 Stück Online, im Sommer ca. nur 3 Handtuchhalter und 2x FBH. 

In der Übergangszeit kanns mit 30-40 Grad noch klappen, aber nicht von  ~Juni bis September. Dann käme ich wohl nur auf ~200 L/h - da steigt die WP aus. 

 

Bekomm ich schon hin.... 

Vitocal 200-S D09 - alles in DIY Montage, what else.