Hallo zusammen,
kann mir jemand sagen, wie sich die Isolierung der Wasserleitungen nennt und lb diese auch für den Verbau im Erdrech geeignet ist.
Aktuell ist das ganze nur in ca. 15-20cm Höhe verbaut, jedoch meint die Fachfirma, dass das kein Mangel ist.
Mich würde jetzt interessieren, ob man mit dieser Isolierung, darauf verzichten kann die Leitung frostsicher zu verlegen? Zudem ob sie vor mechanischer Belastung schützt?
Ganz toll wäre es, wenn mit jemand die Herstellerangaben, bzw. DIN Normen etc. geben könnte, da am Montag die Firma zur Nacharbeit kommt.
und bei dieser Verschraubung würde mich interessieren, ob diese einfach ohne Korrosionsschutz etc. im Splitt unter dem Fußweg verschraubt werden darf. Hier ist darüber Pflaster verlegt, dass auch gerüttelt wird. Und anschließend ist diese Verschraubung nicht mehr zugänglich.
Das wäre mir tatsächlich eine rießen Hilfe. Denn mit der Firma war ich bereits vor Gericht, da sie sich nicht mehr gemeldet hat. Jetzt hat das Gericht beschlossen, sie müssen alle Mängel beseitigen.
vielen vielen Dank im Voraus🙏🏻👍🏻
Danke für die Antwort👍🏻
leider muss ich es halt belegen können, auch wenn es jedem einleuchtet, selbst der Monteur der letztens da war von dieser Firma hat gemeint, das ist Pfusch von seinen Kollegen, aber er darf es nicht sagen.
die Firma argumentiert damit, dass die Isolierung vor Frost schützt und ausreichend ist.
Dann soll die Firma ihre Behauptung belegen. Nicht du musst sie widerlegen.
Und ich prophezeie mal,dass die Firma ihre Behauptung nicht untermauern kann. Weil es tatsächlich Murks ist.
Wenn da irgendeiner eine Handwerkerehre hat,sollte der zu seinem Fehler stehen.
Die Leitung ist nicht nach GEG gedämmt und das ist doch der Beleg.
hh) Soweit in den Fällen des § 69 Wärmeverteilungs- und Warmwasserleitungen an Außenluft grenzen, beträgt die Mindestdicke der Dämmschicht, bezogen auf eine Wärmeleitfähigkeit von 0,035 Watt pro Meter und Kelvin, das Zweifache des jeweiligen Wertes nach den Doppelbuchstaben aa bis dd.
Ich denke dein Rohr wird nur max 35 sein also hier:
bb) Bei Leitungen und Armaturen mit einem Innendurchmesser von mehr als 22 Millimetern und bis zu 35 Millimetern beträgt die Mindestdicke der Dämmschicht, bezogen auf eine Wärmeleitfähigkeit von 0,035 Watt pro Meter und Kelvin, 30 Millimeter.
Frag sie doch einfach, ob diese Dämmung nach GEG ausreichend ist und lass dir das schriftlich geben.
Alles im mündlichen ist ja bekanntlich erstmal nichts wert.
Wenn wir z.B. oberirdisch verlegen, dann kommt bei 28er Rohr auch die 28x60mm Dämmung zum Einsatz und dann ein Blechmantel drum.
Dann würde ich noch schriftlich den Nachweis vom Hersteller verlangen, das diese "Dämmung" für Erdreich geeignet wäre.
Dazu ist bei dir ja noch Temponox(1.4031) verlegt und da könntest du auch nach einem Nachweis fragen, ob das Rohr und die Pressverbinder überhaupt eine Zulassung für die Erdverlegung haben.
Und besonders das Stückrohr das einfach so in der Erde liegt, ob das gegen Korrosion geschützt ist.
Da bringe ich dann gerne noch diesen Link ein:
https://www.baurechtsiegen.de/maengel-an-waermepumpe-urteil/
Dieser Anwalt würde der Firma klare Anweisungen geben was hier umzusetzen ist und womöglich auch noch ein Wertverlust mit Entschädigung aushandeln.
Und eine Sache noch:
@Küstenpumpe es können nicht alle so toll sein und alles richtig machen wie Du!
Viele machen sogar Fehler und/oder haben vertraut und outen sich dann hier und suchen Hilfe.
Da nützt es wenig die Finger in die offene Wunde zu legen nur um sich selbst noch toller zu finden.
Etwas mehr Taktgefühl und Verständnis für den Anderen würde ich mir hier im Forum von Dir wünschen!
Menschen sind halt verschieden. Genau wie die Wahrnehmung.
Und es gibt auch noch andere Plattformen wo man sich präsentieren kann.
Besten Gruß
Dein Link auf "Baurechtsiegen" war eigentlich das einzige zielführende.
Und wenn ich Klartext schreibe wie es ist und was zu tun wäre, dann ist das zielführender als freundlich rumschwurbeln.
Frage an dich, wie findest du denn diese Arbeit des "Viessmann Premiumpartners" - daraus abgeleitet der Qualitätsstandard von Viessmann ?
Es sollte ja wohl ein QM seitens VM geben wenn man solche HB als "Partner" führt.
Na ?
PS:
Komm jetzt nicht mit "Einzelfall" .....
Das Forum ist gut gefüllt von solchem oder anderem Murks
Da muss ein Gutachter ran und dein Ra muss mal engagierter handeln. Fristsetzung - verstrichen - andere Firma beauftragen und Titel gegen Firma 1 holen wäre so eine Idee.
Vom jeweiligen HB kann man nicht auf die Qualitätsstandards von Viessmann schließen.
Premium bedeutet höchstens,dass der HB sehr häufig Viessmann Geräte verkauft/ einbaut.
Viessmann kontrolliert hier gar nichts.
Weil,wenn irgendwas schief geht,weil es der HB nicht besser kann,muss der Kunde sich mit dem jeweiligen HB auseinandersetzen. Viessmann ist hier höchstens involviert,wenn ein Gerätefehler vorliegt.
Das ist eine ganz blöde Situation, weil Du bezüglich Ausstellung der BnD für die Förderung auf den HB angewiesen bist. Und da geht es ja um eine Menge Geld.
Ich würde am Montag versuchen (im Guten) klarzustellen, dass der aktuelle Zustand mit Sicherheit nicht den anerkannten Regeln der Technik entsprechen kann.
Fasse in Vorbereitung dazu am Besten die diesbezüglich hier genannten Informationen zusammen und bringe sie vor.
Vielleicht hast Du Glück und ein fähiger Monteur übernimmt die Nachbesserung.
Sollte der HB die geforderte Nachbesserung verweigern und den Pfusch fortsetzen wollen, würde ich ihm Klage ankündigen. Das sollte für den HB teuer werden, denn ich kann mir nicht vorstellen, dass die Klage abgewiesen wird.
Hast Du eigentlich keinen Rechtsanwalt? Der müsste doch am Montag dabei sein und Dich argumentativ unterstützen.
Doch klar hatte ich beim Vergleich einen Anwalt dabei, mit dem bin ich auch in enger Absprache. Mir geht es einfach darum genügend Argumente zu haben.
der Richter hat dem gegnerischen Anwalt bereits klar gemacht, dass wenn die Frist für die Förderung abläuft, die Firma dafür haften muss.
Trotzdem möchte ich einfach, dass es jetzt schnellst möglich geht. Es läuft bereits seit Januar...
"Viessmann kontrolliert hier gar nichts. "
Ja, und genau das ist im Grunde Betrug am Verbraucher wenn sich irgendwelche Pfuscher "Viessmann Premiumpartner" nennen dürfen.
Kontrolliert VM nun bewußt nicht ? Vergleiche ich das Prinzip des "Partners" mal weitestgehend mit einem Franchise System, so würde ich ein QM seitens VM erwarten.
Kann es sein dass in diesem System der "Fachpartner" der Umsatz vor Qualität rangiert ?
Großes Problem:
Wenn der HB Insolvenz anmeldet siehst du gar nichts. Die Förderung ev. über 3 Umwege. Daher immer ( für andere Mitleser ) Vorsicht bei Vorkasse.
@OptimusOne Das ist kein "Bohren in der Wunde" sondern wie du liest sind viele Auftraggeber zu leichtgläubig - man kann es nicht oft genug erwähnen, Vorsicht bei Vorkasse !! Meine Hinweise sind berechtigt. Du nennst es "bohren in der Wunde" . Man übergibt auch keine Goldmünzen an der Haustür an die "Polizei" . In diesem Fall an einen Viessmann Fachpartner - Prinzip verstanden ?
Im Grunde Zahlung erst wenn ALLES zur Zufriedenheit erledigt ist. Ggf. Zahlungen nach Baufortschritt vereinbaren. Und bzgl. der Förderung, diese "Bestätigung" hat er frühzeitig dem Kunden zu übergeben.
Ich weiß nicht was der HB da "bestätigen" muss weil ich den Kokolores nicht gemacht habe, ich habe meine WP selber, preiswert ohne Abzocke und ohne Pfusch errichtet.
Im Grunde @Mario__8790 viel richtig gemacht, aber ich würde von deinem Ra mehr "Druck" erwarten. Wenn die Frist verstrichen ist und der HB die Förderung aus eigener Tasche zahlen muss, plus ggf. noch andere Prozesse am Hals hat, dann geht er eben in die Insolvenz.....
Der Titel ,,Premium,, oder ähnliches sagt gar nichts über eine Qualifikation aus.
Den erhälst,wenn du eine bestimmte Anzahl von Geräten verkauft hast. Ob und wie die Geräte verbaut werden,wird durch Viessmann nicht überwacht. Ist auch gar nicht möglich. Da müsste ja ständig einer hinter dem jeweiligen Monteur stehen. Oder war bei dir vielleicht Viessmann vor Ort und hat dir eine Urkunde ausgehändigt ?
Viessmann hat eben ein zweistufiges Verkaufssystem. Man könnte auch sagen,dass es Viessmann Rundweg egal ist,wer das Gerät weiterverkauft. Hauptsache, Umsatz. So funktioniert übrigens die ganze Wirtschaft. Umsatz,Umsatz,Umsatz . Die Qualität bleibt hier und da auf der Strecke.
Bevor du hier pauschal die Heizungsbauer in Misskredit bringst solltest du dich vielleicht mal mit den Förderbedingungen beschäftigen. Und da geht's nicht um nen 100er mehr oder weniger.
Vom ersten Schritt an "arbeiten" Kunde und HB hier zusammen und die geforderte Bestätigung die zur Auszahlung notwendig ist gibt's eben erst nach Inbetriebnahme.
Alles normalerweise kein Problem bei korrektem Geschäftsverhältnis. Abschlagszahlungen nach Baufortschritt werden die Regel sein und vertraglich auch so festgehalten.
Meine Anlage war Juni 24 fertig montiert aber die Bescheinigung konnte HB erst viel später erstellen weil der Gesetzgeber die Möglichkeiten der Erstellung erst im Herbst 24 geschaffen hat, damit auch erst Auszahlung der Förderung im Herbst. War überhaupt kein Problem und vorher bekannt.
Aus welchem Grund hätte der Heizungsbauer jetzt bei ordnungsgemäßer Ausführung auf sein ihm zustehendes Geld warten sollen?
Ohne Fachpartner kann man nicht nicht mal einen Antrag auf Förderung stellen - soviel zu DIY.
Und frag doch mal andersrum wieviele Handwerker trotz ordnungsgemäßer Arbeit ihrem Geld hinterher laufen müssen.
Die "schwarzen Schafe" gibt's nämlich auf beiden Seiten.
Daher wirst du in den wenigsten Fällen einen ordentlichen Handwerker finden der es nötig hat sich auf derartige Konditionen einzulassen "Zahlung erst wenn alles fertig".
Der lebt auch nicht von Luft und Liebe, hat seine Fixkosten muß sein Personal bezahlen und soll dann auch noch die Kundenanlage zwischenfinanzieren.
Dieses pauschale bashing deinerseits gegen Handwerker/Hersteller ist nur noch unerträglich.
Das hat nichts mit Misskredit zu tun. Im vorliegenden Fall ist es ganz einfach so,dass der HB Mist gebaut hat.
Und hat nichtmal den Anstand,seinen Fehler einzugestehen geschweige denn nachzubessern.
Sehe ich ähnlich, bei mir waren drei Abschlagszahlungen vereinbart, die letzten 10% erst nach erfolgter Inbetriebnahme und erst danach gibt es die BND. Man muss außerdem erwähnen, das durch die Förderung die Preise dementsprechend künstlich angehoben wurden. Sprich selbst wenn ich die Schlussrate einbehalten würde, wären sämtliche Kosten bereits gedeckt.
In meinem Fall hat mein Anbieter (trotz überregional arbeitend) ein sauberes Ergebnis abgeliefert und wir waren stets in einem super angenehmen Austausch, auch bei Unstimmigkeiten und kleineren Problemen. Ich wünsche dem Fragensteller auf jeden Fall das dieses Prozedere ein gutes Ende findet und er einfach nur seine WP zufrieden nutzen kann. Alles Gute und viel Erfolg morgen.
Vielen Dank,
wird man sehen, mit was die Leute kommen...
die Nachbesserung wurde auf 4 Tage terminiert, auf Nachfrage, da der HB ja auch eine Informationspflicht hat, kam die Aussage, dass keine Mängel vorliegen und nur Restarbeiten zu erledigen sind, was auch nur einen Tag dauern kann...
naja wird man sehen, ich gehe mal von einem neuen Gerichtstermin aus🤷🏻♂️
Das bleibt unbestritten.
Aber dann verfolge mal seine Kommentare und du wirst mir Recht geben.
Es ist doch in jedem Forum so, daß sich hauptsächlich Leute mit spezifischen Problemen und natürlich Interessierte dort treffen.
Von denjenigen die keinerlei Probleme damit haben und kein weiteres Interesse hört man idR gar nichts und ich vermute dass die die Mehrzahl sind.
Und wenn er doch alles DIY macht - woher sind dann seine persönlichen Erfahrungen?
Gruß Karl
Hallo Mario__8790,
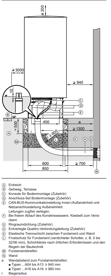
den dir entstandenen Ärger mit deinem Fachbetrieb kann ich verstehen. In unseren Planungsunterlagen sowie der Montage- und Serviceanleitung ist ersichtlich, wie unsere Produkte aufgebaut werden sollen. Ich habe dir hierzu einmal die aktuell relevanten Punkte rausgesucht und angehängt. Was das Rohrsystem betrifft, so empfehlen wir die ebenfalls bei uns erhältliche Quattroverbindungsleitung zu verwenden. Es ist aber auch jedes andere Rohrsystem zulässig, wenn es für entsprechenden Bedingungen geeignet ist.
Auch wenn es sicher einige wünschen, so treten wir nicht als Gutachter an Anlagen auf oder reisen den Fachbetrieben von Baustelle zu Baustelle hinterher, um die Arbeit abzunehmen. Dies würde uns auch keiner bezahlen wollen und ist auch schlicht nicht umsetzbar bzw. Sinn der Sache. Denn jeder Handwerksbetrieb hat wenigstens einen Meister und zudem Gesellen angestellt, die den Beruf erlernt haben und sich auch an die geltenden Vorschriften halten müssen. Ich sehe es ebenfalls so, dass sich vorwiegend diejenigen in Foren melden, die ein Problem haben. Bei denen, wo die Anlage läuft und perfekt installiert wurde, besteht keine Notwendigkeit, hier einen Beitrag dazu zu eröffnen. Über jeden, der sich trotzdem die Mühe macht, freuen andere User und ich uns natürlich auch.
Der Begriff Fachpartner beschreibt grundsätzlich jeden Heizungsfachbetrieb, der bei uns eine Kundennummer hat und unsere Produkte verbaut.





Viele Grüße
Flo
Aber es ist schon Schade, dass man Viessmann überhaupt nicht erreichen kann.
Aktuell macht meine Anlage seit Stunden ein Update und ist aktuell außer Betrieb, also kaltes Haus und kaltes Wasser.
WLAN habe ich geprüft, mit dem Handy vorhanden, auch die PV im Keller verbunden.
die Installationsfirma meldet sich mal wieder nicht. Weder per Mail noch telefonisch, da würde man sich tatsächlich mal jemanden von Viessmann wünschen, denn was soll ich aktuell machen?????
Hat die Firma denn gestern die Nacharbeiten vernünftig ausgeführt? Bei dem Update Problem wird dir bestimmt hier geholfen, alles was im Bezug zur Installation steht, muss leider dein Fachbetrieb erledigen.
Leider war der Termin für'n A.....
es wurde zwar eine die Heizlastberechnung neu gemacht, ob diese Stimmt kann ich nicht prüfen, da sie mir nicht ausgehändigt wurde. Ein Kupfer T-Stück in der Edelstahl Trinkwasserleitung wurde gegen Edelstahl getauscht, und die offensichtlich undichten Stellen wurden nachgezogen.
Auf die Frage, ob die Restarbeiten auch erledigt werden, kam von den Mitarbeitern, sichtlich beschämt, die Aussage dass das von dir Firma nach telefonischer Absprache nicht beauftragt wurde.
Also noch immer keine Isolierung im Außenbereich, Heizkörper nicht angeschlossen, Wanddurchführung nicht abgedichtet usw...
naja Schreiben der Anwältin geht raus, bzw. die Klage und ich überlege, ob ich nicht tatsächlich Strafanzeige wegen Betrug erstatte, weil es jetzt halt schon vorsätzlich ist...
Ja jetzt würde ich auch alles auf eine Karte setzen, doof wird bleiben das du letztendlich das Problem auf eigene Kosten von einer anderen Fachfirma ordentlich ausführen lassen musst. In der Hoffnung das Geld dafür nachher einklagen zu können
Was zeigt deine Anlage denn aktuell genau an?
Viele Grüße
Flo
das...
leider schon seit mehreren Stunden
Oh was ich gerade sehe das deine Firma nicht nur im Außenbereich gepfuscht hat, es sind ja anscheinend auch keinerlei Isolierung innen angebracht worden??