Hallo zusammen,
ich möchte bei meiner BWWP den Heizstab einschalten, wenn der Solar-Akku voll ist und gerade viel Überschuss produziert wird. So wie ich das bislang verstanden habe, geht so ein Scenario nicht mit der Steuerung der Vitocal 262. Daher meine Idee: Ich steuere den Heizstab mit meinem Home Assistant. Dazu klemme ich den Heizstab von der Steuerplatine und schließe ihn separat mit einem Shelly direkt an 230V an. Wenn viel Überschuss vorhanden ist, gibt der Home Assistant dem Shelly das Signal „einschalten“. Die Temperaturen kennt der Home Assistant von der ViCare Integration. Und sobald 70 Grad erreicht werden oder die PV Leistung unter einen bestimmten Wert fällt, schaltet der Shelly den Heizstab wieder aus.
Hat schon jemand so eine Idee umgesetzt? Ich freue mich über einen Austausch.
Danke und viele Grüße
Der Solarbastler
Moin. Ich möchte das jetzt so an meiner Vitocal 060-A umsetzen.
der Heizstab hat einen Shelly pro 1PM.
Per Automatisierung in HA sollte das dann programmiert werden.
Am besten aber zur Sicherheit noch ein Add-on und Temperatur Fühler an den Shelly ran als Sicherheitsabschaltung. Wenn das wlan mal weg ist kommt dein Ausschaltbefehl nicht durch. Du musst sicherstellen dass der Speicher nicht überhitzt.
also muss der Shelly die Temperatur zusätzlich überwachen und per Script und hinterlegter maximaler Temperatur den Heizstab zusätzlich abschalten.
dann geht es.
Grüße Matze
Hallo Matze,
den 1PM habe ich auch dafür vorgesehen. Da kann man auch schön die Verbrauchsstatistiken tracken.
Das Thema Überhitzung ist ein sehr guter Punkt. Und das kann man mit dem Shelly AddOn Modul einfach lösen. Das Problem wird sein, wie kommt man an die Temperaturen? In dem Speicher sind Fühlerrohre, in denen die Viessmann eigenen Thermofühler stecken. Einen DS18B20 bekommt man da nich rein.
Schreib mal, wie Du die Überhitzungsautomatik realisierst.
Danke!
VG, Solarbatler
Aktuell tracke ich die Werte meines alten Speichers mit dem Shelly+Addon. Ich habe den Temperaturfühler in die selbe Hülse geschoben wie den von der Gastherme. Das läuft super. Genauso werde ich es handhaben wenn die BWWP am Platz des alten Speichers steht und angeschlossen ist. Ganz einfach. Ich habe ja die TOS-ze und kann bei Dunkelflaute und kalten Außentemperaturen mit der Gastherme heizen. Das Gas kostet ja nur 1/4 des Strompreises pro kWh.
Die TOS war sogar im Angebot günstiger als die TOE.
Ich bin mir nicht sicher ob die Temperatur.-Fühler auch in die andren Fühlerrohre der BWWP passen. Müsste ich testen. Zur Not muss das Metall drumherum (vom Sensor) weg falls es zu groß ist bzw. ein kleinerer Sensor muss her.
Eine weitere Idee wäre (aber ebenso per wlan) den Fühler der Therme bei mir auszulesen. Ich habe an der Vitodens das Vitoconnect angeschlossen. ViCare kann per Integration in HomeAssistant eingebunden werden. Dadurch kann ich in HA die Speichertempetatur auslesen.
Aber ohne WLAN fehlt mir dieser Wert und HA kann den Ausschaltbefehl auch nicht an den Shelly weitergeben.
Wie hast du das aktuell realisiert? Wird bei deiner BWWP der Sollwert mittels PV-Kontakt hochgesetzt und dann wird der Heizstab dazugenommen? Oder ab wann läuft bei dir nach aktuellem Stand der Heizstab an? Welchen Betriebsmodus hast du dabei an?
Ich nutze die ViCare Integration und kann die Temperaturen im Speicher auslesen. Aber wenn der HA hängt oder ausfällt oder das Netzwerk weg ist, kann der Heizstab möglicherweise fröhlich weiterbrutzeln.
Insofern ist die Idee, ein autarkes System bestehend aus Shelly, AddOn und Thermofühler parallel zu verwenden, sehr gut!!! Man kann die Automatisierung dann zunächst im HA organisieren und dort z.B. eine Grenze von 70° eingeben. Und völlig losgelöst, kann man im Shelly eine Grenze von 75° definieren. Fällt der HA aus, greift die zweite Sicherung im Shelly. Perfekt.
Aktuell habe ich das ja noch garnicht umgesetzt. Aber ich plane, zunächst bis 55 oder 60° nur die BWWP laufen zu lassen. Wenn viel Sonne und PV Strom im Überfluss da sind, wird der Shelly mit dem Heizstab zugeschaltet. Ab 60° ist der COP der WP ohnehin so schlecht, da macht der Faktor 1 des Heizstabs auch keinen großen Unterschied mehr. Also ich bleib immer im ECO-Modus und schalte den Heizstab völlig losgelöst. Und das Gehampel mit dem PV-Kontakt spare ich mir dann einfach auch.;-)
Ja so klingt das nach einem guten Plan.
wie verhält sich das mit den Betriebsmodi. Hebt dieser PV-Kontakt immer nur den Sollwert an oder hat das je nach Betriebsmodi unterschiedliche Wirkung?
ich möchte nur ausschliesslich bei PV Überschuss die BWWP betreiben. Anderenfalls über Gas WW erzeugen.
Mein Plan sieht vor, den Sollwert für Warmwasser standardmäßig bis auf das niedrigste zu stellen. Damit wäre die BWWP erstmal aus. Über den PV-Kontakt und der daraus resultierenden Sollwerterhöhung soll die BWWP dann aktiviert werden. Und wenn dann noch zu viel PV vorhanden ist, dann soll der Heizstab unabhängig und wie beschrieben per Shelly zugeschaltet werden. Und wenn keine Sonne da ist, bleibt die BWWP halt aus und es wird mit dem günstigeren Gas (Im Verhältnis zu Strom aus dem Netz) Warmwasser erzeugt. Hier, wenn ich es hinbekomme ebenso immer in Abhängigkeit der Wetterprognose und Restwärme im Speicher automatisch.
die Solltemperatur in der Gastherme wird standardmäßig auf Minimum gesetzt, damit die BWWP vorrangig heizt. Und wenn die Therme übernehmen soll, soll der Sollwert angehoben werden auf eine Sinnvolle Höhe. Vllt hilft hier dann noch der Partymodus.
wie ich diesen Punkt abhandel weis ich noch nicht genau.
grüsse Matze
Hallo Matze25,
ich glaube, ich habe die Funktion des PV-Kontakts noch nicht richtig verstanden.
Was passiert genau, wenn der Kontakt geschlossen wird? Geht dann sofort die Solltemperatur hoch auf 70° und der Heizstab an???
Wird der Kontakt gechlossen = kurzgeschlossen? oder liegt da eine Spannung an??
Grüße
Solarbastler
Grundsätzlich nochmal zum Verständnis: Du hast die Vitocal 262-A und ich die 060-A.
Ich glaube aber in der Funktion werden sie sich nicht unterscheiden.
Gemäß Anleitung sind das die Kontakte C1 und C2.
wenn diese über einen potentialfreien Kontakt verbunden werden (Relais oder Shelly, selbst ein einfacher Lichtschalter erreicht das oder eine einfache Drahtbrücke) dann wird der Sollwert für Warmwasser hochgesetzt. In den Einstellungen kann man auch einstellen, wie lange der Kontakt geschlossen sein muss, bis der Wert geändert wird um auszuschließen dass nur ganz kurz mal die Sonne raus kam.
bei mir ist der Sollwert dann auf 62C gesetzt. Bei dir müssten das 70C. Wenn vorhanden, wird der PV-Stab dann dazugeschaltet.
mich bin mir gerade unsicher bezüglich der hysterese. Also ich meine ob dafür erst noch der untere schwellwert unterschritten sein muss. 7C hysterese sind fest hinterlegt. Für ein sinnvolles Verhältnis aus Betrieb und Pause.
Zu C1 und C2 noch: einer von beiden müsste die 230V bereitstellen, die dann über den Kontakt (von was auch immer man dafür nimmt) wieder zurück zum anderen Kontakt kommen.
was ich gerade nicht im kopf habe ist ob das bei Betriebsmodi ECO genauso ist oder ob der Heizstab da nicht hinzugezogen wird.
Guten Tag Zusammen,
ich versuche hier "mein Glück". Wir sind Besitzer eines Vitocal 262 A T2E-ze mit Heizstab.
Ich durchforste seit einiger Zeit die ganzen Foren und bin jetzt absolut unsicher ob und wie ich den Vitocal steuern kann. Ich sehe glaub vor lauter Wald die Bäume nicht mehr.
1) Leider habe ich mittlerweile rausgefunden, dass das Teil von 2021 kein WiFi hat (und auch nicht nachgerüstet werden kann).
2) Zur Steuerung mit einer PV Anlage (SMA, Sunny) ein "Energiezähler" erworben werden kann/muss um den Heizstab anzusteuern?
Ich habe hier lokal HA laufen und kann mit diversen anderen Geräten über Modbus etc. kommunizieren und diese auch steuern (selbst eine ausserordentlich exotische Poolsteuerung). Wo ich aber leider etwas anstehe ist bei o.g. Boiler mit WP und Heizstab.
Mir ist derzeit absolut unklar
1) wie ich den Heizstab (oder andere Komponenten des Boilers ansteuern kann). Hier gibt es von ESP Geräten, MQTT über Python oder C Scripten so ziemlich alles was genannt wird - aber eben alles sehr vage.
2) Es mag ev. etwas "unerfahren" klingen - die Verbindungsarten variieren von der Viessmann API (Wifi geht bei mir nicht), ViCare (keine Ahnung was das ist - habe ich aber glaube ich nicht), über das Optolink USB Kabel (keine Ahnung ob das bei diesem Boiler überhaupt geht) bis hin zu den Shellys
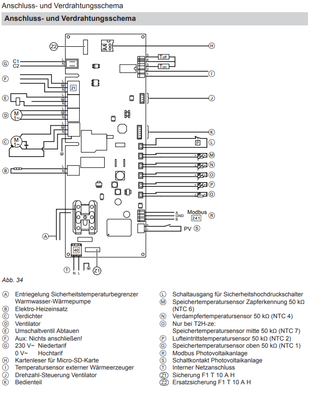
3) Auf der Platine habe ich (siehe Bild) die beiden Steckerbuchsen (2er und 3er Buchse). Hier scheint die 2er Buchse für den Heizstab zuständig? Aber wie wird dieser geschaltet?
Jetzt meine Frage nach Hilfe - wie steuert Ihr
1) mit welcher Hardware
2) den Boiler an (Verkabelung, Ort)
-> Ziel ist es bei Überschuss den Boiler mit dem Heizelement auf die besagten 70 Grad zu "laden". Aber auch die aktuelle Boiler Temperatur über HA auszulesen.
Ich würde mich super über Eure Hilfe und Richtungsweisung hier freuen.
Danke, Chris.
Moin.
hier noch die völlig verspätete Antwort:
Ich habe im Einsatz:
- HomeAssistant
- einen Shelly Plus 1PM in der Zuleitung der BWWP
- parallel zur BWWP einen Shelly Plus 1PM für den Heizstab inkl. Add-On um die Speichertemperatur zu messen (Parallel!, um nicht im Messwert der BWWP den Heizstab zu messen und beide Lasten auf dem einen Shelly zu haben)
- einen Shelly Plus 1 der das von mir betätigte (simulierte) PV-Signal gibt
- Shelly Pro 3EM um das ganze Haus zu messen (Leistung auf allen Phasen)
Der 1. misst einfach nur den Verbrauch der reinen Wärmepumpe und ich kann sie ggf. Aus der Ferne bei Bedarf hart ausschalten.
Der 2. schaltet wenn ich in der App drücke den Heizstab ein und überwacht die Temperatur. Per HomeAssistant-Automatisierung und/oder „Szene“ in der ShellyApp wird dieser bei erreichen der eingestellten Temperatur ausgeschaltet. Eingeschaltet per Hand wenn ich eine Schnellaufheizung benötige oder der Shelly Pro 3EM macht das wenn er einen entsprechenden Überschuss misst. (Automatisierung oder Szene).
Mein Shelly Plus 1 kann händisch per App oder per Automatisierung bei Überschuss aktiviert werden. Hauptsächlich nutze ich diesen Kontakt aber zur grundsätzlichen Steuerung.
Die BWWP steht auf ECO. Der Sollwert steht auf 25C. Zu bestimmten Zeiten aktiviere ich den PV Kontakt (früh,Mittag,Abend) und lasse die BWWP heizen. Per Szene und Automatisierung wird bei erreichen meines eingestellten Werts ausgeschaltet. 55C.
habe ich Überschuss ignoriere ich diesen Wert und heize bis 63C.
So kann ich alles immer in meinen Apps steuern und Heizzeiten aus der Ferne aktivieren. Somit beispielsweise in Abwesenheit bleibt der PV Kontakt aus. Es wird nicht geheizt. Am letzten Urlaubstag wieder aktiviert und wenn man nach Hause kommt ist das Wasser warm.
funktioniert sehr gut.
Servus,
herzlichen Dank für Deine Nachricht und Anleitung - ich habe meinen Shelly für die PV Überbrückung installiert (resp. vom Elektriker installieren lassen). Nun meine Frage zur Heizstabzuschaltung. Dies ist mit dem Shelly Plus 1PM für den Heizstab inkl. Add-On um die Speichertemperatur zu messen
Wie genau misst Du die Temperatur des Speichers? Woher kommt die Temperaturinformation?
Mit Deiner Hilfe bin ich schon sehr weit gekommen. Jetzt fehlt nur noch das letzte Puzzleteil 🙂
Danke!
Grüsse,
Chris
Moin,
die Temperatur Messe ich mit einem Shelly-Add-on. Das wird an den Shelly 1PM gesteckt (vom Heizstab-Shelly, da sind hinten kleine Kontakte). Daher bezieht es die Spannung und hat die Verbindung per WLAn. Alleine funktioniert das nicht.
An das Add-On schließt du einen Temperaturfühler an. Maximal 5 Stück gehen. Und den Temperaturfühler habe ich in das Fühlerrohr von Temperaturfühler der Gatherme gesteckt. Diese Temperatur bekommst du dann direkt in der Shelly App beim 1PM angeheizt.
Dann kannst du damit eine Szene erstellen bzw. in HA eine Automatisierung.
ich messe wie im Bild zu sehen auch die Tempera der angesaugten und abgegebenen Luft. Rein aus Interesse.
Grüße Matze
Hallo Matze,
vielen Dank für Deine geduldige Hilfe. Alles ist soweit klar. Ich muss mir noch Gedanken machen wo ich den Fühler platziere resp. wo ich den genau einführe da ich keine Gastherme habe resp. diese ungenutzt ist, wohl kann ich die dort einfach reinmachen
ABER eine viel wichtigere Frage (siehe auch Schaltplan).
Wie hast Du den Shelly an den Boiler "angeschlossen" (Verdrahtung -> siehe Schema). Der Heizstab ist auf Position B -> Soweit so gut - dieser ist einfach abzuhängen. Aber welcher Abnahmepunkt / Ausgang auf der Platine dient Dir für die Speisung des Heizstabes (auch bezüglich Leistung des Heizstabes!)?
Es gibt F (AUX -> nichts anschliessen!) - oder welchen Ausgang verwendest Du für die WP?
Herzlichen Dank für die Hilfe hier.
Chris
Der Heizstab hängt nun nur noch ausschließlich am Shelley. Völlig losgelöst von der wärmepumpe. So wie ich die wärmepumpe an einem. Eigenen habe. Parallel hängt der zweite für den Heizstab. Alles direkt hinter der Abdeckung versteckt. Du hast doch vorn sicherlich auch die dünnen Leitungen für die originalen temp-Fühler. Passt da noch einer mit rein?
Hallo Matze,
nachdem mir das ganze Thema doch etwas wild war (auch bzgl. Umbau, Garantie und Fehleranfälligkeit) habe ich noch nach einer Alterntative gesucht.
Diese Lösung habe ich gefunden: Der VItocal 262 A nervte mich phänomenal ... aber ich habe Ihn zu Boden gerungen :). Endlich habe ich einen Weg gefunden das Ding über Modbus zu steuern - und zwar OHNE den besagten Viessmann Energiezähler oder einem Umbau mit Garantieverlust. Selbst mein Elektriker ist am Viessmann Support immer an der gleichen Antwort gescheitert ist ... es braucht einen Energiezähler alles andere geht nicht - FALSCH.
Ich werde das Ganze separat auf einer externen Seite zusammenfassen damit andere Leidtragende doch noch Ihren Vitocal 262 A halbwegs "smart" nutzen können. (Es ist einfacher als Gedacht und braucht nicht phänomenale Programmierkenntnisse).
Ich kann jetzt mein Vitocal 262 A über Modbus bei z.B. 800 W "Überschuss" mit der WP laden oder bei z.B. 3.0 kW "Überschuss" mit WP und Heizstab. Natürlich funktioniert das auch ohne PV Anlage, da der Überschuss von mir vorgegeben wird 🙂
Das Ganze wurde mit einem Pi Zero 2 W und einem schnöden USB Modbus Dongle realisiert. Wer es auf die Spitze treiben will kann auch einen ESP 8266 verwenden (ich hatte aber da derzeit keine Zeit und Lust).
Wenn also jemand so leidgeplagt ist wie ich und NICHT ein teures (und ungemein dummes) Zusatzgerät zu einem teuren Premium-Boiler und einer smarten PV Anlage verwenden möchte - das ist sicherlich der Weg zu gehen.
Beste Grüsse,
Chris.
Hier noch ein Bild von heute Morgen als keine Sonne schien 🙂 - WP und Heizstab sind an inkl. PV Zeichen
Hi,
Oh das interessiert mich sehr.ich kampfe gerade auch mit der 262 A und glaube dass eine Lösung über modbus am Sinnvollsten ist.
Über deine Anleitung würde ich mich sehr freuen!
Hi. das klingt super spannend – genau nach so einer Lösung suche ich schon länger!
Mir würde deine Anleitung wirklich sehr weiterhelfen. Weißt du schon, wo du sie veröffentlichen wirst bzw. wo ich sie finden kann?
Vielen Dank schon mal und echt beeindruckend, dass du das ohne den Viessmann-Energiezähler hinbekommen hast!
Beste Grüße,
Jens
Hi Zusammen,
manchmal kommt das Leben dazwischen. Dein Post hat mich motiviert das Repository aufzusetzen:
Vitocal-262-A-PV-Modbus-Emulator
https://github.com/chbacher/Vitocal-262-A-PV-Modbus-Emulator
Ich werde versuchen den Source Code in den nächsten Tagen hochzuladen - funktioniert immer noch super - habe es zusammen mit HA und NodeRed am Laufen (geht aber auch mit allem anderen). Die Hardware Anforderungen habe ich schonmal hochgeladen. MQTT ist vielleicht mal eine Zukunftsvision 🙂
Der Elektriker war absolut erstaunt, wie einfach und genial das Setup ist. Er hat auch nach mehrmaligem Kontakt zu Viessmann keine Reaktion erhalten ... Tja.
Hi Cpbee,
danke für das GitHub-Repo!
Dein Modbus-Emulator mit TCP-Input und Register-37/50-Mapping ist tatsächlich eine sehr einfache und effektive Lösung.
Top – danke fürs Teilen!
Viele Grüße
Jens
Hi, eigentlich so simpel die Lösung - auch was ich mich mit dem Fingerdot geärgert habe :-Di
Aber wie ist das dann, lässt du dann nur den Heizstab laufen oder immer mit WP? Dann müßte ich eine Regel bei mir in HA einbauen. Danke
| Benutzer | Anzahl |
|---|---|
| 13 | |
| 4 | |
| 3 | |
| 3 | |
| 3 |