abbrechen
Suchergebnisse werden angezeigt für 
Anzeigen  nur  | Stattdessen suchen nach 
Meintest du: 

Vitocal 250-A sehr viele Taktungen

Hallo zusammen,

bei uns wurde eine Vitocal 250-A 10kW Wärmepumpe installiert.

Im EG haben wir Fußbodenheizung, im Rest des Hauses (1.Stock, 2. Stock und theoretisch Keller) haben wir Heizkörper.

Aktuell ist nur die FBH an - das war auch im Vorfeld so kommuniziert. Zudem können wir den Heizkörperkreislauf noch nicht anschalten, weil der Heizungsbauer den Magnetitabscheider in den falschen Kreislauf (FBH statt Heizkörper) eingebaut hat und ich nicht alles "zumüllen" will.

 

Aktuell haben wir um die 11-13°C Außentemperatur tagsüber.

 

Wir haben extrem viele Taktungen - ca. 40 Stück in 24h 🙈.

Meine Frage ist jetzt, woran das liegen kann. Ich habe den Verdacht, dass die Anlage überdimensioniert ist. Der HB hatte gesagt, die Anlage moduliert, daher ist das kein Problem. Jetzt bin ich mir da unsicher. 

Danke für eure Einschätzung 🙏.

 

PS. Das ist ja nicht nur ungünstig für die Lebensdauer (Verschleiß), sondern kostet ja auch entsprechend viel mehr Strom.

Screenshot_20250928_045322_ViCare.jpg
54 ANTWORTEN 54

Du hast dir die Antwort schon selbst gegeben. Die WP ist momentan viel zu gross. Hinzu kommt,dass in der  FBH eine sehr niedrige Fließgeschwindigkeit herrscht. Dementsprechend auch ein geringer Volumenstrom 

Du solltest also beizeiten die Heizkörper mit aufbinden lassen. 

Im Übrigen sind 40 Starts in 24 h nicht,,extrem,, viel. Da gibt's Schlimmere. 

Wie wird eigentlich das WW bereitet ?

Danke für dein Antwort - viel zu groß ist natürlich ein Problem. Weil das ist die Konstellation, die wir sicherlich in 80% des Jahres haben werden.

Das bedeutet, das eine kleiner Wärmepumpe für uns viel besser geeignet wäre - richtig?

Die Heizkörper mit einzubinden ist natürlich grundsätzlich möglich, allerdings benötigen wir die Heizung in den Bereichen nur, wenn es deutlich kälter wird.

Das WW läuft auch über die WP, das sind die beiden hohen Peaks im Diagramm.

 

Möglich, dass es "schlimmere" gibt, aber bei denen, mit denen ich bisher gesprochen habe, sind es erheblich weniger Taktungen - auch jetzt in der Übergangszeit. Und wenn das alles neu installiert und vorher berechnet wurde, erwarte ich schon, dass es dann deutlich besser passt 😔.

Und hast bei denjenigen,mit welchen du gesprochen hast,auch geschaut,wie die Proportionen aussehen? Ich meine,ich kann kaum erwarten,wenn ich eine WP mit 10 kW an 100 m2 oder an 200 m2 hänge,dass beide Anlagen synchron laufen .

Wurde in deinem Fall darüber gesprochen,ob bzw.wann die HK mit angeschlossen werden sollen ?

Da ich sowieso kein Freund davon bin,eine FBH direkt an den Wärmeerzeuger anzubinden,hätte man hier einen Pufferspeicher als hydraulische Weiche anbinden sollen. 

Und falls mal eine PV- Anlage geplant ist,den Puffer mit Anschlussmöglichkeit für einen Heizstab. Der schont dann den Verdichter.

Bis dahin die Heizkurve und entsprechend absenken, vermutlich noch auf Standard Wert?

Alles andere hat Franky schon erklärt, besonders der Punkt mit dem Puffer.

Weiß gar nicht wie das ohne Puffer funktionieren soll, für die Heizkörper muss doch ein Puffer vorhanden sein oder wie soll das mit der Vorlauf Temperatur passen?

Heizkörper brauchen doch viel mehr an Wärme.

#Vitocal 250-A13 13,4 KW, 400L Puffer, 300L WW, VX3 8A 12 KWp, 10KWh Speicher, Haus Baujahr 1970 Umbau 2023, Fassade+Dach gedämmt#

Naja, eigentlich hätte ja schon längst alles angeschlossen sein sollen. Leider hat der HB den Magnetitabscheider ja in den falschen Kreislauf eingebaut. Deshalb muss er erst wieder kommen 🙏, um das zu korrigieren. Angeschlossen wäre der Heizkörperkreislauf bereits. 

Mhm - Pufferspeicher ist hier - angeblich von Viessmann aus - keiner vorgesehen. Wäre der dann vor dem HK-Kreislauf oder vor der FBH oder vor beidem? Sorry, bin Laie und aufgrund der noch nicht detektierten Kompetenz des HB gerade dabei mich einzulesen. 

Ich hatte mich für Viessmann entschieden, auch weil es hieß, dass da direkt FBH und HK angeschlossen werden. Ich habe allerdings noch nicht verstanden, wie das dann mit dem verschiedenen Temperaturen läuft. Weil die WP liefert ja logischerweise eine Temperatur. Und die ist ja dann für die FBH zu hoch oder nicht?

Aktuell habe ich einen 250l WW-Speicher, an welchen später mal ein Heizstab angeschlossen werden könnte. Welche Größe brauch ich denn für den Pufferspeicher?

Offenbar gibt es ja verschiedene Möglichkeiten, den einzubinden. Du schreibst als hydraulische Weiche - wäre das dann in Reihenschaltung?

Danke für deine Unterstützung 🙏.

 

Die anderen mit denen ich gesprochen habe, haben halt andere Hersteller - da ist das wahrscheinlich eh nicht so gut vergleichbar nehme ich an. Ich dachte halt, wenn der HB das richtig berechnet, dann muss die Größe am Ende ja stimmen. Dann sollte die Taktung ja auch passen. Freunde von mir haben eine Vaillant 7,5kW. Da wäre die Hausgröße in etwa vergleichbar. Andere haben eine Buderus in 10kW - auch vergleichbare Hausgröße (da ist die Anlage aber noch zu neu zum Vergleichen). Die anderen, mit denen ich gesprochen habe, haben andere Anlagen und andere Häuser, aber halt viel weniger Taktung, daher dachte ich, dass das "normal" wäre.

 

Was meinst du mit Heizkurve und entsprechend absenken? 

 

Die aktuelle Heizkurve für die FBH sieht so aus (s. Bild).

Heizkurve-Screenshot_20250929_095809_ViCare.jpg

Ja es können mehrere Heizkreise angeschlossen werden.

Wie genau die Regelung funktioniert weiß ich nicht.

Womöglich funktioniert dies dann über die Weiche?

Ich bin ein Fan vom Pufferspeicher, ich habe aber auch nur einen HZK mit Radiatoren.

Lass Dir auf jeden Fall alles gut erklären von deinem HB!

#Vitocal 250-A13 13,4 KW, 400L Puffer, 300L WW, VX3 8A 12 KWp, 10KWh Speicher, Haus Baujahr 1970 Umbau 2023, Fassade+Dach gedämmt#

Danke für deine Antwort - leider kann mein HB offenbar nichts gut erklären. Aktuell frage ich mich, ob er selbst überhaupt weiß 😔. Letzter Stand war, dass er kommen wird, um die Mängel hier zu beseitigen und er wollte bei Viessmann nachfragen, was er machen kann, damit die HK nicht so laut rauschen. Das war bevor klar wurde, dass der Magnetitabscheider falsch eingebaut ist. Also das Problem haben wir auch noch.

Er meinte, dass er quasi von Viessmann vorgegeben bekommt, welche Komponenten erforderlich sind. 

 

Das hatter natürlich im Vorfeld so nicht kommuniziert - da war die Auskunft, dass sie alles berechnen.

 

Zuletzt meinte er, dass er sich bei Viessmann erkundigt, weil er glaubt, dass ein Pufferspeicher:

- die Taktzahl erniedrigt

- das laute Rauschen in den Heizkörpern beseitigt

Aber er wisse nicht, warum bisher keiner vorgesehen war, weil er die Vorgaben von Viessmann bekommt.

Bei der Heizkurve ist keine Korrektur nötig. 

Pufferspeicher eben nicht in Reihe,sondern parallel.

 Die Wärmepumpe befeuert hier ausschließlich den Speicher. Und vom Speicher geht dann ein Mischerkreis in die FBH und ein ungemischter Kreis zu den HK.

Natürlich ist das nicht unbedingt ein offizielles Schema. Wie will man dann aber sonst die höchst unterschiedlichen Volumenströme zusammenbringen ? 

Du schreibst ja selbst,dass die WP taktet. Ganz einfach deswegen,weil die grosse Wärmemenge nicht schnell genug abgeführt werden kann. Bei einem Puffer hast damit keine Probleme. Und zusätzlich kann der Puffer eventuell mit einem Heizstab unterstützt werden. Der ist zwar nicht so effizient wie eine WP,schont aber deren Verdichter. Lohnt sich aber nur,wenn eine PV- Anlage vorhanden ist.

Ist die FBH momentan über einen Mischer angebunden? Oder wie will man es später,wenn die HK mitlaufen sollen,mal handhaben ? Da die HK sicherlich nicht so gross sind,dass die mit 35*C auch Leistung bringen.

Und es ist Unsinn,dass Viessmann hier die Vorgaben macht. Wenn,dann gibt Viessmann eine Empfehlung. Wie die Heizung umgesetzt wird,ist die Entscheidung des HB und natürlich dem Bauherren.

Vielen Dank - die Heizkurve hab ich so vorsichtig wie möglich eingestellt.

 

Ja das ist eine echt gute Frage - die hab ich mir auch erst jetzt gestellt. Also wie das gehen soll mit den unterschiedlichen Temperaturen. 

Also bisher ist alles direkt an der Inneneinheit angeschlossen. Mir war bisher nicht bewusst, dass ja da gar nichts "gemischt" werden kann 🙈.

Nein, die HK brauchen definitiv eine höhere Temperatur. 

Nein, es ist keine PV vorhanden. Ob das irgendwann mal kommt, kann ich noch nicht sagen - alles eine finanzielle Frage.

Verstehe ich jetzt, wo ich darüber nachdenke auch nicht, wie das funktionieren soll, dass ich in zwei Kreisläufen total unterschiedliche Temperaturen haben kann.

Ich weiß nicht, was in der Inneneinheit noch drin ist - ist da eine Mischeinheit? Außen ist jedenfalls nix zum Mischen.

Wie groß sollte so ein Pufferspeicher dann sein? Der HB meinte, als er da war und die Idee hatte, damit alle Probleme zu lösen, dass er ganz klein sei - so 45 Liter.

Ich bin dir wirklich sehr dankbar für den Austausch hier.

20250929_102057.jpg

Der Speicher,welchen der HB meint,ist nur zum Abtauen der WP gedacht.

Und man kann schon unterschiedliche Temperaturen fahren,wenn man keinen Mischer hat.

Hierzu würde in die FBH ein sogenanntes RTL- Ventil eingebaut. Das hat nix mit dem Fernsehsender zu tun :-)!

Es begrenzt vielmehr die Wassermenge. Die FBH wird dann faktisch schluckweise beliefert. 

So kann ( und muss) dann später die WP auf eine höhere Kurve eingestellt werden,damit die HK die nötige Temperatur erhalten.

Aber genau deswegen taktet die WP nun. Es ist kaum was da,was die Wärmemenge abnimmt. Selbst die Mindestleistung der WP ist stellenweise zu hoch. Deshalb schaltet der Verdichter ab  .

Mit den Heizkörpern sähe es vermutlich ganz anders aus. Allerdings müssten die dazu auch immer mitlaufen. Nur sporadisch,da bekommst das Takten nicht in den Griff.

Danke. 

Und in der Inneneinheit ist quasi gar nix drin, was das irgendwie steuert? Weil so hatte ich das ursprünglich mal verstanden. Ich verstehe gar nicht, wo dann der Vorteil gegenüber anderen Anbietern ist, wo beide Heizkreise nicht direkt an die Inneneinheit angeschlossen sind.

Ja, jetzt verstehe ich, warum sie dauernd taktet. Mhm - wenn die Heizkörper permanent mitlaufen, aber halt auf niedriger Temperatur, dann müsste das Takten auch besser werden -oder?

Das würde ja in der Übergangszeit, wo wir die HK eigentlich noch nicht unbedingt brauchen, auch helfen. Zumindest, wenn ich das richtig verstanden haben.

Klar - sporadisch anmachen bringt dann gar nix. Aber vielleicht kann ich das dann über die Temperatur regeln. Also niedrige Temperatur im HK-Kreislauf in Übergangszeiten und höhere dann im Winter?

 

Mhm, dann ist der vom HB angedachte Pufferspeicher zu klein, um meine anderen Probleme zu lösen. Wie groß müsste er denn deiner Erfahrung nach mindestens sein, um da einen Effekt bzgl. Taktung zu erzielen?

 

Mmh, da scheiden sich die Geister. Gegen das Takten sollten es meiner Meinung nach schon 300 l sein. Erst recht,wenn da nur die FBH dranhängt. Hier würde die WP nur nachlegen,wenn die Puffertemperatur unter die nötige Vorlauftemperatur fällt. Bei einer FBH dauert das.

Die 300 l wären auch für die Heizkörper ausreichend,zumal die HK nicht ständig mitlaufen sollen oder ? Allerdings muss der Puffer für die HK nun höher aufgeheizt werden,weshalb ein Mischer für die FBH sinnvoll wäre.

Wie erfolgt die WW Bereitung ?

Mhm - ok, das ist dann nochmal ein echt großer "Behälter".

Grundsätzlich würden die HK schon dauerhaft mitlaufen - im Moment halt net, weil der Magnetitabscheider noch fehlt. Ich kann es ja dann entsprechend einstellen. Das ist wahrscheinlich eine sinnvolle Lösung, hab ich so aus unserem Gespräch schon mitgenommen.

Also brauch ich auch mit Pufferspeicher einen Mischer für die FBH? Muss ich da was beachten? Weil ich hab nicht den Eindruck, dass der HB von sich aus das richtige holt 🙈.

WW läuft auch über die WP - da steht jetzt hier ein 250Liter- Behälter.

 

Wow,250 l WW? Für wie viele Personen ?

Und wie gesagt,für die FBH kann auch statt des Mischers ein RTL- Ventil vorgesehen werden. Bei einem Mischer ist die Wärmeabnahme nur etwas kontinuierlicher. 

🙈 das ist sicherlich auch völlig überdimensioniert 😔. Wir sind nur zu dritt.

Du sagst es. Der HB scheint ziemlich unbedarft zu sein ?

Leider empfohlener Viessmann-Partner vor Ort. Sonst hätt ich die nie beauftragt.

 

Wieviel Liter wären denn sinnvoll gewesen?

Naja,Viessmann überprüft nix. Wenn der HB auch nur eine Therme von Viessmann verbaut hat,ist man schon Partnerfirma. 

Bei 3 Personen wären 160 l genug gewesen.Denk ich mal. Man muss hier aber auch die Gleichzeitigkeit und Badeausstattung im Auge behalten. Vielleicht gibt's zwei Bäder? Eins mit Dusche,eins mit Wanne? Wenn da einer badet und parallel einer duschen will,könnt es eng werden .

Ja schade, dass das für den Endkunden so nicht ersichtlich ist.

Wieder was gelernt. Da war ich wohl recht naiv und hab auf die Viessmann-Listung vertraut.

 

Sonst bin ich da nicht so gutgläubig, aber gut, jetzt muss ich mit dem arbeiten, was da ist.

Wenn der HB im gleichen Ort ansässig ist,ist das schon mal gut. Er kann dann auch bei ,,Kleinigkeiten,, reagieren.

Stell dir mal vor,der wäre hunderte Km weg und müsste dann nur ein paar Tasten drücken ?

Ich glaub,Fehler macht so ziemlich jede Firma. Wer keine macht,hat gar nichts gemacht:-).

Die Frage ist immer,wie man mit den Fehlern umgeht. 

Wie mein alter Lehrmeister immer gesagt hat: Ein Meister ist,der was  ersann. Geselle ist,der etwas kann. Und Lehrling ist ein Jedermann.

Definitiv, da gebe ich dir Recht. Die Fehler sind auch nicht das Problem, sondern - wie du auch schreibst - der Umgang damit.

Aktuell ist es so, dass seit 6. September hier nichts mehr passiert ist 🙈. Mal eben schnell kommt da leider niemand. Das war auch mein Gedanke, dass das dann kurze Wege gibt und außerdem unterstütze ich gerne Betriebe vor Ort in der Nähe anstatt jemanden zu beauftragen, der nur mit Sub-sub-sub-Unternehmern arbeitet.

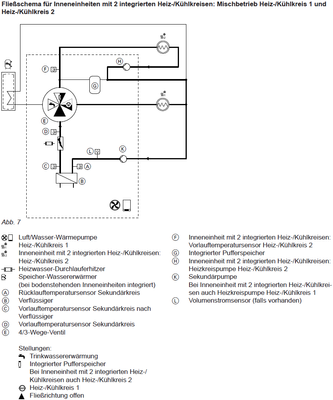
Das ist doch eine 2C Anlage mit 2 integrierten Heizkreisen. Hier wird über das Zusammenspiel von 2 HK-Pumpen und dem 4/3-Wegeventil die Temperatur für die FBH (an HK2) "runtergemischt".

ABR_4-1759144243453.png

 

Allerdings müssen dafür einige Bedingungen zwischen HK1 und HK2 erfüllt sein, was bei abgeschaltetem HK1 so ersteinmal nicht gegeben ist.

ABR_3-1759144215561.png

Wenn die Heizkörper nur zeitweise aktiviert werden sollen, hätte hier der Hinweis beachtet werden müssen.

ABR_6-1759145288623.png

 

Aktuell läuft die Anlage demnach nur auf HK2 (FBH),

ABR_5-1759144894258.png

was aber nach diesem Beitrag etwas kritisch ist, weil der integrierte Abtauspeicher einen hydraulischen Kurzschluss zum HK2 darstellt. Die HK2-Pumpe müsste in diesem Fall die gleiche Fördermenge wie die Sekundär/HK1-Pumpe liefern, damit der Speicher wie dargestellt nicht durchstromt wird. Mangels eigener 2C-Anlage kann ich die dabei auftretenden Phänomene leider nicht praktisch nachvollziehen. 


Vitocal 252-A AWOT-E 251.A10, SW2509, ohne HZW-Speicher, Radiatoren, 125m²

Also wir haben mit 2 Personen 300 Liter WW und das passt ziemlich gut, so muss ich nur einmal am Tag aufheizen, an sonnigen Tagen auch nur jeden zweiten weil ich dann erhöhe.

Von daher geht der WW Speicher schon in Ordnung.

Bin gespannt wie die Geschichte hier ausgeht...

Ich glaube der HB hier hat noch nicht viele WP verbaut leider.

#Vitocal 250-A13 13,4 KW, 400L Puffer, 300L WW, VX3 8A 12 KWp, 10KWh Speicher, Haus Baujahr 1970 Umbau 2023, Fassade+Dach gedämmt#
Top-Lösungsautoren