abbrechen
Suchergebnisse werden angezeigt für 
Anzeigen  nur  | Stattdessen suchen nach 
Meintest du: 

Indoor Vitocal 250-A AWO-E-AC-251.A16 2C

Ist der Vor-(D) und Rücklauf(G) des Speicher-Wassererwärmer im Vitocal 250-A Inneneinheit mit 2 integrierten Heiz-/Kühlkreisen in der Montage- und Serviceanleitung(Seite 20) vertauscht?
(Die Richtungspfeile unter der Inneneinheit mit 2 integrierten Heiz-/Kühlkreisen bei den Röhren(D) und (G) sind umgekehrte.)

 

Außerdem wird (G) zuerst heiß, könnte das mit einem offenen Rückschlagventil(Seite 166 Nr. 22 bei der Außeneinheit etwas zu sagen haben?

 

Who und wie wird der Temperatursensor externer Heizwasser-Pufferspeicher mit dem Vitocal 250-A Inneneinheit mit 2 integrierten Heiz-/Kühlkreisen verbunden?
(Seite 53 Nr. 5 und 6 haben keine Verbindungskabel in der Inneneinheit)

16 ANTWORTEN 16

Hallo André21,

 

bei dem Modell 2c kann kein externer Heizwasserpufferspeicher als hydraulische Trennung angeschlossen werden. Dies ist nur bei dem Modell mit einem Heizkreis möglich. 

 

Die Bezeichnung der Anschlüsse ist korrekt und sollte nicht vertauscht sein. Wie sieht es im Heizbetrieb aus?

 

Viele Grüße
Flo


Berechnen Sie Ihre persönlichen Einsparmöglichkeiten mit einer individuellen Energielösung von Viessmann – inklusive erstem Preisvorschlag & individueller Erstberatung.
Jetzt System konfigurieren

Hallo Flo

 

Danke für die Antwort.

 

Was ist eine hydraulische Trennung und wie wird in diesem Fall ein externer Heizwasserpufferspeicher angeschlossen und möglich sein?

Kann ein externer Heizwasserpufferspeicher bei dem Modell 2c nicht angeschlossen werden? Falls doch welche Vorteile und Begrenzungen gibt es?

 

Der Heiz-/Kühlkreis 2 ist nicht in Betrieb/Angeschlossen, kann dann ein Temperatursensor mit dem Heiz-/Kühlkreisen 1 und ein Pufferspeicher für die Heizung verbunden werden?

 

Periodisch relativ viele und kurze Starts/Stopps beim Heizwasser, ansonsten Tagelang ohne pausen.

 

Ist die Markierung im Boden(siehe Fotos) der Vor-(D) und Rücklauf(G) des Speicher-Wassererwärmer im Vitocal 250-A Modell 2C vertauscht?

 

Viele Grüße

André

D.jpg
DG.jpg
G.jpg

Hydraulische Trennung bedeutet, dass die Wärmepumpe den Pufferspeicher erwärmt und die Heizkreise über eine separate Umwälzpumpe aus dem Pufferspeicher heraus mit Wärme versorgt werden. Ein Pufferspeicher als hydraulische Trennung kann nicht bei dem Modell 2C angeschlossen werden. 

 

So wie ich die Markierung auf deinem Bild sehe, passt sie zur Anleitung. 

 

Viele Grüße
Flo


Berechnen Sie Ihre persönlichen Einsparmöglichkeiten mit einer individuellen Energielösung von Viessmann – inklusive erstem Preisvorschlag & individueller Erstberatung.
Jetzt System konfigurieren

Hallo Flo

 

Danke für die Antwort.

 

Bedeutet das, dass man keinen Pufferspeicher am Modell 2C montieren sollte?

 

Gibt es Vor- und/oder Nachteile bei der Montage eines Pufferspeichers als Erweiterung/Verlängerung des Heizkreises?

 

Würden Sie einen Pufferspeicher am Modell 2C ganz abraten?

 

OK, das heißt, dass die Pfeile in Bezug auf die jeweiligen Symbole zu lesen sind (und nicht in Bezug auf die Wärmepumpe generell)?

 

Viele Grüße

André

Ja, einen Pufferspeicher als hydraulische Trennung kann nicht eingesetzt werden. Ob du ihn als Volumenerweiterung deines Heizkreises einbinden solltest, kann eine längere Laufzeit und auch Pausenzeit bringen. 

 

Viele Grüße
Flo


Berechnen Sie Ihre persönlichen Einsparmöglichkeiten mit einer individuellen Energielösung von Viessmann – inklusive erstem Preisvorschlag & individueller Erstberatung.
Jetzt System konfigurieren

Hallo Flo

 

Danke für die Antwort.

Kann ein Pufferspeicher als Volumenerweiterung beim Modell 2C ein Auslöser für zu viele Start/Stopps sein?

 

Kann der Druck/Zug von der Wärmepumpe zum/vom Pufferspeicher zu kräftig werden, so dass das warme Wasser nicht genügen mit dem kalten Wasser vom Heizkreises gemischt wird und deswegen die Wärmepumpe zu früh ausgeht und kurz danach wieder angeht?

 

Welche Pufferspeicher Größe wäre für ein Modell 2C empfehlenswert?

 

Kann eine Zirkulationspumpe, zwischen Pufferspeicher als Volumenerweiterung und dem Heiz-/Kühlkreis 1, beim Modell 2C über die Klemme P2 (Seite 55 und 56) montiert werden und automatisch die Zirkulationspumpe je nach Bedarf an- und abschalten, oder ist der P2 Anschluss nur für einen eventuellen angeschlossenen Heiz-/Kühlkreis 2?

Viele Grüße
André

Seite 55.jpg
Seite 56.jpg

Flo_Schneider rät vor einem Deaktivieren des 2. Heizkreises bei einer 2C ab.

 

Ich selbst rate von dem 2C System komplett ab und habe das schon öfter ausführlich begründet.

Hallo André,

 

ein Puffer als Volumenerweiterung ist nicht hydraulisch entkoppelt installiert. Hier wird also keine zweite Pumpe für den Heizkreis benötigt. Diese könnte, wenn tatsächlich vorhanden, dann auch nicht separat gesteuert werden. Grundsätzlich ist aber ein Puffer zur Volumenvergrößerung nicht notwendig. 

 

Viele Grüße
Flo


Berechnen Sie Ihre persönlichen Einsparmöglichkeiten mit einer individuellen Energielösung von Viessmann – inklusive erstem Preisvorschlag & individueller Erstberatung.
Jetzt System konfigurieren

Hallo Flo

Danke für die Antwort

 

Weshalb wird keine zweite Pumpe für den Heizkreis 1 bei Anwendung eines Pufferspeichers als Volumenerweiterung benötigt?


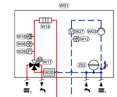
Kommt das Wasser überhaupt weiter vom Pufferspeicher oder muss es speziell verbunden seien in Vergleich zu meinem System, siehe Zeichnung?

 

Ich habe ein Problem dass der Kompressor periodisch relativ viele und kurze Start/Stopp beim Heizwasser hat, ansonsten Tagelang ohne pausen lauft. Kann das mit der Montage zusammenhängen(Siehe Zeichnung)?

 

Ich habe ein 2C System, wo der 2. Heiz-/Kühlkreis nicht angeschlossen ist dafür aber ein Puffer mit Zirkulationspumpe, dass Sie davon abraten ist beunruhigend. Siehe Zeichnung von meinem System. Lokale Viessmann Fachlaute haben auch den Puffer mit Zirkulationspumpe als Anmerkung und der Heizungsbauer ist informiert aber, dass geht nicht so schnell. Was ist Ihrer Meinung nach hier die beste Lösung zum System?

 

Mir ist aufgefallen, dass nach dem Erhitzen des Brauchwassers die Vorlauftemperaturen für den Heizkreis 1(C) identisch mit dem Vor- (A/E) und Rücklauf (B/F) aus der Wärmeversorgung in der App/dem Display sind, obwohl der Vorlauf (C) am Heizkreis 1 kalt ist, wenn man das Rohr an der Wärmepumpe berührt. Im Gegensatz dazu ist das Rücklaufrohr (H) heiß. Wurde ein Sensor vertauscht oder sollte das so sein?

Gibt das nicht eine falsche Angabe für den Heizkreis bzw. fehlende Aufheizung?

 

Wenn die Vorlauftemperatur für Heizkreis 1 (C) wärmer ist (58,3 Grad durch Erwärmung des Brauchwassers) als die Wärmekurventemperatur (34 Grad bei 10 Grad), wird die Wärmepumpe sicher kein heißes Wasser in den Heizkreis / Pufferspeicher leiten oder?

 

Ich bekam keine wärme. Was kann man in solchem Fall machen, um die Wärmepumpe dazu zu bringen, (das Haus auf zu heizen) die Wärme an die Heizkörper/Pufferspeicher weiterzuleiten?

 

Müsste es nicht auch ein Rücklauftemperatursensor für Heizkreis 1 im App/dem Display zu finden seien(siehe Seite 17 Blatt 6 Elektronikmodul EHCU, Stecker X4, X10, X11, X20?

 

Wie Steuert die Wärmepumpe wann wärme in den Heizkreis 1 geleitet werden soll?

 

Außerdem sind die Rohre des Heizkreises 2, die nicht angeschlossen sind, heiß geworden, das ist mir früher nicht aufgefallen, was ist der Grund, dass die heiß werden?

 

Mfg

André

Hallo Experte II

Danke für die Antwort

 

Ich habe ein 2C System, wo der 2. Heiz-/Kühlkreis nicht angeschlossen ist. Was gemacht worden ist weiß ich nicht, aber der Vorlauf/Rücklauf sind unten verschlossen, die Verschlüsse werden manchmal, beim aufwärmen vom Wasser bzw. Heizkreis 1 auch warm aber wie das genau zusammenhängt weiß ich nicht. Ich kann bei der Wärmepumpe/dem App nicht die Temperatur vom Vorlauf/Rücklauf des 2. Heiz-/Kühlkreises sehen. Ich glaube dass der 2. Heizkreis in den Services Einstellungen vom Heizungsbauer bzw. den Viessmann Fachlauten nicht aktiviert wurde. Das ihr vom 2C System  bzw. deaktivieren des 2. Heizkreises abratet, ist besorgniserregend.

 

Mfg. André  

Da der Puffer nur in Reihe eingebunden ist, versorgt die interne Pumpe die Heizkreise. Die auf der Zeichnung dargestellte Einbindung ist eine hydraulische Trennung. Dies ist bei dem Modell 2C nicht möglich. Bei einer hydraulischen Trennung würde auch eine separate Umwälzpumpe benötigt werden. 

 

Bei dem Modell 2C ist ein komplettes stilllegen des zweiten Heizkreises nicht möglich. Dies funktioniert nicht ideal, dementsprechend bemerkst du dort auch Erwärmungen. 

 

Viele Grüße
Flo

 

 


Berechnen Sie Ihre persönlichen Einsparmöglichkeiten mit einer individuellen Energielösung von Viessmann – inklusive erstem Preisvorschlag & individueller Erstberatung.
Jetzt System konfigurieren

Hallo @Flo_Schneider,

 

das ist technisch nicht wirklich nachvollziehbar. Ein 2C Gerät (250-A und 200-S) hat im Prinzip folgenden Aufbau:

 

noname01_0-1684145602216.png

Wenn man unten die Anschlüsse VL2 und RL2 einfach verschließt und die Pumpe 2 inaktiv ist (bei Deaktivierung der Fall), entspricht das Gerät technisch dem Diagramm aus dem 1C Gerät:

noname01_1-1684145688277.png

Ich habe auch eine 200-S 2C, welche als 1C betrieben wird. 2C hatte ich einfach als Reserve geplant und war zu der Zeit leichter verfügbar. Es wird zahlreiche dieser Fälle geben. Dazu kommt, dass sich die 2C im Inbetriebnahmeassistenten als 1C konfigurieren lässt. Warum ist das so implementiert? 

 

@Flo_Schneider 

Ich wüsste gern um den wirklichen Grund, warum eine 2C nicht als 1C laufen sollte. Bei mir (200-S R32 2C) wollte der TD nur, dass die Anschlüsse VL2 und RL2 nicht verschlossen sind, sondern direkt verbunden  - warum auch immer. Ich kann mit Absperrhähnen beide Arten simulieren und habe bisher keinen Unterschied festgestellt. Allerdings gab es mit vorhandener Luft im Puffer Abtauprobleme. Das kann ich erst kommende Heizperiode beurteilen. Siehe dazu meinen unbeantworteten Thread: Betreff: Vitocal 200-S E06 2C Probleme beim Abtaue... - Viessmann Community (viessmann-community.com...

 

Der einzige technische Unterschied ist tatsächlich die Befüllung. Nur mit aktivem 2C ermahnt einen der Befüllassistent, dass der 2C Kreis auch befüllt werden muss. Das ist ja auch irgendwo klar. Klar ist auch, dass sich die Anschlüsse mit erwärmen, da sämtliche RL Verbinden zusammenlaufen und das 3/4 Wege Ventil nicht 100% dicht schließt. Noch dazu müssen die Anschlüsse sich erwärmen, wenn der Puffer zum Abtauen geladen wird.

 

VG

In glaube mich an folgenden Viessmann Wortlaut zur 2C zu erinnern: "Es können bis zu 2 Heiz-/Kühlkreise konfiguriert werden.."

Man möge mich korrigieren, wenn ich falsch liege, Danke !

Dazu folgender Auszug aus der Montage- und Serviceanleitung der 200-S R32 2C (6176424 DE):

 

noname01_0-1684146996388.png

 

Der erste ("1 oder 2 Heiz-/Kühlkreise...") und letzte Satz ("nur anschließen, falls...") war für mich Sicherheit genug, dass man diesen optional anschließen kann  - was ja auch logisch sein sollte. Die Software unterstützt ja auch die Konfiguration als 1C.

 

Für die 250A müsste es das Pendat in der Montageanleitung zu finden sein.

 

Hallo Flo,

gibt es eine Schemazeichnung für den Anschluss des Pufferspeichers als Volumenerweiterung?

 

Viele grüße 

Sebastlan

Hallo Sebastian, 

 

bitte entschuldige, dass du hier erst jetzt eine Antwort bekommst. Ein Installationsschema mit im Rücklauf eingebundenen Pufferspeicher haben wir nicht. Dies schließt aber nicht aus, dass dies möglich ist. 

 

Viele Grüße
Flo


Berechnen Sie Ihre persönlichen Einsparmöglichkeiten mit einer individuellen Energielösung von Viessmann – inklusive erstem Preisvorschlag & individueller Erstberatung.
Jetzt System konfigurieren
Top-Lösungsautoren