abbrechen
Suchergebnisse werden angezeigt für 
Anzeigen  nur  | Stattdessen suchen nach 
Meintest du: 

Smart Grid Funktion

Guten Abend,

 

Ich habe eine Vitocal 250 AH. Gerne würde ich die Smart Grid Funktion nutzen. Aus diesem Grunde wurde die für die EVU Sperre genutzte Phase von Kontakt 143.1 (Für EVU Sperre, dann auf 143.4 geschaltet) aufgeteilt um diese auch auf 143.5 bei Aktivierung der Smart Grid Funktion zu schalten. Nunmehr bekam ich die Rückmeldung vom Installateur sowie wohl dem Viessmann Kundenservice, dass beides wohl nicht geht. Hier bitte ich um Rückmeldung,  wie ich die Smart Grid Funktion neben der EVU Sperre nutzen kann und ja, natürlich habe ich Verständnis, dass bei EVU Sperre, dass Smart Grid nicht funktioniert. Aber es müsste doch möglich sein, bei Nutzung der Option EVU Sperre im inaktiven Zustand, die Smart Grid Funtkion zu nutzen.

 

Vielen Dank für die Rückmeldungen und Erläuterungen.

10 ANTWORTEN 10

Als Ergänzung: beim Getätestatus steht unter SG Ready Erzwungener Betrieb und das Warmwasser wird immer auf 60 ° aufgeheizt

Hallo reidter,

ich nutze selbst nur die EVU Sperre aber beides geht selbstverständlich auch. Das wurde schon sehr oft hier in der Community erklärt, aber in dem folgenden Thead jedoch auch sehr gut von Flo und anderen:

 

https://community.viessmann.de/t5/Waermepumpe-Hybridsysteme/Vitocal-250-A-und-Smart-Grid/m-p/349931#...

 

Wenn es nicht funktioniert, kann es sein, dass auf Deinen Adern an 143.4 und 143.5 eine geringe Spannung induziert wird. Dann musst du entweder mit Relais naher der IDU oder einem RC-Gliid (absichtlich falsch geschrieben um nich augepiept zu werden) an den beiden genannten Anschlüssen arbeiten. Wsr bei mir such so. Ist auch oft hier in der Community gut beschrieben.

 

Bitte beachten - wenn du kein Elektriker bist, Finger weg von elektrischen Schaltungen!

  • Hallo, danke für die Rückmeldung. Ich bin Elektriker. Deswegen Wago Klemme an 143.1 um dann die Spannung entsprechend über Relais an die beiden Eingänge schalten zu können. Fachbetrieb meinte etwas von Kriechströmen... Konnte mir das Ber nicht vorstellen. Welche RC Kombi wurde genommen und wie verschaltet?

In diesem Beitrag sind links zu 2 weiteren Beiträgen die dir weiterhelfen könnten

 

https://community.viessmann.de/t5/Waermepumpe-Hybridsysteme/Vitocal-250-A-SG-Ready-Anlage-bleibt-im-...

 

Im einen geht's um Nutzung von Shelly im anderen um die verschiedenen Smartgrid Anschlüsse und was sie jeweils bewirken.

 

 

250A-10, Speicher WW 200 + HZ 400, Heizkörper, SW 10/2025

Ich habe mir es einfach gemacht. Obwohl nur 1 Kontakt zu köschen war ein Eltako RC12 an 143.4 und N der Zirkulationspumpe.

 

Bis der Meßstellenbetreiber da war, war es erledigt.

Guten Morgen,

 

Danke für die Rückmeldung. Wenn ich es richtig verstanden habe, ist nur bei EVU Sperre, der Kontakt 143.1 über einen Öffner an 143.4 geschlossen. Wenn jetzt Smart Grid Funktion genutzt werden möchte, muss dieser Öffner, ein Schließer werden. Hier ist aber die Frage, wer diesen Schließer dann ansteuert. Aktuell habe ich an der Verschaltung des 143.1 Kontaktes zum 143.4 nichts geändert. Über einen Shelly schalte ich den angegriffenen Kontakt 143.1 über einen Shelly auf 143.5. Unabhängig ob dieser Kontakt geschaltet ist oder nicht, ist der SG Ready im erzwungenen Betrieb. Das dürfte ja nicht sein, so dass neben einer möglichen Änderung der Verschaltung auch in der Parametrierung geändert werden müsste.!?

Hallo @rheidter 

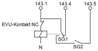
wenn ich es richtig verstehe, hast du eine aktive EVU-Sperre über einen NC-Kontakt und keine harte Abschaltung. Mit Abschaltung geht natürlich gar nichts. Mit NC-EVU-Kontakt kannst du den SG-Modus 3 mit angepassten Parametern aber nutzen.
Du könntest z.B. ein Zwischenrelais mit dem EVU-Kontakt ansteuern.

ABR_2-1757407621794.png

Wenn das Relais anzieht, würde es dann als SG1 den Kontakt an 143.4 öffnen und für Smart Grid den Normalbetrieb einschalten. Hat das Relais einen Umschalter, kann es während einer aktiven EVU-Sperre nicht nur den Kontakt 143.4 schließen, sondern auch gleichzeitig die Phase vom Kontakt SG2 wegschalten, so dass der Eingang 143.5 dann immer offen bleibt und nicht in den erzwungenen Betrieb geschaltet werden kann. Der Parameter 2560.0 muss von "1: EVU-Sperre" auf "2: Smart-Grid" umgestellt werden.
Damit hast du dann diese Zustände, außer dass beide Eingänge geschlossen sind.

ABR_3-1757407962670.png

 

Möglicherweise hast du aber gerade noch ein anderes Problem. Wegen kapazitiver Kopplung zwischen den Adern sorgen längere Leitungen an den Eingängen 143.x dafür, dass diese als geschlossen erkannt werden, obwohl die angeschlossenen Kontakte am anderen Ende offen sind. Wenn dein EVU-Kontakt bisher normal funktionert, sollte es dort erstmal nicht der Fall sein. Wenn der offene Shelly aber jetzt für den erzwungenen Betrieb sorgt, egal ob er geschlossen ist oder nicht, dann sieht es dort so aus. Mit Shelly wäre es das Einfachste, diesen gleich mit kurzem Kabel in der IDU zu verbauen. Eine weitere Lösung ist ein Filter-Kondensator bzw. R-C-Löschglied am Eingang gegen N. Einzelschirmungen der Adern geht auch, ist aber aufwändiger.
Gelöst: Viessmann Climate Solutions Community - Viessmann Climate Solutions Community

Viessmann Climate Solutions Community - Viessmann Climate Solutions Community


Vitocal 252-A AWOT-E 251.A10, SW2532, ohne HZW-Speicher, Radiatoren, 125m²

Hallo Guru III,

 

Danke für die Info. Es ist so, wie beschrieben. Der Kontakt vom Netzbetreiber ist ein NC-Kontakt. Kann ich den 143.1 zum Schalten eines Schütz nehmen, wie beschrieben? Steht ja 230V. Würde mir dann den N vorher abgreifen. Bin mir nur wegen dem 143.1 nicht sicher, ob der das kann.

 

Bzw. Könnte ich den ja dann auch nutzen, um einen Shelly zu betreiben. Über nen Shelly 2 PM hätte ich dann zwei Schaltbare Kontakte. Würde den EVU Kontakt nehmen um die EVU Sperre zu realisieren und einen Ausgang schalten und das Signal aus dem Shelly Zähler um den 2 Ausgang zu schalten. Damit wäre die oben beschriebene Schützschaltung ja realisiert.

 

Der 143.1 sollte einen kleineren Schütz versorgen können. Mit schneller Suche habe ich die Sicherung zwar nicht gefunden, aber so klein kann sie ja gar nicht sein. Da der Schütz im Normalbetrieb angezogen ist und Leistung verbraucht, würde ich hier aber eher zu einem Hutschienenrelais tendieren. Etwa in dieser Größenordnung
Koppelrelais | DRIKIT 230VAC 1CO LD | 2476730000
Du musst ja keine großen Lasten schalten.
Mit Shelly geht es bestimmt auch irgendwie, du musst halt den EVU-Kontakt auswerten und verhindern, dass 143.4 und 143.5 gleichzeitig geschlossen sind.
So wäre es zumindest nach dem derzeit dokumentierten Stand.
An anderer Stelle hat VM aber auch schon dieses Dokument verlinkt.
SG_Ready-Novelle_2025.pdf

ABR_0-1757576569870.png

Demnach entfällt künftig der SG-Modus 4 (erzwungener Betrieb), so dass du den Wechsler gar nicht bräuchtest und der SG2 wieder direkt an 143.1 angeschlossen werden kann. Das wäre mit Shelly dann einfacher umzusetzen.

M.E. ist das in der aktuellen FW 2509 aber noch nicht so umgesetzt, habe ich aber auch nicht getestet.
Hier wurde gerade bestätigt, dass es zukünftig so umgesetzt werden soll.


Vitocal 252-A AWOT-E 251.A10, SW2532, ohne HZW-Speicher, Radiatoren, 125m²

Hallo ABR,

 

nochmal vielen Dank für die Tips, Informationen und Anregungen. Ich hab heute den Shelly installiert und es funktioniert wie beschrieben. Dadurch, dass der EVU Kontakt eine NC Funktion hat, wird diese im Shelly umgekehrt. Da ich die Smart Grid Funktion über nen Shelly Stromzähler erfasse, nutze ich dann diesen um den Wärmepumpen Shelly zu steuern und hierüber die Smart Grid Funktion zu aktivieren. So kann ich jetzt auch den vollen Umfang der Smart Grid Funktion nutzen und bevor ich zu viel Einspeise, mache ich gerade in der Übergangszeit lieber warmes Wasser.

 

Besten Dank also!!!

Top-Lösungsautoren