Hallo
bin gerade am Überlegen ob ich meine Vitocal 300 mit Vitotronic 200 mit einer NC Box (ZK05954 mit Montageset ZK06081) hinter der WP nachrüsten soll und habe versucht mir dazu entsprechende Unterlagen zusammen zu tragen. Ich habe folgendes Schema und eine Montageanleitung bekommen/gefunden aus der ich leider nicht ganz schlau werde.
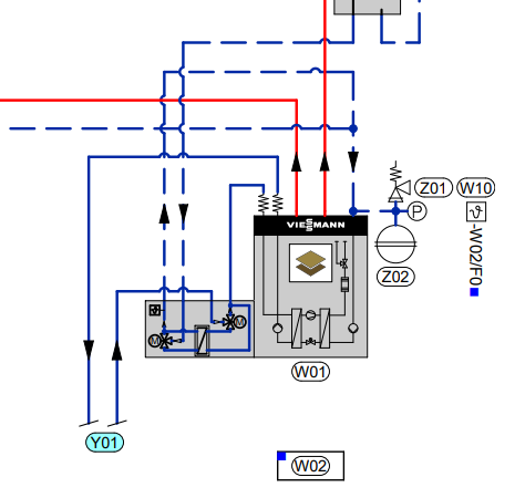
Wo ist mein Abgang für die Kälteleitung aus der NC Box (siehe Schema blaue Linie) Sehe ich es richtig, dass es eigentlich die Vorlaufleitung für Heizung ist und ich vor der Heizungspumpe eine Abzweigung machen muss? Falls ja gehört da nicht noch ein Umschaltventil hinein?
Ebenso ist es in der Monatageanleitung auf Seite 10 etwas verwirren welche Leitungen nun Vor und Rücklauf der Soleleitung sein soll.
Hat jemand vielleicht die Service und Montageanleitung der NC Box und/oder ein anderes Schema für diese Konstellation (Vitocal 300 und NC Box) jedoch ohne Pufferspeicher?
Der Balken im Schema vor der Heizungspumpe soll das ein Verteilerbalken oder eine hydraulische Weiche sein?
Danke für eure Unterstützung!
Habe zwischenzeitlich noch ein anderes Schema, siehe Beilage, bekommen und jetzt ist meine Verwirrung fast komplett 🙂
vielleicht kannst du mir da ein wenig weiterhelfen und mir sagen welches nun das "richtige" ist.
Danke
Hallo Hannes2910,
die NC-Box gilt bei dir für beide Schemen. Einmal mit Mischer und einmal ohne.
Viele Grüße
Flo
Hallo Flo
Danke, aber das beantwortet meine Ursprüngliche Frage, im ersten Beitrag, nicht.
LG
Hannes
Sorry, ich hatte mich auf deinen zweiten Post bezogen, wo du gefragt hast, welches das richtige Schema ist.
Bei den nachfolgenden beiden Bildern kannst du gut sehen, für was welcher Anschluss gedacht ist.


Viele Grüße
Flo
Hallo Floh
Danke!
Kann man dieses Schema (Variante 2) auch verwenden wenn man gesamt 3 FBH Verteiler hat und die Einzelraumregelung via KNX macht?
Der Wärmepumpe ist es egal, wie viel Heizkreisverteiler hinten dran hängen. Für sie ist es ein ungeregelter Heizkreis. Wenn die Einzelraumregelung über KNX gemacht wird, muss sichergestellt sein, dass beim Kühlbetrieb die Stellventile der Fußbodenheizung auch aufgehen. Gekühlt wird, wenn die Kühlgrenze überschritten wurde.
Kühlgrenze = eingestellte Raum-Solltemperatur + 4K
Kühlbetrieb aktiv: Langzeitmittel Außentemperatur (3h) > Kühlgrenze
Kühlbetrieb inaktiv: Langzeitmittel Außentemperatur (3h) < Kühlgrenze - 1K Hysterese
Das Kühlsignal kann auch über 211.5 abgegriffen werden.
Viele Grüße
Flo
Hallo Floh
sehe ich das richtig, dass wenn nach Schema NC gebaut wird man das Montageset ZK06081 nicht verwenden kann, da Bogen 7948930 nicht verwendet werden kann. Welches Formstück von Viessmann wird denn da verwendet oder gibt es für dieses Schema ein eigenes Montageset, wenn die NC Box hinter der WP (Vitocal 300) verbaut wird.
Danke für die Info.
Da die Einbindung auf der Sekundärseite bauseits geschehen muss und dies wiederum von den verwendeten Rohren abhängt, gibt es dafür kein passendes Montageset zur Einbindung in das bestehende System. Dies muss vor Ort entsprechend der vorhandenen Hydraulik gebaut werden.
Viele Grüße
Flo