abbrechen
Suchergebnisse werden angezeigt für 
Anzeigen  nur  | Stattdessen suchen nach 
Meintest du: 

Heizelement 1,5kW Vitocal 060-a

Hallo zusammen,

 

Es geht um das Nachrüsten des Heizelements.

Laut Beschreibung soll auch ein Temperaturfühler und Steuerung dabei sein.

Es ist aber beides nicht mitgeliefert worden.

Anleitung fehlt auch.

Aber ein Halter für einen Fühler ist dabei. 

Kann mich bitte jemand aufklären?

 

Viele Grüße an alle.

6 ANTWORTEN 6

??? Laut welcher Beschreibung? Stell mal ein Bild ein.

 

Tempsensor und Steuerung hat doch die WP. Der Heizstab kommt nur zusätzlich rein. Temperaturmessung und Steuerung macht die WP doch sowieso.

Dachte ich auch. Dann kam die Sensorbefestigung mit:IMG_20230404_133240.jpg

Dann noch mal in der Beschreibung vom Anbieter nachgesehen:

Screenshot_2023-04-04-13-28-20-483-edit_com.android.chrome.jpg

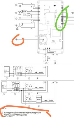
Ah, vielleicht für Sicherheitstemperaturbegrenzer?

Laut Plan ist der schon eingebaut. Muss ja auch ohne Heizstab vorhanden sein. Buchsen für die Sensoren sind alle belegt. Nirgends steht was von einem zusätzlichen Sensor, den man für das Heizelement benötigt.

Kann das bitte Herr Viessmann klären?

Mit dem "Herrn Viessmann" ist das hier so eine Sache ... 😉

Hallo Support,

Können sie aufklären, wozu der angebliche Sensor sein soll?

Sicherheitstemperaturbegrenzer ist ja schon verbaut. Buchsen für Fühler alle belegt.

Screenshot_2023-04-04-21-21-49-272-edit_com.google.android.apps.docs.jpg

Top-Lösungsautoren