abbrechen
Suchergebnisse werden angezeigt für 
Anzeigen  nur  | Stattdessen suchen nach 
Meintest du: 
Beantwortet! Gehe zur Lösung.

C5 Vitocal 300-A läuft nicht

Ich habe das Problem das meine Luft/Wasser Wärmpumpe auf Grund der Störung, ist ja eigentlich nur die Abschaltung der EVU aber nicht mehr weg geht. Vor drei Tagen mal 30min ausgeschaltet dann lief sie wieder, jetzt kommt sie leider garnicht mehr ans laufen. Man liest viel, bin kein Elektriker, aber alle sagen Brücke setzten wenn ich das hier richtig lesen um die EVU mal zu Brücken und zu testen. Ich würde die mit Anleitung auch selbst machen. Wenn mir jemand helfen könnte ? 

IMG_4139.jpeg

IMG_4138.jpeg

Hier scheint alles ok zu sein …

 

IMG_B7AE6379-977C-4C84-A257-15AA83DB7325.jpeg

7 AKZEPTIERTE LÖSUNGEN

Akzeptierte Lösungen

Hallo @ratuesch 

 

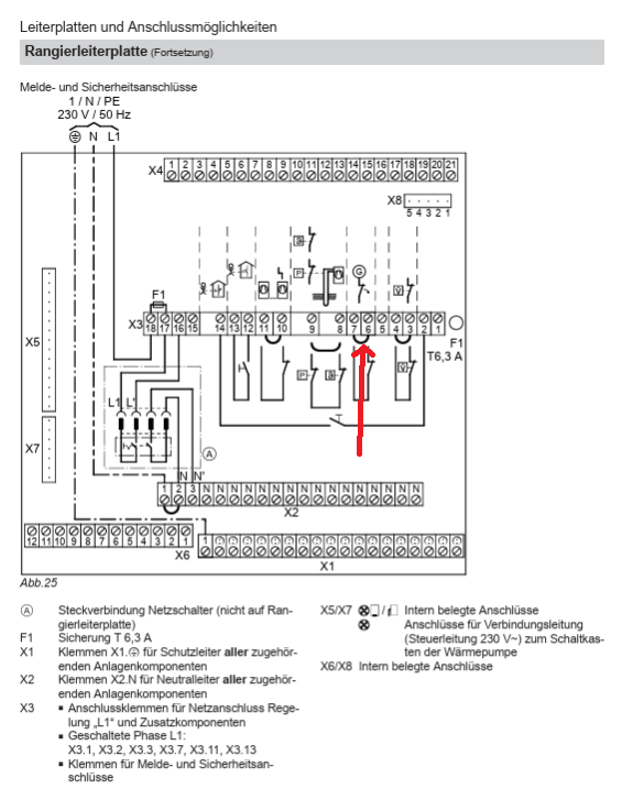
Sie müssen eine Brücke zwischen X3.6 und X3.7 herstellen. Die Klemmen X3 im Inneren der Steuerung sind im Bild markiert.

 

VG

Lösung in ursprünglichem Beitrag anzeigen

2025-08-30 18_24_56-5681874VSA00005_1.pdf – Google Chrome.png
2025-08-30 18_23_54-5681874VSA00005_1.pdf – Google Chrome.png

Super, vielen Dank. 
darf ich so unhöflich drum bitten das Bild per PN zu bekommen. Dann kann ich die herunterladen oder es per Email zu bekommen ? Kann es nicht genau lesen, eventuell bräuchte ich auch ein wenig Hilfe da ich schiss habe 😇

Lösung in ursprünglichem Beitrag anzeigen

Hallo @ratuesch 

 

Schalten Sie an der Vitotronic 200 WO1B-Regelung den Hauptschalter aus. Stellen Sie anschließend eine Brücke zwischen X3.6 und X3.7 her. Dort sind bereits Kabel angeschlossen, die Sie aus den Klemmen ziehen können, falls kein Platz für eine Brücke vorhanden ist.

Schalten Sie anschließend den Hauptschalter wieder ein. Die WP sollte nun funktionieren.

 

VG

Lösung in ursprünglichem Beitrag anzeigen

2025-08-30 18_42_52-5681896VSA00002_1.pdf – Google Chrome.png

Hallo @ratuesch 

 

Die Kabel werden von diesem orangefarbenen Regler mit Spannung versorgt. Nach dem Trennen sind sie spannungsfrei und können daher hängen bleiben.

 

VG

Lösung in ursprünglichem Beitrag anzeigen

Dann sollte es so passen ? 

IMG_4142.jpeg

Lösung in ursprünglichem Beitrag anzeigen

Hallo @ratuesch 

 

Ja, Sie können jetzt den Hauptschalter einschalten.

 

VG

Lösung in ursprünglichem Beitrag anzeigen

Hallo @ratuesch 

 

Sie müssen mit einem Elektriker oder Elektroinstallateur klären, warum der EEV-Schließkontakt nicht schließt. Die beiden Kabel, die Sie abgeklemmt haben, funktionieren wie ein Schalter. Im geschlossenen Zustand ist kein Schloss vorhanden, im entriegelten Zustand ist ein Schloss vorhanden.

 

VG

Lösung in ursprünglichem Beitrag anzeigen

9 ANTWORTEN 9

Hallo @ratuesch 

 

Sie müssen eine Brücke zwischen X3.6 und X3.7 herstellen. Die Klemmen X3 im Inneren der Steuerung sind im Bild markiert.

 

VG

2025-08-30 18_24_56-5681874VSA00005_1.pdf – Google Chrome.png
2025-08-30 18_23_54-5681874VSA00005_1.pdf – Google Chrome.png

Super, vielen Dank. 
darf ich so unhöflich drum bitten das Bild per PN zu bekommen. Dann kann ich die herunterladen oder es per Email zu bekommen ? Kann es nicht genau lesen, eventuell bräuchte ich auch ein wenig Hilfe da ich schiss habe 😇

Hallo @ratuesch 

 

Schalten Sie an der Vitotronic 200 WO1B-Regelung den Hauptschalter aus. Stellen Sie anschließend eine Brücke zwischen X3.6 und X3.7 her. Dort sind bereits Kabel angeschlossen, die Sie aus den Klemmen ziehen können, falls kein Platz für eine Brücke vorhanden ist.

Schalten Sie anschließend den Hauptschalter wieder ein. Die WP sollte nun funktionieren.

 

VG

2025-08-30 18_42_52-5681896VSA00002_1.pdf – Google Chrome.png

Was mache ich mit den Drähten die dort schon drin sind. Wago drauf und baumeln lassen ?

Hallo @ratuesch 

 

Die Kabel werden von diesem orangefarbenen Regler mit Spannung versorgt. Nach dem Trennen sind sie spannungsfrei und können daher hängen bleiben.

 

VG

Dann sollte es so passen ? 

IMG_4142.jpeg

Hallo @ratuesch 

 

Ja, Sie können jetzt den Hauptschalter einschalten.

 

VG

Sie läuft !!!!!!! Yes , warm duschen 🙂 🙂 

 

Daaaaaanke…. 

Interessieren würde mich dennoch was das für ein Problem ist…. 

meeegggggaaaaa…. Urlaub gerettet !!!!

 

🙏🏼🙏🏼🙏🏼🙏🏼🙏🏼🙏🏼

Hallo @ratuesch 

 

Sie müssen mit einem Elektriker oder Elektroinstallateur klären, warum der EEV-Schließkontakt nicht schließt. Die beiden Kabel, die Sie abgeklemmt haben, funktionieren wie ein Schalter. Im geschlossenen Zustand ist kein Schloss vorhanden, im entriegelten Zustand ist ein Schloss vorhanden.

 

VG

Top-Lösungsautoren