abbrechen
Suchergebnisse werden angezeigt für 
Anzeigen  nur  | Stattdessen suchen nach 
Meintest du: 

VITOCELL 340-M

Mir wurde 2011 eine Vitodens 300W mit Solarunterstützung in einem neuen Hause eingebaut.
Das Haus ist lt. Energieausweis A und sollte lt. dem Ausweis einen spezifischen Heizwärmebedarf
von 17,5 kWh/m2a haben.
Die Realität liegt beim 5fachen (obwohl nur ca. 50% der Wohnfläche normal beheizt werden und der Rest auf einen Sollwert von 17 Grd steht).
Nachdem ich seit Jahren einen sehr hohen Gasverbrauch habe und nun eine Modernisierung auf eine 
Wärmepumpe angefragt und den Installateur gewechselt habe, wurde mir mitgeteilt, dass der Pufferspeicher mit ausgetauscht werden muss, da dieser u.a. mit für den hohen Gasverbrauch verantwortlich ist.
Hintergrund ist, dass im Speicher keine Trennbleche (oder so ähnlich) verbaut sind und somit permanent
ein thermischer Kurzschluss vorhanden ist, der dazu führt, dass die Therme permanent am Heizen ist.
Ich frage mich nun, ob das dann nicht ein konzeptioneller Fehler seitens Viessmann ist und warum man dazu nicht auf den Käufer / Verbraucher aktiv zugeht und eine Lösung anbietet (vielleicht sogar entschuldigt, wenn das wirklich so ist. Immerhin habe ich dadurch die letzten 10 Jahre wohl einiges zu viel an Gas verbraucht.

13 ANTWORTEN 13

Hallo,

 

vermutlich ist das ein Missverständnis.

17,5 kWh/m2a wäre ein Passivhaus, da würde man sicher keinen Vitodens einbauen.

 

https://de.wikipedia.org/wiki/Energiestandard

 

Hast du eine Dokumentation  erhalten nach welchem Viessmann HydraulikSchema die Anlage erbaut wurde?

 

VG 

Halo Legende - das ist kein Mißverständnis - ja das ist Passivhausqualität und daher ist der hohe Gasverbrauch ja nicht nachvollziehbar ?
Ein Hydraulikschema hatte ich damals nicht erhalten - das wurde vom damaligen Installateur so angeboten, vorgeschlagen und an uns (da wir einen sehr guten Eindruck hatten) verkauft.

 

Hallo Franz,

 

oben am Vitodens steht die S/N, diese fängt mit 7***an.

Könntest du diese bitte posten.

 

Traust du dir zu den Verkauf der Rohleitungen im Heizungsraum in einer Skizze zu dokumentieren, was wie mit wem verbunden ist und die Skizze hochzuladen?

 

VG Michael

Hi qwert089,
muss ich nachschauen, wenn ich zu Hause bin und melde mich.
Es geht aber darum, dass der Vitodens in sich den Kurzschluss verursacht - ist unabhängig der externen Leitungsverlegung.

 

Hallo,

 

wenn das z.b. nach diesem Schema angeschlossen ist und richtig kodiert, gibt es keinen "Kurzschluss"

 

https://static.viessmann.com/resources/vitodesk/schemes/4605029_10/Documents/4605029_1704_11.pdf

 

VG 

Hi qwert089,
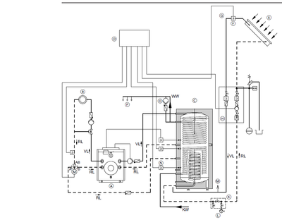
anbei die Skizze bzgl. dem vorhandenen Anschlussschema.
So wie ich das sehe, ist es wie in der Anleitung vom Vitocell beispielhaft angegeben, angeschlossen worden.
Ich habe auch mal diesen Auszug aus der Anleitung beigelegt.
Die Seriennummer ist 7418131102832108.
m.E. liegt es aber nicht an den Anschlüssen, sondern daran, dass im Puffer kein Trennblech (habe das auch mal beigelegt und rot eingezeichnet) vorhanden ist.
Die beiden Temperaturen am Puffer zeigen auch, dass oben auf ca. 60Grd gehalten wird und unten nie mehr als 30 Grd zusammenkommen, da hier das KW einströmt und somit immer nach oben geht, damit nachgeheizt wird (permanent) - das meine ich mit WT Kurzschluss und das hat mir der Installateur auch so erklärt.

VG

Franz

Viessmann_As_Built.jpg

viessmann_340M_Anltg.png

viessmann_340M_innen_Prinzip.png

Eine zusätzliche Frage hätte ich noch - betrifft nun die geplant Ablöse des Speichers und der Therme:
Viessmann hat mir dazu eine Wärmepumpe (leider im Mai bestellt und bzgl. Lieferung auf unbestimmt verzögert)
Typ Vitocall 222-S angeboten.
Ich habe mir das im Detail gerade nochmals angesehen und gesehen, dass für die WW Aufheizung ein Durchlauferhitzer eingebaut ist. Heißt dass, dass die Solarunterstützung für das WW gar nicht mehr zum Tragen kommt ?
Das wäre eigentlich fatal, da ich letzten Sommer das komplette WW über Solar erwärmt (also kein Gas benötigt) habe. Und wenn das jetzt nur mehr über einen Durchlauferhitzer läuft, dann macht das keinen Sinn.
VG


Franz

 

Hallo Franz,

 

ja der Speicher hat kein Trennblech.

Der 120-E hat ein Trennblech und du findest trotzdem dutzenden Beiträge wo sich hier im Forum WP-Besitzer über den horrenden Stromverbrauch beschweren weil ständig der Brauchwasser-Teil heruntergemischt wird.

 

Fall du planst bei deiner WP einen Heizungspuffer einzubauen, solltest du eine 2. getrennten Puffer vorsehen und keine Kombipuffer einsetzen.

 

Theoretisch sollte man den 360-M in Serie vor den Speicher der Vitocal 222 setzen könnten,.

Dann fließt in den Speicher  das im DLE des 360-M erwärmte Wasser.

 

VG Michael

 

 

Hi Michael,

 

vielen Dank für die prompte Rückinfo.

Meine Tendenz geht in Richtung link3 Speicher - sieht vernünftig aus und hat (sofern man dem trauen kann) gute Bewertungen.
VG
Franz

 

Hallo Franz,

 

den  link3 Speicher  kenne ich nicht.

Generell sollte man bei einer WP auf einen Heizungsspeicher verzichten, sofern die Hydraulik und Auslegung das zulassen.

 

Das neue Modell der Vitocall 222-S kommt tendenziell eher ohne einem Speicher aus als die alte Vitocall 222-S.

 

https://ingenieurbuero-heckmann.de/effizienzsteigerung-waermepumpe/

 

VG Michael

 

Hi Michael,

 

meine Solar ist ja vorhanden und erst 10 Jahre alt - wäre schade drum (-;

Gruß

Franz

Hallo Franz,

 

die würde ich nur noch für WW Bereitung verwenden und den 340 weiter benutzen.

und zusätzlich noch PV Module montieren.

 

VG Michael

PV ist vorhanden 😊:

Franz_Z_0-1670314461695.png

 

Top-Lösungsautoren