abbrechen
Suchergebnisse werden angezeigt für 
Anzeigen  nur  | Stattdessen suchen nach 
Meintest du: 

Hilfe, Vitodens 300 WB3A BJ 2004 fast 500.000 Brennerstarts

 

Hallo in die Runde,

ich wende mich mal an euch, da ich mich einfach nicht gut genug mit Heizungsregelungen auskenne und mich etwas scheue selber Werte an der Anlage anzupassen.

Dieses überlasse ich lieber den Experten, die sich wirklich damit auskennen.

 

Wir haben uns 2016 ein 13 Jahre altes Haus im Bungalow Stiel gekauft. (Gasbeton)

Doppelstöckig mit 166qm Nutzfläche und ca. 143qm Wohnfläche.

OG, Wohnraum

UG, früher Einliegerwohnung, jetzt schlafen und Büro.

Verbaut ist eine Viessmann Vitodens 300 WB3A BJ 2004 (glaube ich).

Leider kenn ich mich nicht genug aus um zu sehen wieviel Heizkreise es sind, vermutlich aber nur einer.

Es wurden FBH und Wandheizkörper in dem selben Kreislauf verbaut, weiter unten mal eine Aufstellung.

 

Nach unserm Einzug habe ich mit einem Bekannten gesprochen (Meister bei Viessmann, dieser ist aber leider nicht mehr verfügbar) ob er bitte über die Heizung und eingestellte Regelung schauen kann. Dabei kam heraus, das die Heizung vollkommen Falsch eingestellt war, das eingestellte Niveau lag bei 1,8.

Ich sollte bitte die Neigung und das Niveau an Fußbodenheizungsbetrieb anpassen, die Thermostate immer AUF lassen und schauen ob sich eine konstante Raumtemperatur von 22°C einpegelt. Das hab ich dann nach langem Testen auch gut hinbekommen.

 

Dann Ca. 1 Jahr nach Einzug habe ich eine Heizungseartung durchführn lassen und es sah wohl so aus das es die erste vernünftige Wartung war. Im Brennraum lag sehr viel Ruß, ca. 1/3 war voll, usw.

 

Jetzt zu meinem Problem, bei der letzten Wartung in dieser Woche ist mein Heizungsmonteur fast aus allen Wolken gefallen.

Die Anzahl der Brennerstarts beträgt bei 20196h Betriebsstunden 484560 !!!

Er meint meine Heizung sei überdimensioniert aber er kann da auch nicht viel machen, da hilft wohl nur eine neu Therme.

Ich hab auch versucht mich hier im Forum etwas einzulesen aber komm da einfach nicht weiter, eventuell könnt ihr mir bei meinem Problem helfen.

Leider hab ich keinerlei Unterlagen über die Heizungsanlage vom Vorbesitzer bekommen, was genau verbaut ist und was bei der Installation und Inbetriebnahme gemacht wurde.

Im Anhang ein paar Fotos und nachfolgend ein paar Angaben die ich zur Heizung gefunden Habe.

 

Ein paart Angaben zur Heizung:

Viessmann Vitodens 300 WB3A 26kW mit Vitocell 100 (CE-0085 BO 0338)

Flüssiggas

Außensensorgeführt

Heizung ist auf 24h Betrieb ohne Nachtabsenkung

Brennerstunden: 20196

Brennerstarts:    484560

WW Temp:         50°C

Niveau                0.5

Neigung               3

Normale Raumtemperatur eingestellt am Gerät 21°C

 

Werte COD1:

Anlagenschema:             00:2

Kessel max Temp:          06:75

Gasart                             1E:1

Entlüftung/Belüftung:     2F:0

Sommerspar.A1:            A5:5

Vorlauf.Min.Temp:          C5:20

Vorlauf.Max.Temp:         C6:45

Neigung A1:                   d3:5

Niveau:                           d4:3

 

Verbrauch Flüssiggas: 573,288 cdm

(01.10.2020 - 24.09.2021)

 

Haus BJ 2005

OG: 85qm wohnlfläche

Wz: 26qm FBH                                      An, Thermostat komplett auf

Diele: 12qm FBH                                   An, Thermostat komplett auf

Küche: 14qm FBH                                 An, Thermostat komplett auf

Bad: 8qm FBH + Handtuchheizkörper  An, Thermostat komplett auf

KZ: 14qm Wandheizkörper                    An, Thermostat komplett auf

GZ: 11qm Wandheizkörper                    Aus

HWR: 7qm Wandheizkörper                 Aus

 

KG: 48qm Wohnfläche

diele: 9qm FBH                                     Aus

Büro: 6qm FBH                                     An, Thermostat komplett auf

SZ: 17qm FBH                                       Aus

SZ: 12qm Wandheizkörper                    Aus

Bad: 6qm  FNH + Handtuchheizkörper Aus

 

Ich hoffe ich konnte mich einigermaßen verständlich ausdrücken, sollte Ihr noch irgendwelche Informationen benötigen dann sagt einfach bescheid.  

IMG_4124.jpeg
IMG_4122.jpeg
IMG_4120.jpeg
IMG_4119.jpeg
IMG_4118.jpeg
IMG_4121.jpeg
IMG_4117.jpeg
IMG_4123.jpeg
IMG_4126.jpeg
IMG_4125.jpeg
96 ANTWORTEN 96


Hallo YvesSun,

 

Grafik sieht doch gut aus.

 

Schade das die ersten 10 Minuten vor der Raumsolltemp- Änderung nicht mit drauf sind sonst könnte man genau sehen wie sich die Vorgabelinien verändern.

 

Die Wärmeabgabe ins Haus (Volumenstrom) ist bei dir kein Problem. Auch das es nach Ende des langen Taktes nicht mal 2 Minuten gedauert hat bis der Brenner wieder anspringt zeigt das.

 

Das mit dem C6 kannst du vergessen. Stell ihn zur Sicherheit der FBH auf 55° und gut is.

 

Am Beginn des langen Taktes ist nun genau zu sehen wie eine gelungen Startphase aussieht. Demnach wird die VLT beim Start durch den Startwärmeüberschuss um 17° angehoben (VLT vor Start bis oberer Scheitelpunkt). Da der Brenner aber bei einer VLT die die Vorgabe um ca 9° überschreitet zwangsabschaltet wird jeder Start abgebrochen. Was wir hier gemacht haben ist einmalig die Vorgabelinie um 6° angehoben und so kommt der Brenner übern Berg (die 17°).

 

Du könntest diesen Trick testweise mal weiter ausprobieren.
1.) Die Raumsolltemp wieder auf die Ausgangssituation zurücksetzen (21°).
2.) Warten bis der Brenner anspringt. Dauert ja bei dir nicht so lange. 🙂
3.) Binnen den folgenden 20 Sek nach dem Start die Raumsoll manuell auf 24° stellen.
4.) Nach ca 2,5 Minuten oder wenn hörbar der Brenner runtermoduliert die Raumsoll wieder auf 21° stellen.
5.) Auf den nächsten Start warten und obige Prozedur wiederholen.
6.) Ideal währen 3 solche Takte nacheinander aufzeichnen.
7.) Ich schätze mal das dann die Takte so ca 20 Min an gefolgt von 3 Minuten aus ausfallen.

 

Wenn das der Weg ist vom Takten wegzukommen könnte man vielleicht dieses über die Schnittstelle automatisieren.

 

Nach wie vor liegt aber die eigentliche Ursache am Startmodulationsverhalten des Vitodens.

 

Grüsse Leuchtturm83

 

@Leuchtturm83 

Ich hab das ganze mal versucht durchzuspielen, allerdings mit einer normalen RT von 22°C und VL Max 45°C

- Die ersten 3 Starts sind von 22°C auf 24°C 

- 4 & 5 sind von 22°C auf 26°C

dann konnte ich nicht mehr weiter machen weil Frau und Kind gekommen sind 😉

 Bin mir aber nicht sicher ob ich zu früh wieder zurück auf 22°C gestellt habe, ich kann den Versuch morgen noch einmal wiederholen, wenn es was bringt auch mit 55°C VL max.

 

"Schade das die ersten 10 Minuten vor der Raumsolltemp- Änderung nicht mit drauf sind sonst könnte man genau sehen wie sich die Vorgabelinien verändern."

Soll ich den Versuch noch einmal mit 75°C wiederholen aber mit einer längeren Vorlaufzeit bevor auf 26°C RT gestellt wird?

 

Auf S.14 bei mir im Handbuch ist zur max. leistung nix zu finden, vermutlich eine andere Rev. von der Bedienungsanleitung bzw. Servicehandbuch.

Ich schau mal ob ich irgendwo was dazu finden kann.

Test.jpg

Versuche mal, aber vermutlich ignoriert er es.

qwert089_0-1637179872792.png

 

Aber das ist doch jetzt ein schönes Ergebnis wenn du das Gerät zum modulieren bringen kannst.

 

Man könnte dann per Raspberry und dem Optolinkkabel nach einem erfolgreichem 30 Min Durchlauf den Sollwert reduzieren, damit er eine längere Pause macht, bis der Estrich wieder kühler ist, dann sollte er die 1. Min überstehen. Zur Not kann man auf dem Weg auch den Sollwert erst höher setzen und nach 2 Min wieder automatisch reduzieren.

Technisch wäre das umzusetzen, ist nur mehrere Stunden Programmieraufwand.

 

oder du schaust bei ebay(Kleinanzeigen) wegen einer  Erweiterung H1 oder H2 und sperrst in darüber nach jedem Durchlauf für eine gewisse Zeit.

Wenn ich mir die ganze Sache so anschaue, dann ist wohl die externe Taktsperre die einzige vernünftige Lösung.

Das günstigste für mich wär es wohl, wie es @Fiedel schon super beschrieben hat, die Steuerung mit meiner Logo zu realisieren. Muss nur mal sehen wie ich es von der Zeit her schaffe und in die SPS Programmierung muss ich mich auch erst wieder einarbeiten, sollte aber nicht weiter schwierig sein.

 Morgen schau ich ob es mit der Heizleistung was bringt, bzw. ob sich was einstellen lässt.

Die Signal Ein/Ausgänge für die externe Taktsperre sind ja sicher im Servicehandbuch zu  finden.

Hallo YvesSun,

 

Zwei Dinge sind mir an der Grafik aufgefallen:
1.) Die Zeitachse deiner Grafik ist leider nicht Linear wodurch viele Annahmen zur Laufzeit falsch sind. In deiner letzten recht hoch aufgelösten Grafik war für mich dieses erstmals zu erkennen. So habe ich im Bild unten mal die tatsächlichen Abstände in Sekunden anhand des Zeitstempels ermittelt und oben mal Maßstabgerecht gezeichnet. D.h. wir reden eigentlich über Brennerlaufzeiten von 30 - 40 Sekunden anstelle 2-3 Minuten!!

 

2.) Schön zu sehen sind die Auswirkungen deiner Eingriffe in die Programmierung. Nur leider hast du die Rüchnahme der Überhöhung zu früh vorgenommen (Runtermodulieren des Brenners) weswegen der gewünschte Effekt nicht zum Tragen kommt. Probiere es doch noch mal mit Raumsoll 21 als Basis auf Raumsoll 24 während der Startphase und Rücknahme nach ca 2 Minuten. Gewünschter Effekt: Siehe gestrichelte Linie.Grafik4.png

Der C6 spielt hier keine Rolle mehr.

 

Was den Graph angeht. Vielleicht gibt es ja die Möglichkeit in deinem Logging Programm einen Linearen Zeitgraph einzustellen.

 

Grüsse Leuchtturm83

ja, leider ist die Zeitachse nicht linear.

Ich nutze V-Control und dort ist für die Datenaufzeichnung ein Intervall von 1min einsgestellt + Datenaufzeichnung wenn der Brenner gestartet wird.

1min ist leider der kleinste Wert, da hier keine xls Dateien hochgeladen werden können schiebe ich die Files mal auf die Dropbox und füge den Link an.

Hier mal die Tabelle vom letzten Diagramm mit allen Zeitstempeln, das Diagramm ist auf dem zweiten Tabellenblatt.

Wenn ich nach 2min erst zurück schalte dann ist der Brenner allerdings schon wieder aus.

 

https://www.dropbox.com/s/0bwscngj0jmnju0/v-control.xls?dl=0

 

habs 5x durchlaufen lassen

- kurz nach Brennerstart von 21°-24°C nach 2min zurück auf 21°C.

 

https://www.dropbox.com/s/91dotwpqa03ft5t/18.11.%2001%20RT21-24%C2%B0%202min%20nach%20Start.xlsx?dl=...

 

@qwert089 

mit der Umstellung der max. Brennerleistung hat geklappt, hab sie mal auf 80% gesetzt und teste 

Diagramm.jpg

Hier hast du den richtigen Zeitpunkt erwischt.

Es kommt trotzdem nicht zum Modulieren weil die "künstliche Überhöhung" nicht ausgereicht hat.

Der C6 steht doch über 50?

Probiere es doch noch ein letztes mal mit Raumsoll von 21° auf 26°.

Es währe schon schön wenn man 2 modulierende Takte nacheinander mal hinkriegen würde.

Das Überströmventil im Gerät ist aber zu?

 

Grüsse Leuchtturm84

Also ich bin folgendermaßen vorgegangen.

1. ca. 2-3s nach Brennerstart hab ich die RT von 21° auf 24° erhöht und gleichzeitig einen 2min Timer am Handy gestartet

2. nach den 2min wurde die RT zurück auf 21° gestellt

3. das ganze wurde 5x wiederholt

 

- C6 war nur bei 45°, eventuell war das ja der Fehler oder waren die 2min zu kurz?

- Das Übersrtömventil ist das am Bypass oder? Das ist noch nicht ganz zu. 

Werde das Ganze morgen noch einmal mit komplett geschlossenem Ventil und C6 = 55° Wiederholen. Soll ich länger warten bis auf 21° zurückgestellt wird?

 

@qwert089  Die reduzieren der Brennerleistung auf 80% hat keinerlei Veränderungen gebracht

Ja, das  war fast zu befürchten. Danke für den Test

Man soll nichts unversucht lassen...

 

Für die Taktsperre bräuchtest du bei deinem Gerät glaube ich einer der Erweiterung.

Aber schau dir selbst das Handbuch durch.

@Leuchtturm83 

so, ich hab den den Brenner heute zum Modulieren gebracht.

Allerdings nicht bei 26°RT sondern 30°, ich wollte es noch mit 28° testen, da komme ich aber erst heute Nachmittag oder morgen dazu.

 

Bedingung:

- C6: 55°C

- zurückschalten auf 21°C RT nach 3min

- Überströmventil komplett zu

 

- Die ersten 5x sind 21° - 26°C - keine Modulation

- 1x Modulation bei 21° - 30°C

 

https://www.dropbox.com/s/7g0lwlqbxmpaifd/21-26-30.xlsx?dl=0

 

Diagramm 21-26-30.jpg

Hallo YvesSun,

 

Da sind wir schonmal ein Stück weiter.

Die 3 Minuten bei 30 sind schon zu lange. Zum Zeitpunkt an dem du zurückgeschaltet hast war die VLT für den Raumsoll 21°-Betrieb schon zu hoch weswegen dieser Takt auch sofort abgebrochen wurde.

 

Also nochmal probieren mit 2 Minuten Abstand und Raumsoll 21 auf 30, Umschaltung kurz nach Brennerstart

Ideal währen 3 korrekte Takte hintereinander.

 

Ich habe aber noch ein Rätsel für dich!

Habe mir die Rohdatentabelle mal angesehen und auf ein lineares Zeitraster gesetzt.

Dann hab ich gesehen das du die Rücklauftemperatur auch mitloggst und diese mal mit in die Grafig gebracht. Hier nun die entsprechende Grafik:

 

Modul Temp3.png

Seltsam ist hier, das während der Brenner in der Startphase ist die Rücklauftemperatur die Vorlauftemperatur um satte 16° überholt ?!?

 

Theoretisch müsste es so sein, das wenn der Brenner aus ist die Rücklauftemperatur geringfügig über der VLT liegen sollte. Wenn der Brenner läuft muß die VLT höher sein als die RLT. Doch wo kommt die Wahnsinns Wärme her?.

 

Hier sieht man auch das die Spreizung unmittelbar vor dem Takt der moduliert viel grösser ist als die Spreizung vor dem nächsten Takt. Deswegen währe es auch gut 3 aufeinaderfolgende modulierende Takte mal zu sehen.

 

Grüsse Leuchtturm83

 

 

 

 

 

Hallo @Leuchtturm83 ,

 

da diese Gerät weder einen Rücklaufsensor hat, noch einen Volumenstrom Sensor um die Rücklauftemperatur auszurechnen, würde ich eher auf die Abgastemperatur tippen?

Den Sensor gibt es.

 

Oder kommt die Abgastemperatur extra in den Daten vor.

 

VG 

Die einzig plausible Erklärung ist das es sich bei dieser Datenreihe um die Abgastemperatur handelt. Demnach liegt der Fehler in der Datenbeschriftung der Logger- Software.

 

Tabelle x.png

Grüsse Leuchtturm83

 

Die Adressen sind leider fest codiert direkt im Programm hinterlegt, die Anlage hat nur einen Sensor für den Vorlauf.

hatte mir extra ein Shelly 1 mit Temperatur Addon bestellt, aber die Werte taugen nicht viel, das Messintervall zu groß ist.

werde mir nächste Woche mal iobroker auf meinem Werkstatt Rechner installieren, da lässt  wohl das Intervall einstellen.

Dann wiederhol ich auch gleich nochmal den Test.

FHEM ist auch sehr gut für sowas...

Eine Sache ist mir noch aufgefallen.

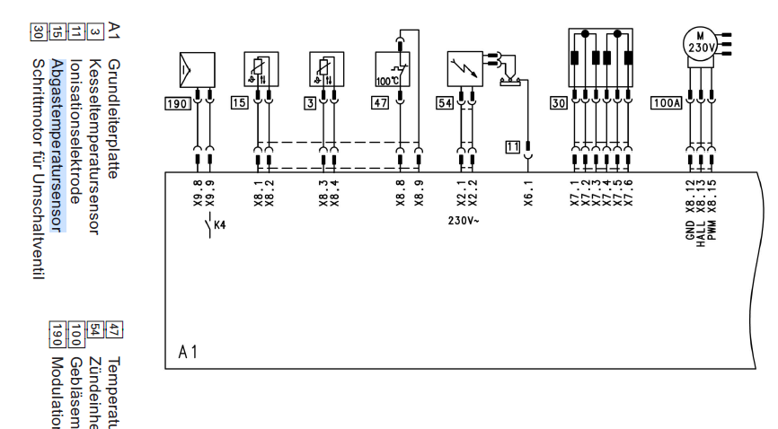
Ich habe bei meiner B2HB- Anlage mal nachgesehen und festgestellt, das die Abgastemperatur eigentlich immer ca 3° unter der VLT liegt, auch während des Starts. Dass läßt vermuten das bei dir vielleicht die Sensoren für Kesseltemperatur (3) und Abgastemperatur (15) vertauscht sind. Die Anschlüsse liegen an der Platine direkt nebeneinander und die Sensoren kaben die gleiche Kennlinie.

Sensoren2.png

 

Hier die Positionen der verbauten Sensoren.

ATS.png

Sensoren3.png

Ein einfacher Test könnte Klarheit bringen. Einfach mal die Steckverbindung oben am Abgassensor abziehen und schauen welchen Sensor die Steuerung reklamiert. Aber nur machen wenn du dir das zutraust, und auf keinen Fall den VLT- Tauchsensor rausziehen!!

 

Grüsse Leuchtturm83

 

 

Hab es mal getestet, die Sensoren sind richtig angeschlossen. Es kommt der Fehler Abgassensor.

Ich werd ihn mal abziehen wenn die Software loggt, dann sollte man ja sehen welche Linie zusammenbricht.

@Leuchtturm83 

ich hab das ganze jetzt nocheinmal durchgespielt und der Brenner hat 3x moduliert

- C6 55°

- Änderung RT 21° - 28° nach 2min zurück

 

https://www.dropbox.com/s/nj2qn6w1wubojwc/Diagramm_v-control.xlsx?dl=0

 

 

Diagramm.jpg

Na das sieht ja schonmal gut aus.


Es gibt 2 korrekte Takte. Der erste mit 30 Minuten Laufzeit gefolgt von 13 Minuten Pause.

Der zweite mit 24 Minuten Laufzeit. In der folgenden Pause kommt allerdings eine WW- Bereitung dazwischen. Damit verringert sich das Taktverhalten ca um den Faktor 10.

 

Damit ist klar, das die Anlage prinzipiell OK ist.
Die Ursache liegt nun einzig in der Abgabe der beim Startvorgang entstehenden Überschusswärme, die bei jedem Start den Abschaltpunt des Brenners überschreitet. Z.B. bei einer Solltemperatur von 32,6° schaltet der Brenner ab wenn der VL 7° höher erreicht (39,6). Danach startet der Brenner wieder wenn der VL 3,6° der Sollvorgabe unterschreitet (29). Während der Startphase können andere Parameter gelten. Es gibt keine zugänglichen Parameter mit denen das verhindert werden kann. Ein zu niedrig stehender C6: sorgt allerdings auch für ein Zwangsabschalten (mind. 55°).


Bliebe als zweitbeste Lösung den hier angewendeten Trick über eine Steuerung zu automatisieren was aber sehr aufwändig ist.
Die Beste Lösung ist das was sowieso schon jeder gesagt hat: Volumenstrom erhöhen um das der Kessel besser gekühlt wird und die Startwärme erst gar nicht so hoch werden lassen. Es gab schon Fälle bei denen ein ordentliches Spülen ausgereicht hat oder die Pumpenleistung nicht mehr ausgereicht hat.

 

Wenn man die Abgastemperaturwerte (Datenpunkt Rücklauf?) mit betrachtet ist zu sehen, das die VLT sehr träge hinterherhinkt. Bei meinem B2HB ist die Abgastemperatur bis auf eine kurze Zeit direkt nach Brennerstopp immer unterhalb der VLT. Das könnte ein Indiz auf einen schlechten Tauscherwirkungsgrad bedingt durch Ablagerungen sein. Merkwürdig ist auch, das in den Taktpausen die Abgastemp höher als die VLT ist. Wo soll die Differenz herkommen? Ist aber Spekulation, besser währen Referenzdaten einer baugleichen Anlage.

 

Grüsse Leuchtturm83

Hi,

 

zuerst einmal vielen Dank für deine Mühe und die ausführlichen Informationen.

Langsam verstehe ich etwas mehr vom Regelverhalten der Heizung.

Erst einmal gut zu höheren das die Anlage und Regelung im Prinzip ok ist aber so wie es ausschaut ist der Aufwand wohl enorm, ich kann zwar etwas programmieren allerdings sprengt das den Rahmen meiner Fähigkeiten. Eine externe Steuerung über SPS ist ja leider nicht möglich.

 

"Die Beste Lösung ist das was sowieso schon jeder gesagt hat: Volumenstrom erhöhen"

Hier kann ich mir gut vorstellen, dass es einige Ablagerungen in den Verrohrungen gibt.

Wir haben bei uns sehr kalkhaltiges Wasser, ich kann mir auch nicht vorstellen das vor 15 Jahren die Anlage mit VE-Wasser befüllt wurde.

Aus diesem Grund hatt ich die WW Temp auch nur auf 53°C stehen, ich gelesen, dass ab ca. 55°C die Kalkpartikel ausflocken. 

Keine Ahnung ob es überhaupt was bringt, meine Heizungsbauer brauch ich dazu nicht fragen, er hat auch nur auf meine Bitte die Opferanode im WW Speicher getauscht.

Wie aufwändig und Kostenintensiv ist so eine Spülung? Betrifft es nur die Verrohrung fürs Wasser oder auch die FBH?

Den Vollumenstrom kann ich im OG lieder nicht Prüfen, es ist zwar ein WW Zähler verbaut, nur ist die Batterie leer, laut Recherche ist er dann Schrott.

Im UG liegt er bei 0,493m3/h.

zitat:
Hier kann ich mir gut vorstellen, dass es einige Ablagerungen in den Verrohrungen gibt. Wir haben bei uns sehr kalkhaltiges Wasser, ich kann mir auch nicht vorstellen das vor 15 Jahren die Anlage mit VE-Wasser befüllt wurde.

 

Die paar Gramm Kalk durch die Erstfüllung sind längst irgendwo verteilt in dem geschlossenem Heizkreis. Das Kalkproblem gibt es nur beim Trinkwasser als Warmwasser.

 

Zitat:
Wie aufwändig und Kostenintensiv ist so eine Spülung? Betrifft es nur die Verrohrung fürs Wasser oder auch die FBH?

 

Schwer zu sagen. Da fehlt mir die Erfahrung. Als bei mir in 2019 die Brennwertheizung eingebaut wurde hab ich gesehen das gespült wurde (auch die FBH) und das eine enorme partikelbelastete Dreckbrühe rauskam. Die neue Heizung hat jetzt einen Schlamm- und Magnetitabscheider.

 

Wenn die Ursache aber im Wirkungsgrad des Wärmetauschers im Wärmeübergang von der Flamme zu den wasserführenden Rohren liegt nutzt ein Spülen innerhalb der Rohre nichts. Im Grunde könnte sich ein Belag im Brennraum bilden und zu einer art Isolierschicht werden. Wurde der Brennraum regelmässig gereinigt? Da ich kein Heizungsfachmann bin und mein Wissen hauptsächlich von meiner Anlage stammt kann ich hier nur unverbindliche Überlegungen anstellen.

 

Wenn es meine Anlage währe würde ich testweise mal zu einer rabiaten Massnahme greifen und die Sensoren für Abgas und Kesseltemperatur an der Platinenklemmleiste tauschen für einen begrenzten Zeitraum. Die sitzen nicht weit voneinander entfernt, der eine misst die Lufttemperatur, der andere die Wassertemperatur die proportional zueinander laufen. Der Unterschied ist aber das der Abgassensor viel flinker reagiert und damit die Regelung zeitnaher den Weg zur kleinen Modulation beginnt (So die Theorie).

 

In einem früheren Threat habe ich mal ein Märchen verfasst in dem es um die Trägheit von Sensoren geht:

 

Mike Z. hat Freude am Autofahren.

Darum hat er auch einen Nebenjob als Kraftfahrer angenommen.

Er soll einfach nur ein Auto mit genau 50 KM/h fahren, aber auf keinen Fall mehr als 55 !
Was er allerdings nicht weiss ist, das der Tachosensor schlecht montiert wurde und der Tacho den korrekten Wert dadurch erst 10 Sekunden zeitversetzt anzeigt.

 

Mike Z. gibt also Gas und das Auto fährt los.
Auto fährt 15, Tacho zeigt 5 KM/h,
Auto fährt 25. Tacho zeigt 15 KM/h,
Auto fährt 40. Tacho zeigt 25 KM/h,
Auto fährt 50, Tacho zeigt 35 KM/h,
Auto fährt 60, Tacho zeigt 45 KM/h,
Es erfolgt Zwangsbremsung weil die Maximale Geschwindigkeit von 55 KM/h überschritten wurde.

 

Dieses Spiel wiederholt sich noch ein paar mal.

Mike Z. versteht die Welt nicht mehr ist er sich doch sicher keinen Fehler gemacht zu haben.

Sein Chef denkt: Der ist zu do.. um 50 zu fahren.

 

Und wenn niemand Mike Z. gesagt hat, das der Tachosensor nicht richtig angeschlossen war grübelt Mike Z. bis Heute warum er zu do.. zum Autofahren sein soll.

 

Grüsse Leuchtturm83

Top-Lösungsautoren