abbrechen
Suchergebnisse werden angezeigt für 
Anzeigen  nur  | Stattdessen suchen nach 
Meintest du: 
Beantwortet! Gehe zur Lösung.

Vitocrossal 300 CU3A 13 Fehlermeldung 58

Hallo,

unsere neue Anlage wurde letze Woche installiert und es erscheint immer der Fehler 58 Fehler Sensor vom Warmwasserspeicher.

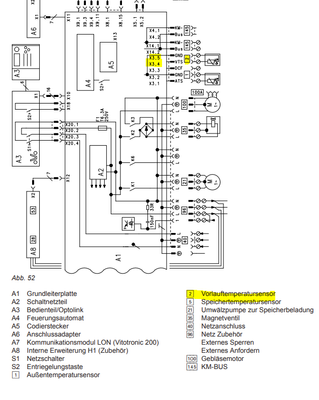
ich habe mir den elektrischen Anschlussplan am Abdeckblech angeschaut.

Hier wird der Sensor am Orangen Stecker (X3) an pin 4 und pin5 angeschlossen.

Schaut man in der Montageanleitung für Fachkräfte Stand 01/2021 Seite23 ist der Sensor an X9 angeschlossen den Stecker kann ich nicht finden, es geht lediglich ein schwarzes 2 adriges Kabel nach unten .

Mein Heizungsbauer weis nicht mehr weiter, selbst bin ich in der Entwicklung bei einem Messtechnikhersteller tätig und möchte den Fehler lokalisieren.

grüße

 

 

1 AKZEPTIERTE LÖSUNG

Akzeptierte Lösungen

Anbei noch 2 Fotos vom Stromlaufplan ( 1x Abdeckblech und Manuel )

Lösung in ursprünglichem Beitrag anzeigen

IMG_4089.jpeg
IMG_4088.jpeg
10 ANTWORTEN 10

Schreib mal die Seriennummer.

Aber wenn ich mich recht erinnere, ist der Anschluss X3 für den Aussenfühler vorgesehen. Für den Speicher sollte ein separater Anschluss vorhanden sein Die Steckerbuchse befindet sich an einer kleinen Kabelpeitsche, das Gegenstück ist direkt am Speicherfühlerkabel befestigt. Recht klein und weiss, glaub ich. Zweipolig.

Guten Morgen,

die Seriennummer ist 777631010168123. Die Kabelpeitsche kann ich nicht finden, da das besagte Kabel nach unten geht und man dieses nicht hochziehen kann. ( starker Widerstand).

Am Abdeckblech ist die Verdrahtung von beiden Fühlern dargestellt .

Anbei noch 2 Fotos vom Stromlaufplan ( 1x Abdeckblech und Manuel )

IMG_4089.jpeg
IMG_4088.jpeg

Geraden der Serviceanleitung gesehen, Anschlussplan Abdeckung und Serviceanleitung 5/2019 Stromlaufplan identisch .

IMG_4090.jpeg

Hallo,

 

die Regelung zeigt demnach keine WW Temperatur an?

Fehler 58 sagt kein WW Temp Sensor erkannt.

 

https://vilcaso.de/content/pdf/viessmann/installationsanleitung-viessmann-vitocrossal300.pdf

 

Stecker 5 hast du gefunden?

qwert089_0-1686904985841.png

 

da ist etwas angesteckt.?

 

Dann würde ich systematisch vorgehen.

X9 abziehen und den Widerstand messen

Stecker 5 trennen und Widerstand des Sensor messen und evtl den des Kabels zwischen Stecker 5 und X9

 

VG

Hallo,

Der Heizungsbauer hat den Sensor wie auf Stromlaufplan am X3 pin 4 und 5 angeschlossen.( oranger Stecker )

Am Flachstecker x9 ist nach dem Stromlaufplan der Sensor nicht angeschlossen. Schaut man im Servicemanual die Prüfung des Sensors an ist dieser entgegen dem Stromlaufplan an X9 angeschlossen.

Beim X9 kann ich keine Steckverbindung finden wo ich den Sensor anstecken kann.

 

an Pin 4 und 5 kommt der Vorlauftemperatur Sensor

Hat deine Anlage überhaupt einen Mischer und Vorlauftemperatur??

 

qwert089_0-1686906195478.png

 

Nein habe beides nicht, ich werde das Kabel von x9 ( 2 adrig nach unten verfolgen.

 

hallo,

ich habe den Fehler gefunden, der Heizungsbauer hatte den Stecker falsch angeschlossen

Drücken wir die Daumen, dass zukünftig nichts kaputt geht und dann dieser Monteur die Fehlersuche machen muss 😉

Top-Lösungsautoren