abbrechen
Suchergebnisse werden angezeigt für 
Anzeigen  nur  | Stattdessen suchen nach 
Meintest du: 

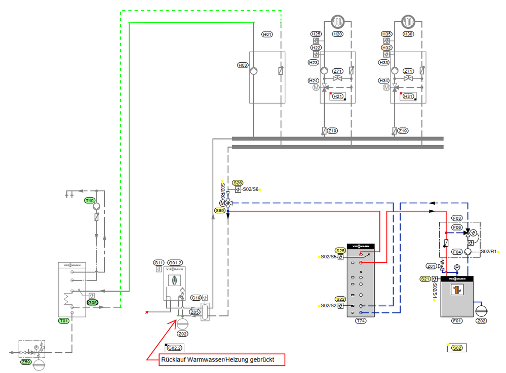
Anlagenschema wassergeführter Kaminofen

Hallo Community,

 

hat man beim unten gezeigten Anlagenschema, auch eine Unterstützung des WW-Speichers durch den wassergeführten Kaminofen? Danke für eure Antwort im Vorraus.

Screenshot 2023-02-09 104637.png

2 ANTWORTEN 2

Moin Maddin,

 

bei deinem Schema, wenn es denn genau so gebaut ist, wird nur der Pufferspeicher, jedoch nicht der WW-Speicher geladen. Der bekommt seine Energie nur von der Gastherme. Du hätten sonst einen Bi-oder Multivalenten Pufferspeicher mit integrierter WW-Wendel verbauen müssen. So dient der Puffer nur als Energiespeicher für den Kamin und damit natürlich zur Heizungsunterstützung.

 

Beste Grüße

Hallo,

 

@vdensdanke für deinen Beitrag.

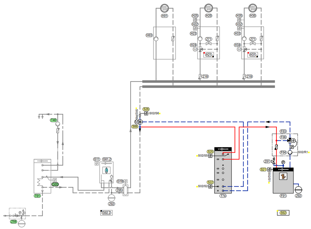
Ich habe mir weiterhin Gedanken gemacht, wie ich beim Vitodens 200 Kombigerät am besten mit meinem geplanten wasserführenden Ofen kombiniere, sodass ich nicht nur die Heizkreise sondern auch Warmwasser unterstütze. Dazu habe ich das bereits gezeigte Anlagenschema etwas modifiziert.

SchemaUmbau.png

Mit einer Divicon ohne Mischer, kombiniert mit der externen Erweiterung zur Ansteuerung der Pumpe (Umwälzpumpe zur Speicherbeheizung) kann man den Speicherwasserwärmer doch auch beladen? Was für mich noch nicht klar ist, was das Dreiwegeventil beim nutzen der Erweiterung mit externer Umwälzpumpe macht? Daher die Brücke der beiden Rücklaufanschlüsse. Gibt es Einwände bei diesem Schema?

Top-Lösungsautoren