abbrechen
Suchergebnisse werden angezeigt für 
Anzeigen  nur  | Stattdessen suchen nach 
Meintest du: 

Vitodens 200w Anbindung an Hygienespeicher

Schönen guten Tag,

ich habe folgendes Problem und bräuchte dabei etwas Hilfe.

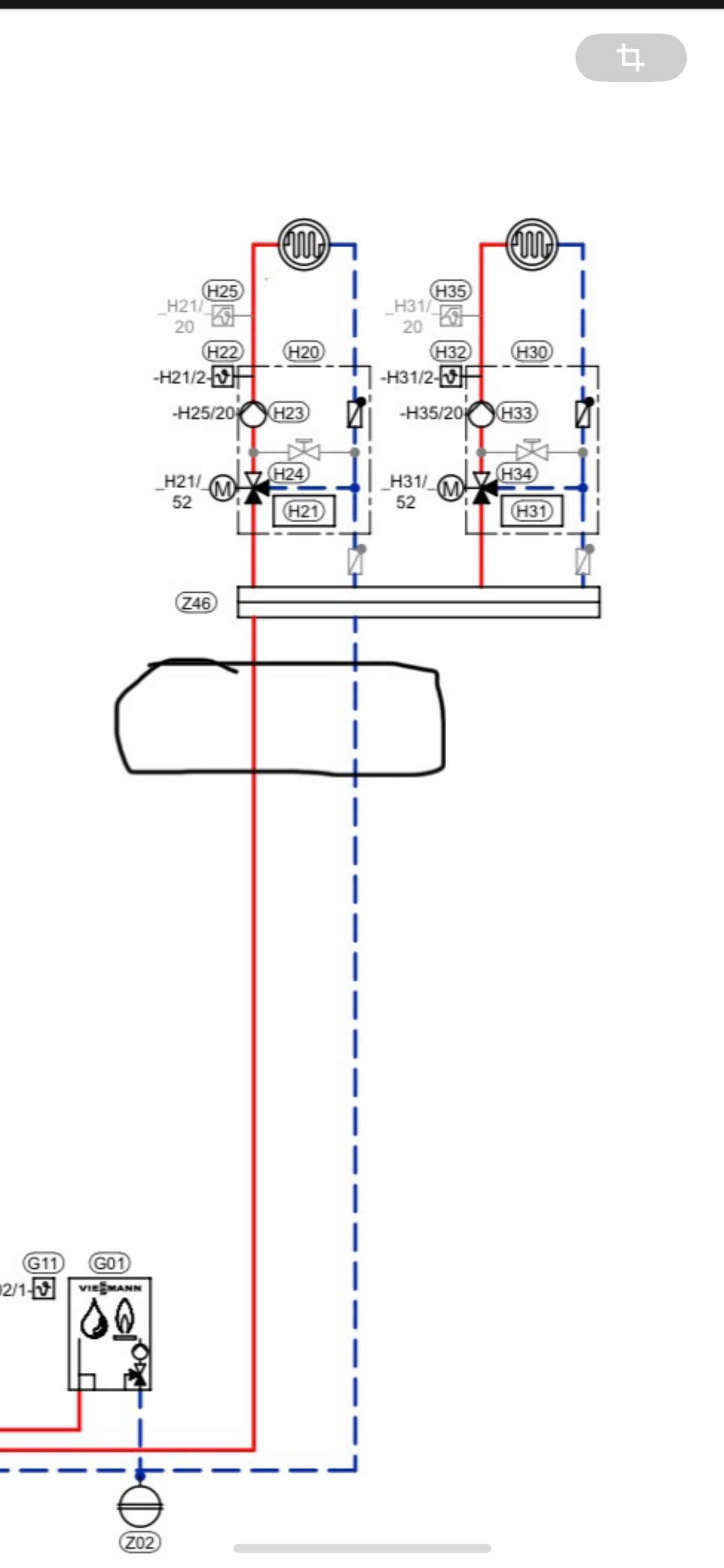
ich habe eine Vitodens 200 W B2HA diese wurde an einen Hygienespeicher angeschlossen (sieht Schema)

IMG_0669.jpeg

nun habe ich das Problem das die Therme immer auf Störung f1 geht da kein durch in der Therme was wohl daran liegt das das interne Ventil nicht schaltet. Ich bekomme diese auch nicht über die Codierung gelöst oder ich habe etwas übersehen. Oder ist es so garnicht möglich?

Herstell-Daten Therme 7454858205294108

Herstell- Daten Regelung:

7507658207188105

 

Mit freundlichen Grüßen 

Michael

8 ANTWORTEN 8

Entschuldigung es sollte natürlich heißen: das die Therme auf Störung geht da kein Durchfluss da ist weil das Ventil in der Stellung Trinkwasser Erwärmung steht, dieser Anschluss ist aber nicht belegt.

In der Codierung kann ich denn Punkt 5b:0 auch nicht umstellen da dieser übersprungen wird .

Mfg

Michael 

Hallo Michael,

 

aus welchem Schema stammt das Bild?

Lade bitte das ganze PDF mit dem Schema hier hoch, oder zumindest die Nummer des Schemas.

 

>>n der Codierung kann ich denn Punkt 5b:0 auch nicht umstellen d

ist der Sensor Hydraulische Weiche verbaut?

VG Michael

Schönen guten Abend,

 

vielen Dank für die schnell Antwort,

das Schema ist im Anhang.

der Sensor ist angeschlossen werde morgen aber kontrollieren ob dieser richtig angeschlossen ist und io ist.

mfg

Michael 

Das interne Ventil wird bei dem Schema nicht benutzt.

Der Rücklauf ist am Heizungsanschluss angeschlossen?

 

Wenn Kodierung 52 auf 1 gesprungen ist, wurde der Sensor erkannt.

 

Das zusätzliche 3 Wege Ventil ist richtig eingebaut, korrekt verdrahtet  und die Schallogik wurde im Aktoren Test geprüft?

In der Codierung 2 sollte Adresse 5b angezeigt werden. Falls nicht, versuche mal Adresse 8A auf 176 zu stellen und sieh dann nochmal nach, ob Adresse 5b angezeigt wird.

Ja der Rücklauf ist am Heizungsanschluss angeschlossen.

Der erste Fehler war das der Temperaturfühler der Weiche auf Klemme 3/4 angeschlossen war und nicht auf 4/5. jetzt kann ich auch Codierung 5b einstellen.

Ich werde jetzt alles einmal überprüfen ob es richtig angeschlossen ist ich fürchte ich werde noch mehr Fehler finden. Wenn alles i.o ist und es nicht richtig funktioniert werde ich mich nochmal melden.

 

Eine Frage hätte ich noch 

vor dem Verteile der Pumpengruppen ist noch eine Hydraulischeweiche verbaut. Das macht für mich aber keinen Sinn da die Therme ja über die Weiche sich sehr warmes Wasser in den Rücklauf zieht, oder liege ich da falsch ? Eigentlich fungiert ja der Hygiene Speicher hier schon als weiche.

 

vielen Dank für eure Hilfe hier 

mfg

Michael 

IMG_0684.png

Hallo Michael,

die Weiche hat da nichts mehr zu suchen, der Puffer ist schon als Weiche angeschlossen.

Lass die ausbauen, die schmälert nur den Brennwerteffekt und steigert deine Brennstoffkosten.

 

Wenn das behoben ist und es im Herbst etwas kälter ist, kann man mit dem Viessmann Diagnose Programm die Anlage noch etwas besser abstimmen.

 

VG Michael 

 

 

Ja das kam mir auch schon sehr komisch vor, ich werde sie die Tage mal ausbauen. Und denn Rest der Anlage noch kontrollieren ob auch alles so angeschlossen ist wie es muss. 

Besten Dank und schonmal ein schönes Wochenende 

 

Mit freundlichen Grüßen 

Michael 

Top-Lösungsautoren