abbrechen
Suchergebnisse werden angezeigt für 
Anzeigen  nur  | Stattdessen suchen nach 
Meintest du: 

Vitocal 150-A + Puffer 100 l + no name Solarpuffer 420 verbinden + Thermostat-Mischventil

Hello, hat hier jemand Erfahrung bei der Einbindung einer Solaranlage an eine Viessmann Vitocal 150-A 13kw Anlage ? Zunächst hatte eine Fehlermeldung weil scheinbar die zu heiße Brühe in Richtung Kompressor geraten ist. Habe das Thermostat-Mischventil danach heruntergeregelt (war auf max) und die Sonde Testweise auf das Ventil fixiert. Scheint aber irgendwie noch immer nicht richtig zu funktionieren. Die Vorlauftemperatur Richtung Heizung am Ausgang des 100 l Pufferspeichers ist irgendwie zu niedrig. Danke für Eure Tips. Grüße, Ralf

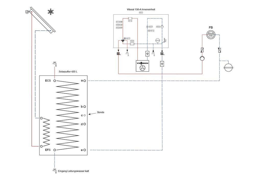
Skizze-Heizung-Deutsch.jpeg

 

52 ANTWORTEN 52

Dann als  Reihenspeicher seriell  in den Rücklauf um eine Solare Heizungs-Unterstützung zu haben.

So ? Der Solarpuffer kann bis 90° heiß werden. D.h. wenn z.B. der Solarpuffer heiß ist, dann kommt das heiße Wasser aus (e) nach blau in die Inneneinheit (Heizungsymbol rechts) und wird dann sozusagen runtergerelgelt (z.B. 30°) um anschließend  zum roten Ausgang der Inneneinheit Richtung FBH weitergeleitet zu werden ? Aber wenn die Temperatur zu hoch ist ?

 

Schema 06 Puffer in Reihe.jpg

Hallo,

 

die Heizung brauche ich z.b. ab September, wenn es ein paar Tage keine Sonne mehr gehabt hat und es kühl geworden  ist.

Dann hat der Puffer auch keine 90 Grad.

Wenn die Pumpe der FBH schon läuft wir der Puffer keine 90 Grad mehr.

 

Es würde ein Thermostat am Puffer reichen, der ein versehentliches Einschalten der WP bei über 60 Grad verhindert.

An der Heizungspumpe der FBH ist hoffentlich ein Temperaturwächter der die Pumpe bei zu hoher Temperatur abschaltet?

 

Falls nötig kann man in der Nähe der Heizkreispumpe noch einen 3 Wege Mischer einbauen.

Das hängt davon ab in welchem Verhältnis die Leistung der Solarthermie zur Heizlast liegt und ob überhaupt die Gefahr besteht, dass der Puffer bei aktiver FBH zu warm wird.

Top-Lösungsautoren