abbrechen
Suchergebnisse werden angezeigt für 
Anzeigen  nur  | Stattdessen suchen nach 
Meintest du: 

Dekamatik-HK1 regelt voll auf und Pumpe ist aus

Meine Dekamatik-HK1 (7450117 002774) regelt voll auf, aber die Pumpe wird nicht eingeschalten (keine Ausgangsspannung). Kann man das Gerät zurücksetzen? Wenn ich den Steuerteil herausnehme regelt das Mischventil zu. Entsprechend scheint mindestens der Stellmotor zu funktionieren. Habe das Gerät ausgeschalten und wieder ein, alles bleibt gleich.

3 ANTWORTEN 3

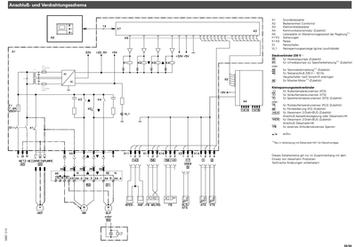
Hallo @Matterhorn5109 

 

Im Relaistest können Sie die Stromversorgung der Umwälzpumpe testen.

 

2024-12-16 19_07_45-5681314VSA00001_1.pdf (SECURED) – Google Chrome.png

Bekommt die Pumpe keine Spannung, ist das Relais K1 defekt.

 

2024-12-16 19_14_35-5681314VSA00001_1.pdf (SECURED) – Google Chrome.png

 

VG

Danke für den Input. Habe dieses Manual gefunden. Inzwischen auch den Fehlercode B1 der darauf hinweist, dass es die Platine sein könnte. 
Frage, mit dem Relaistest schaltet man das Relais K1 permanent ein, oder nur kurzfristig oder ein und aus? Habe es nur mal kurz ausprobiert, aber muss mich ausführlicher damit befassen.

Hallo @Matterhorn5109 

 

Beim Relaistest können einzelne Relais ein- und ausgeschaltet werden.

Die Grundplatte hat eine Bestellnummer:

 

2024-12-21 17_49_28-Viessmann Ersatzteil-App – Google Chrome.png

VG

Top-Lösungsautoren