Dringend Hilfe gesucht: Gestern wurde der Stromzähler ausgewechselt, der Strom also abgeschaltet. Seither ist unsere Anlage wie tot. Gibt irgendwo irgendeinen Schalter für ein Reset? Per App ist da leider nichts zu machen, weil keine Verbindung mehr zum Wlan. Bin für jeden Rat dankbar!!
Moin @KathaRau !
Du must mal sagen, was für eine 200-W du genau hast. Oben drauf ist ein Typenschild-Aufkleber, da steht die Bezeichnung drauf. Ggf. einfach die ersten 7 Stellen der Herstellernummer (unter dem Strichcode) posten.
Es gibt einen Reset Schalter, der ist bei meiner unter der linken 'Schiebeklappe'. Den brauchst du aber eigentlich nur im Fehlerfall (wenn die rote LED leuchtet).
- Leuchtet denn irgend ein Lämpchen am der Therme oder lebt das Display?
- Ist der Netzschalter eingeschaltet (der ist unter der rechten 'Schiebeklappe'). Hast du den schon mal aus und wieder an gemacht?
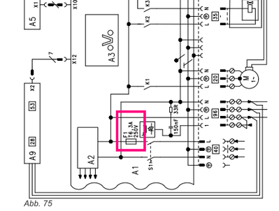
Wenn trotz eingeschaltetem Netzschalter und Strom am Anschluss alles tot ist, mal die Sicherung im Inneren der Therme kontrolliern (dann aber vorher den Sicherungsautomaten für die Heizung ausschalten oder ggf den Stecker ziehen):
Wenn das alles nix hilft wie gesagt bitte genauen Typ angeben.
Grüsse!
Phil
vielen herzlichen DANK! es scheint sich tatsächlich um eine innenliegende Sicherung zu handeln, die ausgetauscht werden muss. Und das muss leider der Fachmann übernehmen...