abbrechen
Suchergebnisse werden angezeigt für 
Anzeigen  nur  | Stattdessen suchen nach 
Meintest du: 

Technische Anfrage: 1:1 Austausch Vitodens 300 WB3C auf 300-W B3HB-19 mit Unterbau-Kit

Hallo zusammen,

wir stehen vor folgendem Szenario:

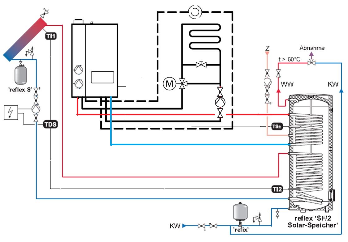
Anlagebestand(siehe Bilder)

  • Altgerät: Vitodens 300 WB3C (Seriennr. 7199540704668103, BJ 2002)

  • Drei Heizkreise ohne Mischer:
    a) 3 Heizkörper im KG
    b) Handtuchheizkörper Bad mit kleiner Fußbodenflächen-Temperierung (EG)
    c) 3 Heizkörper + Handtuchheizkörper Bad mit Fußboden-Temperierung (DG)

  • Ein Heizkreis mit Mischer: Fußbodenheizung EG

  • 300 l Warmwasser-Speicher

  • Haus Heizlast 12KW.
  • 6 QM Solarthermie nach Süden 45Grad.

Da die Vitodens 300 WB3C jetzt schwächelt und die Mieter ausziehen, muss sehr kurzfristig gegen eine vorhandene Vitodens 300-W B3HB-19 (Seriennr. 750946702520114) mit Unterbau-Kit (Seriennr. 7438923301769101) getauscht werden. 

Ich habe einige Artikel hier im Forum über Unterbau-Kit gelesen und verstanden, dass die Herzkurve nur für Heizkreiß mit Mischer einstellen kann und der Heizkreiß ohne Mischer wird durch die Temperatur Differenz hochgehoben. Dadurch entstehen gewisse Nachteile. 

Fragen/Problemstellung

  1. Um den Heizkörper-Heizkreis ebenfalls über eine eigene Heizkurve zu steuern, ist die Idee, einen zweiten Unterbau-Kit unter dem ersten zu installieren. Platz für Weiche ist nicht vorhanden – die Rohre der Kits würden als Ersatz dienen.
    Ist das technisch sinnvoll und im Betrieb durch den Vitodens 300-W möglich? Gibt es Erfahrungen dazu?

  2. Welche Schema ID wäre für dieses Konzept im Service-/Installations-Menü passend?

  3. Welche Codieradressen müssen über die standardmäßige Inbetriebnahme hinaus angepasst werden, damit beide Heizkreise optimal angesteuert werden?

  4. Welche Montageanleitungen und technische Dokumentationen passen für diese Konfiguration (Unterbau-Kit 1x/2x direkt unter B3HB-19)?

  5. Welchen Volumenstrom stelle ich  für beide Heizkreise / Speicher /Heizkessel optimal ein?

  6. Vorteile/Nachteile: Was spricht technisch für bzw. gegen eine Umsetzung mit einem oder mit zwei Unterbau-KITs?

    • Vorteil aus meiner Sicht:
      a) Kesselpumpe pumpt Speicher oder nur durch die Kits und holt sich den gleichen Volumenstrom für beide
      b) Heizkreis-Pumpen bedienen je nach Heizkurve einzeln ihre Kreise mit separat einzustellenden Volumenstrom

Weitere Idee: Anschluss der Vitodens 300-W via Vitoconnect Opto2 an ViCare, um per ViCare-App und passende ViCare Thermostate sowie Fußbodenthermostate die Einzelraumtemperatur flexibel und bequem zu regeln. Ist diese Kombination praxiserprobt und zuverlässig? Gibt es technische Besonderheiten zu beachten?

 

Unser Handwerker ist unterstützend dabei, hat aber momentan keine Ressourcen für Ausarbeitung/Planung aber unsere Zeit drängt. Daher bitte um konkrete technische Hinweise, keine grundsätzlichen Diskussionen. Sondern korrigiert mich,  technisch wenn ich falsch liege.

Vielen Dank! Georg 

PS: Erfahrung mit Betrieb von Vitodens 300-W mit Vitoconnect Opto2 bereits aus anderer Immobilie vorhanden.

20241213_162643.jpg
20220213_170106.jpg
Heizung.JPG
1 ANTWORT 1

Wie werdet ihr die erneuerbaren Energie umsetzen?

 

Mit dem Unterbaukit hast du ein zweiten Heizkreis und kannst diesen Regeln.

Nur der erste Heizkreis ist halt "ungeregelt", aber eine Heizkurve hat der auch.

Der kann halt nur nicht weniger fahren als der geregelte Heizkreis.

 

Anleitung Unterbaukit

 

Codierungen sollte man auch nichts besonders einstellen müssen, weil es sind ja nur zwei HK.

 

An deinem Schema wird sich ja nicht viel ändern.

Du musst einmal an HK1, HK2 und den Speicher dran.

Natürlich musst du auch den Speicherfühler erneuern. (muss extra bestellt werden)

 

Die ViCare App würde ich für die Garantie einrichten, aber ich denke das mit den Thermostaten kann man sich sparen. Das ganze funktioniert, aber je nach Haus benötigst du mehrere Repeater und kannst auch alle 2 Jahre Batterien tauschen. Man kann auch einfach die Heizung richtig einstellen, dann erspart man sich das ganze auf und zu gedrehe am Thermostaten.

Top-Lösungsautoren