abbrechen
Suchergebnisse werden angezeigt für 
Anzeigen  nur  | Stattdessen suchen nach 
Meintest du: 
Beantwortet! Gehe zur Lösung.

BSZ PA und Speicher 340

Moin

nun soll doch meine Stirlingheizung zurück gekauft werden und ich soll ein BSZ PA2 und eine 200W bekommen.

Ich habe schon einiges gelesen und deshalb habe ich noch einige Fragen, bevor ich es unterschreibe.

Die wichtigste Frage ist aber, ob sich die BSZ mit dem 340 M verträgt. 
Denn wenn ich es richtig verstanden habe, schaltet sich die BSZ ab, wenn der RL über 50 Grad steigt. 
Wie soll es funktionieren, wenn ich im Speicher 60 Grad für meine Heizung brauche ?

Auch das WW, welches im Speicher erhitzt wird, benötigt 55 Grad.

Ein kurzzeitiges Erhitzen, zwecks Legionellen, ist ja auch nicht möglich. 

Ich habe konventionelle HK und da kann ich mit 45-50 Grad nichts anfangen. 
Es wurde mir vom Viessmann Mitarbeiter erklärt, dass sich die Therme zuschaltet, wenn die BSZ es nicht schafft, den Speicher zu füllen.

Das würde dann ja laufend passieren, wenn die BSZ in die Sicherheitsabschaltung fährt. 
Und das ist ja nicht der Sinn einer BSZ, sie sollte ja durchlaufen. 
Danke ernst einmal für hilfreiche Antworten. 

1 AKZEPTIERTE LÖSUNG

Akzeptierte Lösungen

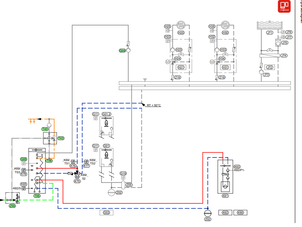
Genau, die Rücklauftemperatur darf an der Brennstoffzelle (K61) 50 Grad nicht überschreiten. Solange Wärmeabnahme über den Pufferspeicher (T05) gegeben ist, wird dies auch nicht passieren. 

 

Um den Pufferspeicher nicht unnötig aufzuheizen, wird das Umschaltventil K75 geschaltet, sobald die Rücklauftemperatur über die Heizkreise die gleiche Temperatur wie der Puffer hat oder darüber liegt. Der Rücklauf geht dann am Puffer vorbei und von dort direkt über die hydraulische Weiche (Z05) zum Vitodens (G01). 

 

Die Brennstoffzelle kann weiterhin auf den Puffer Heizen. 

Viele Grüße
Patrick vom Customer-Care-Team

Berechnen Sie Ihre persönlichen Einsparmöglichkeiten mit einer individuellen Energielösung von Viessmann – inklusive erstem Preisvorschlag & individueller Erstberatung.
Jetzt System konfigurieren

Lösung in ursprünglichem Beitrag anzeigen

3 ANTWORTEN 3

Hallo Thorsten11, 

 

welcher 340-M Speicher ist bei dir vorhanden? Kannst du mir die Herstellnummer oder die genaue Typenbezeichnung nennen? 

 

Die PA2 heizt nur auf den unteren Teil des Pufferspeichers. Um zu vermeiden, dass der Pufferspeicher unnötig mit warmen Rücklaufwasser aus dem Heizkreisen aufgewärmt wird, gibt es einen Rücklaufmischer. Sollten die Rücklauftemperatur zu hoch sein, wird der Rücklauf über ein Umschaltventil am Puffer vorbeigeleitet. Somit erhält die Brennstoffzelle ausreichend Puffervolumen zum aufheizen. 

 

Der Vitodens Heizt nur auf den Puffer um das Trinkwasser zu erwärmen. 

 

Zum besseren Verständnis habe ich dir mal ein Beispielschema abgehangen. 

 

Patrick_Zarges_0-1640771708843.png


 

Viele Grüße
Patrick vom Customer-Care-Team

Berechnen Sie Ihre persönlichen Einsparmöglichkeiten mit einer individuellen Energielösung von Viessmann – inklusive erstem Preisvorschlag & individueller Erstberatung.
Jetzt System konfigurieren

Moin Patrick 

ich besitze einen Speicher 340 M SVKC, dass solltet Ihr aber wissen, denn Ihr habt doch die Unterlagen / Daten von meiner Heizung. 
Ihr habt sie mir doch verkauft..

Das Schema sieht zwar schön aus, ist aber für „Nichtinstallateure“ nicht wirklich praktikabel. 
da müsste dann schon zum Beispiel BSH etc. dran stehen, ansonsten ist es nur für den internen Gebrauch …

Man kann zwar etwas erahnen, mehr aber nicht…

Die Rücklauftemperatur, die unter 50 Grad sein sollte, wird doch an der BSZ gemessen.

Ich kann mir nicht vorstellen, dass sie unter 50 Grad liegt, wenn zum Beispiel 70 Grad Vorlauf gefahren wird, oder habe ich da ein Denkfehler ?

Wie hoch sind eigentlich die Temperaturen der BSZ?

Ich kenne dieses Problem schon mit meinem Twin 300.

Wenn da 60 Grad WW eingestellt wird, steigt die Heizung laufend aus, weil der RL zu hoch ist.

Warum sollte es bei der BSZ anders sein?

Wohin soll der RL am Ventil umgeleitet werden?

Du meinst bestimmt den RL der HK, was hat er aber mit dem RL der BSZ zu tun?

ich bin kein Klempner , wir können uns gerne über Möbel unterhalten, da kenn ich mich aus…

 

 

Genau, die Rücklauftemperatur darf an der Brennstoffzelle (K61) 50 Grad nicht überschreiten. Solange Wärmeabnahme über den Pufferspeicher (T05) gegeben ist, wird dies auch nicht passieren. 

 

Um den Pufferspeicher nicht unnötig aufzuheizen, wird das Umschaltventil K75 geschaltet, sobald die Rücklauftemperatur über die Heizkreise die gleiche Temperatur wie der Puffer hat oder darüber liegt. Der Rücklauf geht dann am Puffer vorbei und von dort direkt über die hydraulische Weiche (Z05) zum Vitodens (G01). 

 

Die Brennstoffzelle kann weiterhin auf den Puffer Heizen. 

Viele Grüße
Patrick vom Customer-Care-Team

Berechnen Sie Ihre persönlichen Einsparmöglichkeiten mit einer individuellen Energielösung von Viessmann – inklusive erstem Preisvorschlag & individueller Erstberatung.
Jetzt System konfigurieren
Top-Lösungsautoren