abbrechen
Suchergebnisse werden angezeigt für 
Anzeigen  nur  | Stattdessen suchen nach 
Meintest du: 

Anmeldung bei VICARE

Hallo,

hab seit heute eine Vitolator PT2 und hab mich via VICARE versucht einzuloggen: WLAN-Verbindung steht, aber in VICARE erscheint die Fehlermeldung:

"Entschuldigung! Da ist leider etwas schief gegangen, bitte versuche es erneut."

Techniker kommen morgen wieder, aber der gute Monteur war auch erstmal überfragt. WLAN-Stärke liegt bei 54%.

Danke!

DoggiNuernberg

10 ANTWORTEN 10

Hallo DoggiNuernberg, 

 

hast du auch den QR-Code gescannt der sich hinter dem Bedienteil befindet? 

Viele Grüße
Patrick vom Customer-Care-Team

Berechnen Sie Ihre persönlichen Einsparmöglichkeiten mit einer individuellen Energielösung von Viessmann – inklusive erstem Preisvorschlag & individueller Erstberatung.
Jetzt System konfigurieren

Hallo, logo, ist ja der Schritt zuvor. 

 

Bitte die App einmal löschen und neu installieren. Wenn es dann immer noch nicht funktioniert kann es sein, dass es ein kurzzeitige Fehler ist. Sollte es Morgen immer noch nicht funktionieren, dann melde dich bitte noch mal bei uns. 

Viele Grüße
Patrick vom Customer-Care-Team

Berechnen Sie Ihre persönlichen Einsparmöglichkeiten mit einer individuellen Energielösung von Viessmann – inklusive erstem Preisvorschlag & individueller Erstberatung.
Jetzt System konfigurieren

Danke, gerade schon probiert 🙂

Hänge jetzt sogar beim QR-Code fest. Also morgen frisch ans Werk 🙋‍♂️ 

Hallo,

die Vitolator ist im Netz angemeldet. Das Problem scheint also irgendwie mit der Vicare-App bzw. meinem Account zusammenzuhängen? Aufgrund der unspezifischen Aussage 'häng' ich nun.

Heute früh bringt er die Fehlermeldung schon beim QR-Scan.

Beste Grüße

Ralf W.

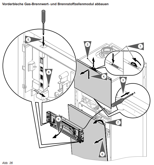
Dann schlage ich vor, dass ein Neustart von der Regelung durchgeführt wird indem man diese über den Netzschalter aus und wieder einschaltet. Der Netzschalter befindet sich unter dem Vorderblech welches über der Regelung sitzt. Über den Netzschalter A kannst du die Anlage dann abschalten. Warte ca. 1 Minute bevor du die Anlage wieder einschaltest. Zusätzlich mal einen Neustart vom Handy durchführen. 

 

Patrick_Zarges_0-1636104881906.png

Patrick_Zarges_1-1636104950993.png

 

 

Viele Grüße
Patrick vom Customer-Care-Team

Berechnen Sie Ihre persönlichen Einsparmöglichkeiten mit einer individuellen Energielösung von Viessmann – inklusive erstem Preisvorschlag & individueller Erstberatung.
Jetzt System konfigurieren

Hallo,

erstmal vielen Dank. Die Techniker, die gerade noch im Hause sind, hatten die Anlage eh heruntergefahren. Ein erneuter Versuch lief wieder auf die gleiche Fehlermeldung beim Scan.

Wollen Sie den Account vielleicht mal löschen und ich melde mich komplett neu an?

Beste Grüße

Ralf W.

Hallo,

ich habe einen neuen Account angelegt (familie@wahnig.de), unter dem ich mich erfolgreich in ViCare mit der neuen Anlage anmelden konnte. Daher würde ich mit diesem neuen Account weiterarbeiten und mich aus diesem abmelden.

Wäre ok, wenn ihr den alten Account (dr.ralf@wahnig.de) löschen könntet.

Sorry for troubling - auch wenn ich nicht weiß warum, aber das ist ggfs. ein Thema für die App-Entwickler.

Ich mach jetzt im neuen Account weiter! 😃

Ciao

Ralf W.

Hallo,

ich bin's 😉, der alte DoggiNuernberg, nun als VitoNuernberg 🤗.

Grüße

Ralf W.

Hallo Ralf, 

 

vielen Dank für deine Rückmeldung. Wir werden deinen alten Account in der App löschen. 
Hier in der Community kannst du deinen alten Account in den Einstellungen unter "Mein Profil" bereits jetzt schon schließen. 

Viele Grüße
Patrick vom Customer-Care-Team

Berechnen Sie Ihre persönlichen Einsparmöglichkeiten mit einer individuellen Energielösung von Viessmann – inklusive erstem Preisvorschlag & individueller Erstberatung.
Jetzt System konfigurieren
Top-Lösungsautoren