abbrechen
Suchergebnisse werden angezeigt für 
Anzeigen  nur  | Stattdessen suchen nach 
Meintest du: 

Stromanschluss der PA2 / Ermittlung der Laufzeiten der PA2

Hallo Community

kann mir jdn sagen, wo die PA2 ihren Strom bezieht?

Sprich wird die PA2 per Stecker an 'ne Steckdose angeschlossen?

Weitere Frage

Kann ich als User der PA2 ermittel, wann die PA2 um welche Uhrzeit hoch respektive heruntergefahren ist?

VG

Pete

7 ANTWORTEN 7

Hallo Pete11, 

 

die PA2 wird über Stecker 40 einer nahegelegenen Unterverteilung oder direkt an der Hauptverteilung angeschlossen. Im Auslieferzustand müsste eigentlich eine zwei Meter Anschlussleitung vorhanden sein. Wenn diese nicht reicht, muss sie entsprechend erweitert werden. 

 

 

 

 

Um die Stromerzeugung zu Monitorisieren benötigst du die Viessmann Gridbox. >> https://www.viessmann.de/de/produkte/energiemanagement/gridbox.html

Viele Grüße
Patrick vom Customer-Care-Team

Hi Patrick

Hab recht besten Dank

Dir / Euch allen einen recht guten Start in die neue Woche

VG

pete

Hi Patrick,

habe Eure Grid Box 2.0 organisiert.

Sie findet fast alles(SMA HM2.0; WR SMA) ausser unsere PA2

Wie kann ich die PA2 mit der G-Box koppeln?

Oder war das jetzt ein teurer Fehlkauf?

 

VG

Pete

 

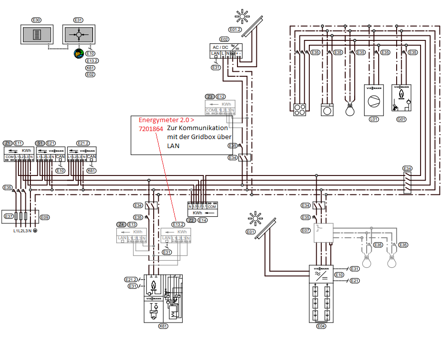
Ist denn in der Zuleitung der PA2 ein Energiemeter (Energiezähler 7201864) verbaut? Die Gridbox kommuniziert mit diesem Zähler, um die Daten der PA2 zu erfassen. 

Viele Grüße
Patrick vom Customer-Care-Team

Wenn das der HM von SMA ist dann ja

Ansonst kann ich nur noch Eueren E3100CA anbieten

VG

Peter

Der Zähler muss wie im Schema zu erkennen verbaut werden. 

 

 

Viele Grüße
Patrick vom Customer-Care-Team

Der Energiezähler E3100CA wäre der E21.2 im Schema dieser hat einen CAN-Bus Anschluss. Der Energiezähler 7201864 wird über LAN angeschlossen. 

Viele Grüße
Patrick vom Customer-Care-Team
Top-Lösungsautoren