Wärmepumpe & Hybridsysteme
Finde Tipps, Austausch und Lösungen rund um Wärmepumpen und Hybridsysteme in der Viessmann Climate Solutions Community. Stell deine Fragen und diskutiere mit!
abbrechen
Suchergebnisse werden angezeigt für 
Anzeigen  nur  | Stattdessen suchen nach 
Meintest du: 

Foren Aktivität

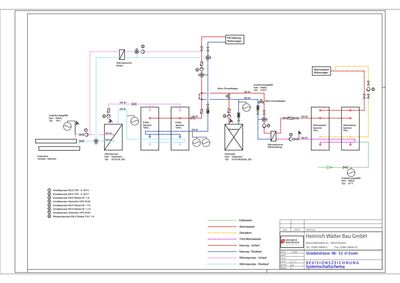
Hybridsystem mit einer Vitodens 200-W WB2C

Serial: 7424980118292106Hallo, ich habe vor unser Hybridsystem zu steuern. Die Sache soll vom Prinzip relativ einfach gehalten werden. Die WP soll bei x Grad selbstständig abschalten und dadurch per Relais ein 3-Wegeventil schalten und gleichzeitig e...

Vitocal 200 / Durchlauferhitzer

Seit nun zwei Jahren habe ich folgende WP: Vitocal 200-S AWB-E-AC 201.D16. Dabei fällt mir auf, dass immer mal wieder der Durchlauferhitzer anspringt, obwohl es draußen gute 10°C hat.Eine Regelmäßigkeit konnte ich noch nicht feststellen, es ist relat...

  • 0 Likes
  • 4 Antworten
  • 447 Ansichten

Wärmepumpe vereist

Kann es wirklich sein, dass ich bis 25.01.2025 auf einen Service-Techniker warten muss?? Unsere Vitocal 350-A ist vereist und der Heizungsmonteur findet den Fehler nicht, da die Wärmepumpe keine Störung anzeigt. Zur Zeit Notbetrieb mit Gas!

Außeneinheit gesperrt

Die Nacht wurde zum ersten mal die Außeneinheit gesperrt. Habe ich auch nur gemerkt, weil Morgens alles kalt war. Die ViCare App funktioniert mal wieder nicht.Warum wurde die Außeneinheit gesperrt?Ich habe diese jetzt erst mal entriegelt und die Heiz...

  • 0 Likes
  • 8 Antworten
  • 1499 Ansichten

Regelstrategie:

Hallo, vorab: Außentemperatur = 3Grad, Heizkreis 1 = 18Grad.Regelstrategie : Ökologisch läuft nur die Wärmepumpe Ökonomisch: Tarif Gas = 0,12 €,Tarif Strom = 0,28 € eingegeben und gespeichert Der Faktor für m3 Gas x Zustandszahl 0,9693 x Brennwert(kW...

Inneneinheit nicht mit Internet verbunden

Trotz besten Empfang und das die Inneneinheit mir sagt sie wäre mit dem Internet verbunden, kommt es immer wieder vor, das die dennoch nicht mit dem Internet verbunden ist. Kann man herausfinden, wo der Fehler bei der Inneneinheit ist und diesen Bug ...

Kaskadensteuerung Sekundärpumpe

Hallo liebes Profi TeamWir haben in unseren neuen Firmengebäude im Jahr 12/2023 2 Vitocal 300-G eingebaut bekommen die in Kaskade laufen sollen. Jetzt hat sich folgendes Problem dargestellt wenn die Steuerung die Slave WP zum Betrieb einteilt läuft d...

  • 0 Likes
  • 11 Antworten
  • 787 Ansichten

Ventilatordrehzahl

Moin,Nach was richtet sich eigentlich die Ventilatordrehzahl? Bis jetzt sehe ich immer nur 100% egal welche Leistung bereitgestellt wird oder im Geräuschreduziertem Betrieb 50% und 25%!

von
  • 0 Likes
  • 1 Antworten
  • 400 Ansichten

Geräuschreduzierter Betrieb

Hallo,ich habe wegen der aktuellen SW den geräuschreduzierten Betrieb dauerhaft laufen. Dazu hätte ich 2 Fragen: Obwohl über alle Tage dauerhaft aktiv wird er im ViGuide als AUS in der Schnellübersicht dargestellt. Was stimmt? Hat der dauerhafte maxi...

  • 0 Likes
  • 1 Antworten
  • 411 Ansichten

Vitocal 250-A Frage zu den Vorlauftemperaturen

Wenn ich z.B. die Vorlauftemperatur bei der Fußbodenheizung auf 20 Grad eingestellt habe, um wieviel Grad höher sollte ich die Vorlauftemperatur beim Pufferspeicher einstellen? Wie sollte das Verhältnis zueinander sein? Meine Überlegung; Wenn ich den...

Vitocal 300-g Durchlauferhitzer Probleme

Guten Morgen, unsere Wärmepumpe hat diesen Herbst nach einer Woche urlaubsbedingtem Abschaltbetrieb was neues für uns auf Lager. Diesmal macht der Durchlauferhitzer offenbar Probleme. Ich monitore die Wärmepumpe recht eng da wir die letzten 2 Jahre b...

Bildschirmfoto 2024-11-05 um 06.44.24.png

Suche Bedieneinheit für Vitocal 161-A

Hallo zusammen,kann mir jemand eine Artikelnummer und/oder Bezugsquelle für die Bedieneinheit der Vitocal 161-A nennen?Ich habe auf dem Aufkleber auf der Rückseite PLDVSSF400 gefunden, da findet man aber nichts im Netz.Wo oder wie bekomme ich dieses ...

  • 0 Likes
  • 9 Antworten
  • 1383 Ansichten

Vitocal 300 AW 110 abtauen funktioniert nicht

Hallo, ich brauch dringen Hilfe bei einer Vitoccal 300 AW 110. S.Nr. 3004315701016104 Seit mittlerweile 2 Wochen funktioniert die Abtaufunktion der WP nicht mehr. Die Wärmepumpe läuft ohne Unterbrechung bis der WT komplett vereist ist. Durch den ST w...

  • 0 Likes
  • 0 Antworten
  • 231 Ansichten

Update Viessmann Anlage

Hi, in meiner Viessmann App wird ständig angezeigt, dass meine Wärmepumpe ein Update bekommen soll und dass ich dem Remote Software Update zustimmen muss. Seit der ersten Mitteilung über das Update kommt immer nur eine Fehlermeldung. Wieso ist das so...

IMG_7725.png
von
  • 0 Likes
  • 11 Antworten
  • 1565 Ansichten

Vitocal 300a (rund) Fehlermeldungen

Hallo Experten, leider bekomme ich ständig Fehlermeldungen im System. Die Anlage ist seit 2015 im Betrieb, dies zur Info . Die Meldungen erscheinen im kontinuierlichen Rhythmus, was ich mir aktuell nicht erklären kann.Vielleicht hat jemand von euch e...

IMG_6857.jpeg IMG_6856.jpeg IMG_6858.jpeg IMG_6859.jpeg
von
  • 0 Likes
  • 5 Antworten
  • 540 Ansichten

Verdichter startet bei warmen Räumen

Hallo,Ich hätte eine Frage zu meiner neuen WP.Am Wochenende habe ich mit dem Kamin geheizt und der Verdichter der WP ist täglich 5x für ca 11h angelaufen. Die WP (6Kw) hat 6-7 kwh pro Tag verbraucht.Die Räume hatten aber jederzeit genügend Wärme. Ist...

Vicare Thermostate Fehler Temperatur Regelung

Hallo zusammen,aktuell habe ich das Problem. Alle Thermostate haben den eingestellten Wert. Wenn jetzt eine Differenz entsteht, setzen diese nicht erneut mit der Regelung ein. Ist wohl ein Software Fehler laut meinem Händler. Eigentlich wäre es schön...

von
  • 0 Likes
  • 0 Antworten
  • 257 Ansichten

Volumenstrom wird nur zu 50% erreicht?!

Moin zusammen,ich habe eine Vitocal 252 mit parallelem Pufferspeicher im Einsatz.Von der Vitocal werden im Heizbetrieb 1.200l/h in den Pufferspeicher gefördert. Der bei mir durchgeführte hydraulische Abgleich ergibt einen Volumenstrom i.H.v. 1.200l/h...

Screenshot 2024-11-21 094810.png
  • 0 Likes
  • 0 Antworten
  • 266 Ansichten

Vitocal 200 - Patine nach 8 Jahren bereits defekt

Hallo, wir haben als Außeneinheit die Vitocal 200.Seit Freitag fliegt bei uns die Sicherung nach 3Sekunden immer wieder raus.In unserer Nachbarschaft geht es noch weiteren so. Vermutlich kam es durch den Netzbetreiber zu einer Überspannung und laut u...

  • 0 Likes
  • 4 Antworten
  • 600 Ansichten

Energieverbrauch Vitocal 250 251.A16

Hallo,habe ja bereits neulich geschrieben, dass ich mich gerade mit dem im Sommer installierten System vertraut mache. Bin nun heute recht erschrocken über meinen Verbrauch. Wir haben jetzt eine aktuelle Außentemperatur von 4 Grad und ich habe heute ...

Screenshot 2024-11-20 132802.png
Viessmann Systemlösung


Starte heute in die Zukunft des Heizens! Wie das geht? Mit unserem Konfigurator erstellst Du ganz einfach Deine maßgeschneiderte Viessmann Systemlösung.
Top-Lösungsautoren
Top empfohlene Mitglieder