abbrechen
Suchergebnisse werden angezeigt für 
Anzeigen  nur  | Stattdessen suchen nach 
Meintest du: 
Beantwortet! Gehe zur Lösung.

Rücklauf wärmer als Vorlauftemperatur (Vitocal 300-G BWC 301.C06)

Hallo zusammen,

 

wir betreiben die Wärmepumpe "Vitocal 300-G BWC 301.C06" mit einer Erdsonde in unserem auf KfW 55 sanierten Altbau nun seit über einem Jahr.
Im letzten Herbst fiel auf, dass der Temperaturfühler des Pufferspeichers vom Installateur nicht korrekt installiert wurde bzw. hinter dem Pufferspeicher lose auf dem kalten Boden hing, sodass wir in Folge dessen mittlerweile knapp 9500 Verdichterstarts und 4300 Stunden auf dem "Tacho" haben. Das war bzw. ist schade, aber nicht mein Anliegen, sondern soll nur zur Erläuterung der angehängten Screens aus der ViCare-App dienen.

Meine eigentliche Frage ist, wie es sein kann, dass die in der App angezeigte Rücklauftemperatur konstant 2-3 Grad (teilweise auch deutlich mehr) höher angezeigt wird als die Eintrittstemperatur des Kühlwassers?
Dieses Verhalten beobachte ich seit letztem Oktober, nachdem ich wegen der anderen Problematik "sensibilisiert" wurde. Hinzu kommt, dass die Temperaturen m.E. nicht mit den Thermometer-Anzeigen unten an der Installation zusammenpassen - ähnliches gilt auch für die Warmwassertemperatur, die am Speicher selbst meist 5 Grad höher liegt als laut Fühlertemperatur in der App.

Woran kann das liegen bzw. wie kann es behoben werden? Oder ist das vielleicht ein bekanntes Phänomen und gar nicht so problematisch?

Beste Grüße

Screenshot_20230220-200752.png
Screenshot_20230222-064417.png
Screenshot_20230222-064436.png
PXL_20230303_092255697.jpg
PXL_20230220_190018473.jpg
1 AKZEPTIERTE LÖSUNG

Akzeptierte Lösungen

Hallo,

Ich hab jetzt mal aus Deinen Werten der Energiebilanz rückgerechnet:

Energieverbrauch WW: 3235,4 kWh

Energieverbrauch Heizen: 7935,8 kWh

Energieverbrauch gesamt: 11171,2 kWh

Heizlast: 5,5 kW

Somit passt die C06 durchaus sehr gut.

 

Was besser sein könnte ist die JAZ von 3,3 beim WW, das würdest Du durch Optimierung der WW Temperaturstrategie verbessern……somit schließt sich hier der Kreis……😉

 

Ok Jetzt verstehe ich auch was Du mit Zeitsteuerung gemeint hast:

2x Am Tag das Wasser auf 40°C aufheizen…..die Idee ist durchaus nicht schlecht……

Dein WW Verbrauch von 3235 kWh/J ist bei einem 4 Personen mit Kinder die jeden zweiten Tag baden, auch sehr gut, hier wirst vom grundsätzlichen Verbrauch an Heizenergie nicht viel weiter reduzieren können, aber wenn Du das Ganze mit weniger Temperatur machst, wird der Wirkungsgrad, steigen und somit der Stromverbrauch bei der WW Bereitung sinken.

 

Der Heizungsverbrauch von 56kWh / qm und Jahr ist ebenfalls super……

 

Wenn Du das Ganze dann noch entsprechend mit einer PV koppelst, ( zb. über Smart Grid) dann bist super unterwegs…….

 

lg

Guennie

Lösung in ursprünglichem Beitrag anzeigen

16 ANTWORTEN 16

Hallo,

 

könntest Du bitte auch Fotos von der gesamten Anlage Posten, damit man einen Überblick bekommt was hier wie aufgebaut ist……

 

lg

Guennie

Guten Morgen @Guennie,

 habe dir zwei Bilder der Anlage als Ganzes angehängt. Kurz zur Erläuterung: An der linken Seite hängt oben in schwarz dieses "Natural cooling"-Element, darunter befindet sich der Mischer mit den oben ebenfalls abfotografierten Thermometeranzeigen zum Heizkreis. Wo genau da die digitalen Fühler drinstecken, konnte ich nicht zuordnen. Ich weiß aber aus leidvoller Erfahrung (s.o. Einstieg oben), dass die zwei Fühler für den Pufferspeicher und das Warmwasser in dem Kombi-Tank gegenüber auf der anderen Raumseite stecken. Neben dem Tank steht dann die Wärmepumpe. Kannst du daraus etwas ableiten oder brauchst du mehr Infos bzw. Details?

Besten Dank, viele Grüße! 

PXL_20230306_062040638.jpg
PXL_20230306_062021372.jpg

Hallo,

1) am Speicher ist ein Typenschild, bitte das auch noch fotografieren.

2) die Verrohrung zwischen Wärmepumpe und Speicher (inkl. der Anschlüsse und Fühler) bitte auch.

3) Ich tippe (nach den bisherigen Fotos) eher darauf das es ein Doppelspeicher ist. Wenn das aber wirklich ein Kombispeicher ist, müsste in der Nähe des Speichers ein 3-Wege Umschaltventil sein, bitte hiervon auch ein Foto machen…….

 

Kurze Vorabinfo dazu:

An Deiner Anlage gibt es mehrere Temperatursensoren ( in Energierichtung):

Da es sich um eine Sole WP handelt, sind die ersten Sensoren (im inneren der WP) der VL und RL Sensor des Primärkreislauf (von Außen zur Wärmepumpe) somit ist hier in Strömungsrichtung der VL immer kälter als der RL.

Die nächsten beiden Sensoren sind die Sensoren des Sekundärkreislaufes (im inneren der WP)

Hier ist der VL immer wärmer als der RL.

Sie nächsten beiden Sensoren sind im Speicher:

Einer (im Speicher oben) für die WW Temperatur - wobei dieser - soweit es erkennbar ist "verdächtig" weit unten eingeschoben ist.

Einer im eher unteren - bei Dir vorderen Bereich für den Heizkreispuffer.

Der letzte Sensor sitzt im VL nach dem HK-Mischer. (Gut erkennbar - siehe Foto)

 

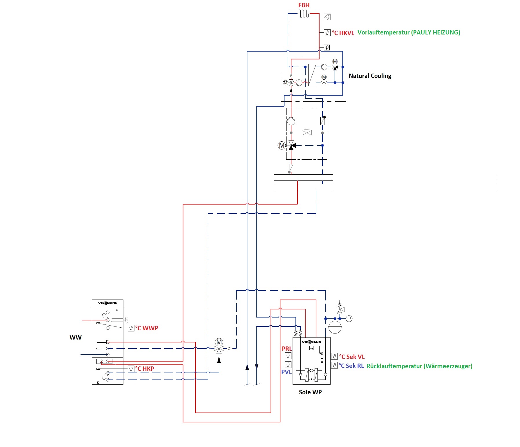
Sieh Dir mal den Hydraulikplan an - der müsste eigentlich zu Deinem Heizsystem passen......habe auch gleich die Temperatursensoren mit eingezeichnet

 

Darauf ist auch ersichtlich, wie die Temperaturunterschiede zwischen VL und RL entstehen.

In Deiner APP wird der VL in die Heizkreise, und der RL der WP angezeigt.

Bei der WW-Bereitung wird - damit die WW-Bereitung möglichst rasch fertiggestellt wird, mit möglichst hoher WP Energie in den Speicher geladen - (Spreizung zwischen VL und RL um die 3-5°C)

Bedeutet das der RL bei der WW Bereitung sehr warm werden kann - bei mir zb. durchaus auch 55°C.

Das hat aber absolut keinen Zusammenhang mit der VL Temperatur FBH-Heizkreise, denn dies ist ein komplett anderer Kreislauf. Somit haben die beiden Temperaturen absolut nichts miteinander zu tun.

 

des Weiteren habe ich Dir hier auch ein pdf von mir angehängt. Eine Zusammenfassung für WP-Betreiber die mit dieser Materie noch nicht so gut vertraut sind. 

 

lg

Guennie

Guten Abend Günther,

vielen Dank für deine Hilfe sowie v.a. die bisherigen Erläuterungen. Deinen Text habe ich gelesen und bringe ihn, auch wenn diese Zeichnung für mich nicht in allen Punkten bzw. Symbolen etc. verständlich geworden ist, schonmal grob damit zusammen und habe viel über mein Heizungssystem gelernt.

Anbei auch die weiteren Fotos zu Details der Anlage, die deine Hypothese zur Ursache der auf den ersten Blick merkwürdigen Messdaten womöglich bestätigen.
In der Tat sitzt der Fühler des Warmwassers relativ mittig hinten am Tank, was evtl. die im Vergleich zum im Tank integrierten Thermometer (deutlich) niedrigeren Temperaturen erklärt (vgl. Foto). Ich frage mich allerdings, ob das im sprichwörtlichen Sinne des Erfinders sein kann: So habe ich jedenfalls 50 Grad im System eingestellt und oben im Tank sind es knapp 60 Grad  - das macht ja energetisch vermutlich schon einen Unterschied, insofern die Wärmepumpe vermutlich häufiger taktet, um die Soll-Temperatur zu erreichen, als sie es laut Auskunft des Tanks "oben" müsste?!

Die Erklärung zur Spreizung zwischen Vor- und Rücklauf erscheint mir angesichts der Erläuterungen sinnvoll bzw. wird es ja in der App eigentlich auch so differenziert aufgeführt, insofern der Rücklauf unter der Kategorie "Wärmeerzeuger" läuft und der Vorlauf unter "Heizung". Für einen Laien in der Tat dennoch verwirrend...
Wenn ich es richtig verstanden habe, gibt es also drei (mehr oder weniger) Kreise: den Sole-Kreis (spielt in der App keine Rolle), den Heiz-Kreis (VL wird in App angezeigt) sowie einen gemeinsamen Rücklauf aus dem (vermutlichen) Doppelspeicher in Richtung des Wärmeerzeugers. Landet dort dann jenes Wasser, das entweder für Warmwasser oder den Heizkreis zu "kalt" geworden ist und durch neues mit Soll-Wert-Temperatur weichen muss? Die Temperatur dieses Rücklaufs wird jedenfalls in der App angezeigt und ist in der Tat v.a. dann relativ hoch (teils 59 Grad), wenn aktuell Warmwasser produziert wird  - also ähnlich wie bei dir. Ansonsten liegt sie ebenfalls  im Mittel 3-5 Grad über dem Heizkreis.
Aber bedeutet das nicht, dass über diesen Rücklauf aus dem Speicher sehr heißes Wasser und damit Energie verloren geht? Oder wird die Energie dieses warmen Rücklaufs erneut verwertet bzw. das Wasser nochmal erhitzt?

Beste Grüße und schonmal vielen Dank für deine hoffentlich weiteren Erläuterungen!




PXL_20230306_062153111.jpg
PXL_20230306_191652854.jpg
PXL_20230306_191553717.jpg
PXL_20230306_191603449.jpg

Hallo,

zur Position des WW Fühler (mitte):

Diese Position kann bei Dir Sinn machen, oder auch keinen Sinn machen. Das kommt darauf an, wie viele Personen ihr im Haushalt seid, und wie das WW Verbrauchsverhalten ist - wie viel WW ihr pro Tag benötigt.

Seid ihr zb. ein 2 Personen Haushalt, wo nur geduscht wird, ist die obere Position des Fühlers Sinnvoller. Hier wird dann weniger WW bereitgestellt, der WW Speicher hat weniger Abstrahlung, und somit weniger Bereitstellungsverluste.

Seit ihr jedoch zb. ein 4 Personenhaushalt wo auch eine Badewanne in Betrieb ist, können die 300L WW im Speicher etwas knapp werden. Hier ist die aktuelle Position des Fühlers dann besser, da eine größere Menge an WW vorgehalten wird.

Die Position ist somit eine Sache der Abwägung zwischen tatsächlichem WW Bedarf und Bereitstellungsverlusten, hier kann es durchaus Sinn machen, die obere Position zu testen. Wenn die WW Menge mit der oberen Fühlerposition ausreichend ist, ist diese die energieverbrauchstechnisch sicher bessere Position.

Das zweite zum Thema WW - die Sollwert Temperatur:

Du heizt das WW sehr heiß auf. Das macht in einem WP Heizungssystem energieverbrauchstechnisch keinen Sinn. Je “heißer” Du den Speicher fährst, je schlechter wird der Wirkungsgrad (JAZ) der Wärmepumpe. Diese hohe Temperatur, die sich Deine WP sozusagen an der oberen Kante des überhaupt möglichen “erkämpfen” musste, wird später über den Mischer am Wasserhahn wieder runter temperiert…..somit eigentlich logisch das hier der energieverbrauchstechnisch schlechtest mögliche Wirkungsgrad vorhanden ist.

 

Bei meiner Anlage (ich habe zusätzlich eine PV Anlage) habe ich das Ganze folgendermaßen eingestellt:

Ohne verfügbaren PV Strom Wird der 300L Speicher erst beladen, wenn die WW Temperatur im Speicher unter 40°C fällt, und dann nicht weiter als bis auf 45°C Hochgeladen. Die so beheizte Wassermenge reicht völlig damit 2 Personen morgens und abends duschen können. Es wird einfach der WW Hahn entsprechend weiter aufgedreht, und so weniger Kaltwasser beigemischt.

 

Durch den dadurch entstehenden hohen Wasseraustausch im Speicher ist auch keine Gefahr bezüglich Legionellen vorhanden.

Ist jedoch genug PV Energie vorhanden, dann heize ich den WW Speicher von den 40°C bis auf 55°C hoch, dann reicht das WW im Speicher für 2 Tage. Im Sommer somit entsprechend weniger WP Starts.

 

Auf diese Betriebsweise benötige ich im Durchschnitt 35kWh an Heizenergie pro Woche für die WW-Bereitung, und das bei einer JAZ von aktuell 3,3. Das entspricht somit einen Stromverbrauch im Durchschnitt von 10,6 kWh/Woche oder 1,5kWh / Tag.

 

soweit mal zum Thema Warmwasser……

Zum Thema, wie das Ganze bei Dir bezüglich der Heizkreise aussieht, mache ich Dir heute Nachmittag mal entsprechende Skizzen…..

 

Wie groß ist bei Dir die beheizte FBH Fläche ?

 

lg

Guennie

Hallo @Guennie bzw. Günther,

vielen Dank erneut!
Das klingt nach ja einem spannenden Ansatz, was du da hinsichtlich deiner WW-Optimierung schreibst, zumal wir dieses Jahr ebenfalls eine PV installieren wollen. Vermutlich braucht man für deine Betriebsart dann einen "smarten" Wechselrichter, der mit der WP kommuniziert? Aber irgendwie müsste man das mit der Stromzufuhr  ja auch an der WP einstellen können  - falls du dazu (auch noch) weitere Infos hättest, wäre ich sehr interessiert!

Wir sind jedenfalls vier Personen, sodass die eher mittige Position des Fühlers entsprechend passen würde. Ich frage mich nun, ob ich die Temperatur in der App auf 40 Grad runterregeln sollte, sodass oben im Tank 50 Grad wären und wir nicht so viel Energie verschwenden?!
Das Argument mit den Legionellen hatte mich bislang zurückschrecken lassen, sodass ich lediglich eingestellt hatte, dass das WW nur in bestimmten Intervallen (5:30  - 10 & 17 - 22 Uhr) zur Verfügung gestellt wird. Auch hier war ich aber unsicher, ob das überhaupt effizient ist, da das Wasser zwischenzeitlich ja auch potenziell mehr auskühlt.

 

Wenn ich dich richtig verstanden habe, würde es angesichts unseres Nutzungsverhaltens (Kinder baden alle zwei Tage, zwei Personen duschen täglich + Waschbecken etc.) durchaus Sinn ergeben, die Soll-Temperatur des Speichers auf ein für die WP erreichbares Level (40 Grad) zu senken. Dann aber vielleicht ohne Intervalle?

Achja: FBH-Fläche beträgt etwa 140 qm.

Vielen Dank für deine Expertise!


Wie man das mit der WW Optimierung machen kann, ist eine eigene Geschichte, kann ich dir gerne mal genauer schildern, aber machen wir vorerst mit den anderen Punkten weiter.

 

Bezüglich 40°C runterregeln und oben 50°C erreichen:

Hier könntest aber dann durchaus auch versuchen, den Fühler in der oberen Position zu platzieren, und das Soll auf den 50°C lassen. Dann zeigt schon mal der analoge Fühler und der digitale das selbe an. =;-)

 

Wenn Du dann noch für deinen Bedarf genügend Warmwasser zur Verfügung hast, könntest sogar noch versuchen mit der Temperatur zb. auf die 45°C runter zu gehen......sollte es zu wenig sein, kannst ja sehr einfach die Solltemperatur dann wieder etwas weiter anheben.

 

Ich hab die Mindesttemperatur im Speicher (unteren Einschaltpunkt) bei mir so ermittelt, in dem ich den Speicher nicht mehr beheizt habe, (Sollwert auf 30°C runter) und dann haben wir einfach getestet, und beobachtet, wie oft bzw. bis zu welcher Temperatur man noch problemlos und vernünftig duschen kann, und dabei immer die Temperatur im Speicher beobachtet. Ich war echt anfangs verblüfft, das man selbst bei einer gemessenen Speichertemperatur von ungefähr 38°C noch absolut komfortabel duschen kann, das kommt daher, das wenn der Speicherfühler 38°C anzeigt, noch im Bereich über dem Sensor locker 40°C drinnen sind, und das reicht zum duschen absolut aus. Erst ab so 37°C am Temperaturfühler wird es dann am Wasserhahn wirklich merkbar kühler, denn ab ungefähr diesem Zeitpunkt duscht man nurmehr mit dem komplett offenen WW-Hahn, und dann geht es entsprechend schnell runter mit der Temperatur im Speicher =;-).

 

Das Ganze zu testen macht durchaus Sinn, (und auch irgendwie sogar Spaß ) denn nur so weis man wirklich, wo bei seiner individuellen Anlage die wirklich unterste Grenze des Möglichen liegt. Und wenn man dann zb. über die Parameter die Hysterese 1-2°C über diesem Minimum einstellt, bewegt man sich im Energiespartechnisch perfekten Bereich, da im Speicher dann nie mehr Energie als notwendig "gelagert" ist.

 

Und zb. an den Tagen wo zb. am Abend gebadet werden soll (oder später einmal reichlich PV Überschuss vorhanden ist) die Temperatur im Speicher am frühen Nachmittag auf die 50°C oder 55°C hoch zu heizen.

Dann hast zusätzlich jeden zweiten Tag (zur Gewissensberuhigung) eine "Entkeimung" - wo bei diese bei 55°C ohnehin eigentlich noch zu niedrig ist.

 

Dieses Vorgehen reduziert natürlich den Energieverbrauch, da erstens die WP in einen besseren Wirkungsgrad kommt (siehe JAZ in der Energiebilanz), und zweitens der natürliche Temperaturverlust des Speichers sinkt.

 

Das Thema heizen kommt nun............

 

zum Thema Heizen:

Ich hab Dir mal Skizziert, wie Deine Anlage in etwa von der Hydraulik her aussieht (pdf). Der übersichtshalber habe ich nur die für die Erklärung wichtigen Teile eingezeichnet.

 

Während der WW Bereitung wird durch den Sekundärkreis WP / WW Speicher das Warmwasser bereitet.

in der gleichen Zeit läuft aber der Heizungskreis (über den Mischer) weiter - etwaig notwendige Energie wird vom Mischer aus der hydraulischen Weiche dazugebessert, um die VL °C im heizkreis weiter auf 28°C zu halten.

logische Konsequenz RL im Sekundärkreis zb. 55°C und VL im Heizkreis 28°C. 

 

Guennie_0-1678201032057.png

nach der Beendigung der WW Bereitung  - Umschaltung des Ventils von WW auf HW:

Die WP reduziert die Leistung / Temperatur im VL. Die Überschussenergie des WW VL wird über das Umschaltventil in den HK geschickt, und im WW RL ist auf Grund der kurzen Leitung zum T-Stück in der nähe des Speichers keine große Wassermenge (und somit Energiemenge, die nicht genutzt werden kann vorhanden). Auf diese Weise wird keine Heizenergie "vergeudet".

 

Ist das Heizsystem gut eingestellt, und die WP Leistung passt gut zur Heizlast des Hauses, so fährt die WP ab ca. 3°C AT im 24/7 Dauerbetrieb und liefert immer genau jene Temperatur (Energie) in die Heizkreise, die auch tatsächlich verbraucht werden. (HK Mischer sollte hier annähernd komplett offen sein). In diesem Betriebszustand ist das System im hydraulischen Gleichgewicht, und die Weiche für das Heizsystem sozusagen "unsichtbar". 

Guennie_2-1678202119228.png

Nachtrag:

Warum ich wegen der qm Heizfläche gefragt habe - zur Erklärung warum das im Heizungskreis kein HK Speicher ist:

 

Diese Speicher wäre mit 80L viel zu klein. Der wirkliche Energiespeicher ist der Estrich in deinem Fußboden:

140qm Estrich hat eine Energiespeicherkapazität von ungefähr einem 5500L WW-Tank. Was sollen also hier diese 80L dagegen ausrichten ? Richtig.....nämlich genau gar nichts.

 

Diese Weiche hat eine komplett andere Funktion:

die hydraulische Auskoppelung der Sekundärkreispumpe von der Heizkreispumpe.

 

Wie das genau funktioniert, und was in dieser Weiche so vor sich geht, habe ich im pdf, das ich Dir bereits angehängt habe erklärt. Außerdem gibt es diesbezüglich im Web gute Videoanimationen, wo das sogar als kurze Filmchen gezeigt wird.....

 

lg

Guennie

 

 

Alles klar, dann habe ich das in Sachen Heizung soweit verstanden und zusätzlich zu meinem ursprünglichen "Problem" auf diesem Wege noch einen guten Ansatz zur Energieeinsparung via WW-Fühler-Optimierung sowie, wenn es in Richtung PV-Optimierung geht, hoffentlich nochmal die Möglichkeit, dich anzusprechen.

Hinsichtlich der Heizung werde ich mal beobachten, ob diese tatsächlich genau zur Heizlast des Hauses passt, aber mein Verdacht ist aktuell, dass sie nicht permanent läuft, sondern der Verdichter eher rund 4 mal pro Tag startet und das v.a. zur WW-Produktion, was dann womöglich aufgrund der hohen Temperatur für die Heizung ebenfalls reicht?!
Edit: Habe gerade mal "Betriebstagebuch" direkt an der WP geschaut, wie viele Betriebsstunden dort so pro Woche verzeichnet sind. Das schwankt im Winter zwischen 50h und 120h pro Woche, also 7h bis 17h im Schnitt pro Tag, wenn ich das richtig verstehe...

Letzte Frage: Soll ich, wenn ich den WW-Fühler oben reinbekommen habe (wie das geht, werde ich hoffentlich noch gefahrlos herausbekommen) und entsprechend als Soll-Wert oben 50 Grad belasse, dennoch diese Intervall-Funktion mit Blick auf unsere Nutzungszeiten aus der App nutzen oder ist das pauschal ineffizient? 

PXL_20230307_162754647.jpg
PXL_20230307_162802758.jpg

Stopp !!!! 😮 Gut das Du die Fotos hier jetzt nachgesendet hast. Den Fühler kannst selber nicht versetzen….So wie das bei Deinem Speicher aussieht ist dies kein Rohr, wo der Fühler einfach reingeschoben werden kann…..Das ist ein Fühler der eingedichtet sein dürfte. Wenn Du diesen rausdrehst läuft das Wasser aus dem Speicher……..somit sollte das bei Bedarf vom HB erledigt werden…..nicht das Du im Wasser stehst…….

 

Das wegen der Heizlast: Kannst mal aus der Energiebilanz jeweils die 52 Werte der WW Bereitung und der Heizung zusammenrechnen und hier posten…….darüber lässt sich das Ganze sehr gut abschätzen, wie das Ganze System bei Dir zusammenpasst…..

 

lg

Guennie

 

 

Aus welchem Grund beheizt Du den Speicher überhaupt im Intervall ? Gibt es eien Grund den Speicher immer komplett heiß zu halten ? Ist von der Effizienz her schlecht (Könntest bitte mal auch Fotos der beiden Energiebilanzen der WP hier Posten).

Besser Du beladest den Speicher auf den gewünschten Solllwert, und die Nachladung erfolgt erst dann wenn die Temperatur im Speicher eine einstellbare Temperatur unterschritten hat.

Das hat zwei Vorteile: der Speicher wird nicht unnötig hoch geheizt, (Energieverbrauch) und das Takten der WP wird verringert (Verschleiß der WP).

 

Kennst Du die zuständigen Parameter, wie man das an der WP einstellen kann ? (zb. Parameter 6007) Ist bei dir die Vitotronic 200, Typ WO1C verbaut ?

 

lg

Guennie

…….wenn man sich das Datenblatt des Speichers genau ansieht, und Du in der WP die WO1C Regelung verbaut hast, sollte ein Fühler wirklich oben eingebaut sein.

 

Du kannst natürlich auch oben einen zusätzlichen Fühler einbauen lassen.

 

Dann gibt es in der WO1C die Möglichkeit den zweiten Fühler zusätzlich zu integrieren. Damit lässt sich die Speicherbeladung zusätzlich optimieren, welche mit einem Fühler alleine (oben) nicht möglich ist. Parameter 600E.

 

lg

Guennie

 

 

Hallo nochmal @Guennie ,

habe eben mal die Werte aus dem WP-Menü ausgelesen und hoffe, die angehängte pdf macht dich schlauer hinsichtlich der Frage, ob unser Setting nun effizient funktioniert. Die JAZ wird gesamt mit 4,4 angegeben, für Heizen 5,4 und WW 3,1. Klingt ja erstmal nicht schlecht. Habe dir eine Tabelle mit allen 52 Werten angehängt, wusste aber nicht recht, wo ich jetzt die Summe bilden sollte. Kann ich natürlich nachholen... 

Bzgl. des Fühlers habe ich mal meinem HB geschrieben - danke für den noch rechtzeitigen Hinweis... 😉 

Und nochmal zum Thema Intervall, wo ich mich vermutlich missverständlich ausdrücke, daher ein Screenshot aus der App zur Verdeutlichung dessen, was ich meine: Ich habe ein Zeitprogramm für die WW-Aufbereitung eingestellt, um gerade eben nicht dauerhaft die Soll-Temperatur im Speicher vorzuhalten - so hatte ich die Funktion in der App zumindest verstanden. Allerdings war und bin ich unsicher, ob das eine so sinnvolle Einstellung ist, da das Wasser in der Zwischenzeit ja abkühlt und dann womöglich unter höherem Energieeinsatz wieder auf Soll gebracht werden muss, um zu den angegebenen Zeiten zu liefern. Ich hoffe, du verstehst jetzt, wie ich das meine.
Mit den von dir genannten Parametern kann ich leider (noch) gar nicht anfangen und weiß auch nicht, wo und wie ich diese einstellen könnte. Ich bin nur mit der App bzw. neuerdings auch unten am Gerät im Einsatz... 😉

Beste Grüße

Hallo,

Ich hab jetzt mal aus Deinen Werten der Energiebilanz rückgerechnet:

Energieverbrauch WW: 3235,4 kWh

Energieverbrauch Heizen: 7935,8 kWh

Energieverbrauch gesamt: 11171,2 kWh

Heizlast: 5,5 kW

Somit passt die C06 durchaus sehr gut.

 

Was besser sein könnte ist die JAZ von 3,3 beim WW, das würdest Du durch Optimierung der WW Temperaturstrategie verbessern……somit schließt sich hier der Kreis……😉

 

Ok Jetzt verstehe ich auch was Du mit Zeitsteuerung gemeint hast:

2x Am Tag das Wasser auf 40°C aufheizen…..die Idee ist durchaus nicht schlecht……

Dein WW Verbrauch von 3235 kWh/J ist bei einem 4 Personen mit Kinder die jeden zweiten Tag baden, auch sehr gut, hier wirst vom grundsätzlichen Verbrauch an Heizenergie nicht viel weiter reduzieren können, aber wenn Du das Ganze mit weniger Temperatur machst, wird der Wirkungsgrad, steigen und somit der Stromverbrauch bei der WW Bereitung sinken.

 

Der Heizungsverbrauch von 56kWh / qm und Jahr ist ebenfalls super……

 

Wenn Du das Ganze dann noch entsprechend mit einer PV koppelst, ( zb. über Smart Grid) dann bist super unterwegs…….

 

lg

Guennie

Lieber @Guennie,

ich danke dir ausdrücklich für deine tolle Beratung und fühle mich jetzt deutlich kompetenter bzgl. unseres Systems hier. Falls ich dich in Sachen PV-Kombination nochmal ansprechen darf, freue ich mich!


Beste Grüße

Jederzeit gerne.......😉

 

lg

Guennie

Top-Lösungsautoren