abbrechen
Suchergebnisse werden angezeigt für 
Anzeigen  nur  | Stattdessen suchen nach 
Meintest du: 

Hoher Vorlauf bei Vitocal 200-S AWB-E-AC 201.D16 – warum ?

Hallo Community, 

seit einiger Zeit versuche ich herauszufinden warum der Stromverbrauch meiner WP so hoch ist. Der Heizungsbauer meint: "Die erste Heizperiode muss man durchlaufen lassen, danach können wir mal schauen" Mit der Aussage bin ich nicht wirklich zufrieden, daher gehe ich der Sache mal selber auf den Ursprung, bzw. versuche mir einige Dinge zu erklären. 

 

Ich habe eine Vitocal 200-S AWB-E-AC 201.D16 und knapp 300 qm Wohnfläche auf 2. Etagen mittels Heizkörper im Einrohrsystem zu beheizen. Optimale Voraussetzungen sind andere, das weiß ich. Die Bude wird auch warm, das ist nicht das Thema. 

Zur eigentlichen Frage: 
Vorlauftemperatur am Display de Anlage: 55 °C
Vorlauftemperatur in der App: 39,5 °C

Laut Heizkurve stimmt die Vorlauftemp. der App.
Aber warum wird am Display 55 angezeigt? 

Danke. 

IMG_90442BE3A112-1.jpeg
IMG_9017.JPG
IMG_9016.JPG
54 ANTWORTEN 54

In der App steht doch Vorlauftemperatur für Heizkreis "Erdgeschoss". Da wird vermutlich dein heißes Wasser noch heruntergekühlt? Das ist natürlich bei einer Wärmepume nicht so dolle...

 

Geh doch mal ins Servicemenu: Menu-Taste+OK für 5 Sekunden zusammen drücken

Dann zu Diagnose, Anlagenübersicht.

 

Da siehst du alle relevanten Daten.

Hallo Jan, danke für den Tipp. 
Folgende Infos spuckt das Servicemenu aus. 

10°C Unterschied zwischen App-Anzeige und Display. 
Mit den Werten aus dem Service-Menu kann ich erst mal nix anfangen. 

Danke für Deine Hilfe. 
Bernd

IMG_9023.PNG
IMG_9024.JPG
IMG_9025.JPG
IMG_9026.JPG

  • Schau dir bitte mal die Serviceanleitung (für die Fachkraft) Vitotronic 200 Typ WO1C an, da ist jedes Symbol auf Seite 104 erklärt.

Wird mit dieser Heizung auch Warmwasser gemacht?

Der Pufferspeicher hat einen Sollwert von 52 Grad. Ohne Trinkwasser wäre das ja nicht notwendig.

 

Ja mit der WP wird auch Warmwasser gemacht.
Danke. 

Hast du dann solch einen kombinierten Pufferspeicher für Brauchwasser (mit Frischwasserstation) und Heizwasser?

 

Warum sehe ich dann keinen Sollwert fürs Brauchwasser?

Nein ich habe zwei Pufferspeicher. 

Einen für Warmwasser / Brauchwasser -> ist HK 1 (wird aber in der App nicht angezeigt) 
Einen für Heizungswasser -> ist HK 2 und 3 ( EG und OG)

Wo kann man den Wert fürs Brauchwasser justieren? 
Danke

Kannst du das nicht in der App auf dem Startbildschirm einstellen!?

Oder im normalen Menu an der Heizung unter Warmwasser?

Hallo,

 

>>/ Brauchwasser -> ist HK 1

 

😱Die Rechnung des Heizungsbauers hast du aber hoffentlich noch bezahlt ...?

I

 

Hast du eine Dokumentation mit Hydraulik Schema erhalten?

Hast du ein "Abnahme Protokoll" mit allen Kodierung und Einstellungen erhalten.

 

VG 

 

Ich ahne auch schon schlimmes, frage mich aber gerade erst langsam vor 🤪


@jan_bln  schrieb:

Kannst du das nicht in der App auf dem Startbildschirm einstellen!?

So sieht mein Startbildschirm, Einstellungen WP und Gerätzestatus WP aus.

IMG_9913AF1BD800-1.jpeg
IMG_6FF97F1662AE-1.jpeg
IMG_1C9C227C1764-1.jpeg

Hi, natürlich Rechnung bezahlt, die Anlage steht seit Sept. 2021.

Die Heizleistung im Winter war super 🙂 Jetzt gehts halt darum das Ding effizienter einzustellen. 
Ich habe knapp 300 qm, 80er Jahre Bau mit Radiatoren und Einrohrsystem. Ja ich weiß optimale Voraussetzungen. 

Dokumentation mit Hydraulik Schema fällt aus wegen Einrohrsystem. 

Abnahmeprotokoll mit Kodierung habe ich keins erhalten. Kann man das nicht irgendwo auslesen lassen? 

 

Danke. 

Ich verstehe noch nicht, wie Warmwasser gemacht wird. Was für einen Speicher hast? Einen mit Frischwasserstation?


@jan_bln  schrieb:

Ich verstehe noch nicht, wie Warmwasser gemacht wird. Was für einen Speicher hast? Einen mit Frischwasserstation?


Ich habe zwei Pufferspeicher, eine für Warmwasser einen für die Heizung.

2 x 200 Liter. 

Der Puffer für WW scheint aber nicht von der WP, oder zumindest nicht kontrollierbar, beladen zu werden.

 

Generell steigt der Stromverbrauch einer WP um ca 2,5 % je wärmer sie die Temperatur bereitstellen muss.

 

 

qwert089_0-1643707367512.png

D.h bei einer Differenz von 52 zu 34 Grad = 18 Grad das mal 2,5 sind 45% mehr Strom als nötig.

 

Vergleichen wir es mit einem 52 stöckigem Hochhaus.

Es gibt 2 Treppenhäuser. Das eine hat 2 Türen eine im EG, die andere im 52 Stockwerk.

Beim 2. Treppenhaus, das in der Etage Türen hat, wurde leider die Türe im EG vergessen.

D.h um in den 34 Stock zu kommen, musst du erst in den 52 Stock steigen und dann wieder runter auf Etage 34.

So ein geniales Konstrukt hat sicher der Heizungsbauer für deine WP überlegt.

Gratulation!

 

Lass dir von dem Mann ein Hydraulikschema geben.

 

VG 

 

 

 

 

Willst Du mir damit sagen das die WP ständig auf 52 °C "heizt" damit das WW warm bleibt, obwohl ich die Temp. fürs heizen gar nicht brauche? 

Was wäre die Alternative? 

Und lass dir bitte mal erklären, wie das Warmwasser von der Wärmepumpe erzeugt wird.

Auf der Anlagenübersicht, sieht man nichts dazu.

Der Sollwert für die Pufferspeichertemperatur kann abgesenkt werden.

>>Der Sollwert für die Pufferspeichertemperatur kann abgesenkt werden.

Dann wird vermutlich auch das WW kälter.

 

>>Willst Du mir damit sagen das die WP ständig auf 52 °C "heizt" damit das WW warm bleibt, obwohl ich die Temp. fürs heizen gar nicht brauche? 
Ja genau so sieht es nach deinen bisherigen Fotos aus.
>>Was wäre die Alternative? 

 

Normalerweise gibt es einen Menüpunkt für WW in der App und in der Analgen-Übersicht an der Vitocal.

Aktuell sind das alles Mutmaßungen, wenn du keine Dokumentation erhalten hast.

 

Jetzt kannst du nur in den Keller gehen und dir selbst eine Skizze mit dem Rohrnetz anfertigen oder den Meister bitten das nachzureichen.

 

 


@qwert089  schrieb:

Jetzt kannst du nur in den Keller gehen und dir selbst eine Skizze mit dem Rohrnetz anfertigen oder den Meister bitten das nachzureichen.

Das kann ich machen … dauert aber ein bisschen. 
Danke schon mal. 

 


@qwert089  schrieb:

Hi ist das Bild / Skizze ausreichend? 

Bildschirmfoto 2022-02-01 um 19.10.14.png

Danke  - von wo nach wo die Rohre gehen sieht man leider nicht.

 

Der Heizungsbauer hätte dir eine Dokumentation wie diese hier übergeben müssten:

 

https://static.viessmann.com/resources/vitodesk/schemes/4802416_06/Documents/4802416_2010_06.pdf

 

Und besser nach einem von Viessmann geprüften Schema deinen Anlage bauen sollen.

 

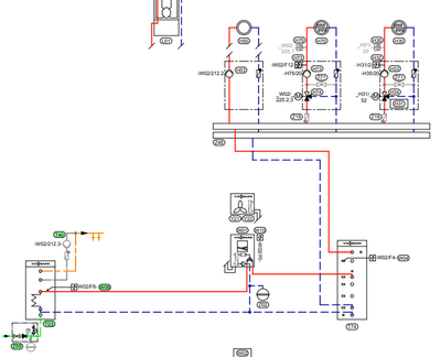
wir brauchen eine Zeichnung wie diese um dir Ratschläge geben zu können.

 

qwert089_0-1643746070241.png

 

Hast du eine Frischwasserstation? Oder ist in dem Warmwasser-Speicher das direkte warme Trinkwasser?


@qwert089  schrieb:

Danke  - von wo nach wo die Rohre gehen sieht man leider nicht.

 

Der Heizungsbauer hätte dir eine Dokumentation wie diese hier übergeben müssten:

 

 


Hätte müssen – was meinst damit? Service oder Vorgabe seitens Viessmann? 
Denn ich will ihn darauf ansprechen. 

 

Eine Zeichnung werde ich am spät. am WE anfertigen. 
Danke

Hallo Jan, 

nein der Puffer hat keine Frischwasserstation.
Das hier ist er: TWS-2W-300L-silber