abbrechen
Suchergebnisse werden angezeigt für 
Anzeigen  nur  | Stattdessen suchen nach 
Meintest du: 

Energiezähler Vitotronic 200 - PV-Anlage mit Batterie

Hallo

wir haben einen Energiezähler zur Eigenstromnutzung unserer PV-Anlage installieren lassen. Die PV-Anlage bzw. der Wechselrichter von Kostal hat auch eine Batterie mit ca. 7KWh. Der Energiezähler erkennt die Batterieenergie nicht als PV Strom, da der Energiezähler nur einen Stromfluss ins öffentliche Energienetz erkennt? Wie erkennt den überhaupt der Energiezähler bzw. die Wärmepumpe die optimale Arbeitszeit für die PV-Stromnutzung? Es macht doch Sinn, dass die Wärmepumpe nicht bei der kleinsten Stromlieferung ins öffentliche Netz z.B. um 8 Uhr morgen arbeitet. Es wäre doch besser, dass die Wärmepumpe eher z.B. um 12 Uhr Mittag arbeitet, da dann besonders viel PV-Strom zur Verfügung steht. Wie kann man dies steuern oder erfolgt dies alles eher zufällig? Gibt es eine bessere Möglichkeit zur Auswertung als die PV-Statistik? Wie kann ich sehen wieviel Energie aus PV-Strom mit dem Heizstab erzeugt wurde? Könnte man nicht eine ausführliche PV-Statistik in der Vitoapp integrieren?

Gibt es auch schon Möglichkeiten, dass der Wechselrichter direkt mit der PV-Anlage kommuniziert?

Schon mal vielen Dank für ihre Antworten

10 ANTWORTEN 10

Hallo 9999toll,

wenn du den 3-phasigen Energiezähler angeschlossen und aktiviert hast, dann kannst du bei den Parametern zur PV-Eigenstromnutzung eine Schwelle einstellen, ab der die gewünschten PV-Funktionen ausgeführt werden sollen. In Verbindung mit einem Batteriespeicher wird es aber nicht funktionieren, da über die PV-Funktion der Speicher immer wieder sofort entleert wird.

Viele Grüße
Flo

Berechnen Sie Ihre persönlichen Einsparmöglichkeiten mit einer individuellen Energielösung von Viessmann – inklusive erstem Preisvorschlag & individueller Erstberatung.
Jetzt System konfigurieren

Da wäre vermutlich der SG-Ready-Kontakt oder die externe Aufschaltung besser geeignet gewesen (und vor allem günstiger).
Dabei wird nur ein potetialfreier Kontakt vom Wechselrichter zur WP verbunden und man kann z.B. die WW-Temperatur im Speicher bei PV Überschuss auf 60°C erhöhen.
Ich habe zwar einen SMA Wechselrichter, aber der kann das Energiemanagement deutlich besser als der 3-Phasen-Zähler.

Grüße
BM1981

@BM1981,
kurze Frage an dich, wie hast du das mit deinem SMA Wechselrichter gelöst? Woher weiß der SMA das die Batterie voll ist und ab dann Energie zusätzlich in den Warmwasserspeicher geladen werden kann?
Sonnige Grüße
Thilo

Hallo Thilo,

in der PV-Anlage habe ich den Sunny Home Manager 2.0, der die Energieverteilung steuert (Eigenverbrauch, Akku und Einspeisung).
Mit dem Home Manager kann man Funksteckdosen (z.B. von Edimax oder von AVM) verbinden, die dann frei konfigurierbar sind (beispielsweise: nachmittäglicher PV-Überschuß von 4kW --> Steckdose einschalten).
Die Funksteckdose habe ich mit einem Koppelrelais (potentialfrei) über die Erweiterung EA1 an meine Vitocal 200-S angeschlossen. Funktioniert einwandfrei.
Neuere Anlagen von Viessmann haben wohl einen SG-ready Kontakt, den man ohne EA1 nutzen kann.

Grüße
BM1981

Hallo BM1981.
ok, das ist kein Hexenwerk, hat aber mit deinem oben erwähnten SMA Wechselrichter und dem erwähnten potentialfreien Kontakt nicht zu tun.
Trotzdem Danke für deine Antwort, ist aber für mich keine brauchbare Lösung.
Eine Lösung in Verbindung mit SHM 2.0 und einem AC-Thor ist eine brauchbare Sache. Leider sehr teuer.

Ja, vielleicht habe ich mich falsch ausgedrückt, sorry.
AC-Thor kannte ich noch nicht. Interessant - wird aber schwierig, dass sich so etwas amortisiert. Ich habe für meine Anbindung ca. 150€ ausgegeben - selbst das wird eine Weile dauern...
Aber außer einer Optimierung im Sommer (Aufheizen des Speichers mit PV-Überschuss) sind in meinem Fall die Optimierungsmöglichkeiten fast ausgereizt. Ich habe in den Wintermonaten (Nov-Feb) i.d.R. > 90% Eigenverbrauch. Bei rund 1400kWh Gesamtertrag in diesen vier Monaten könnte ich somit noch ganze 140kWh pro Jahr optimieren. Ob sich das lohnt?
Außerhalb der Heizperiode habe ich übrigens kein Interesse, die Vorlauftemperatur mit PV-Energie zu erhöhen 😉

Hallo Flo,

ich habe in einem anderen Beitrag gelesen, dass man den Kostal Energie Manager über SG-Ready mit der Wärmepumpe verbinden kann.
https://www.viessmann-community.com/t5/Experten-fragen/Vitocal-300-G-mit-Kostal-WR-verbinden/qaq-p/1...
Ich habe auch diesen Kostal Smart Energy Meter. Die Vitocal 200 ist doch auch SG-Ready. Hätte ich mir so den Energiezähler sparen können da die Wärmepumpe und der Energy Meter kommunizieren können? Das vielleicht sogar noch besser?
Oder liege ich da falsch?
Zu ihrer obigen Antwort noch:
Kann ich das Entladen der Batterie nicht über den Schwellenwert der elektrischen Leistung 7E04 regeln? Z.B. Wert 30 für Solarstromnutzung erst ab 3KW Netzeinspeisung. Wir haben ein 10 KWp PV-Analge.
Vielen Dank für ihre Antwort

Bei dem verlinkten Beitrag steuert er über den Energy Meter die Wärmepumpe an. Das ist aber keine Kommunikation zwischen den beiden. Hier muss bauseits der jeweilige Kontakt geschlossen werden und anschließend wird über SmartGrid die gewünschte Funktion ausgeführt. So wie ich es in dem Beitrag auch beschrieben hatte.

Viele Grüße
Flo

Berechnen Sie Ihre persönlichen Einsparmöglichkeiten mit einer individuellen Energielösung von Viessmann – inklusive erstem Preisvorschlag & individueller Erstberatung.
Jetzt System konfigurieren

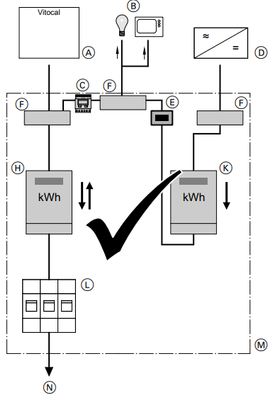
Hallo,
ich hab noch mal eine andere Frage zu dem Thema. Der Energiezähler vom Viessmann muss doch zwischen dem Stromzähler des Stromversorgers und dem Smart Meter von Kostal installiert sein. Ich bin mir da nicht so sicher ob der Elektriker das richtig angeschlossen hat.

Schöne Grüße

Der 3-phasige Energiezähler muss so angeschlossen werden, wie in der zugehörigen Montageanleitung beschrieben. 

 

Flo_Schneider_0-1607331711495.png

 

Viele Grüße
Flo


Berechnen Sie Ihre persönlichen Einsparmöglichkeiten mit einer individuellen Energielösung von Viessmann – inklusive erstem Preisvorschlag & individueller Erstberatung.
Jetzt System konfigurieren
Top-Lösungsautoren