abbrechen
Suchergebnisse werden angezeigt für 
Anzeigen  nur  | Stattdessen suchen nach 
Meintest du: 

Solarthermie zeigt fehlerhafte Betriebsweise

Moin.

Meine Heizungsanlage aus Gas-Therme, Speicher und Solarthermie habe ich um eine WP erweitert.

Vor dem Umbau zeigt der Kollektorsensor bis 120°C an.

Seit dem Einbau funktioniert die Solarthermieanlage nicht mehr richtig.

Die maximale Temperatur am Kollektortemperatursensor 5 beträgt max. 60°C; auch bei maximaler Sonneneinstrahlung.

Die Veränderung der Pumpendrehzahl bewirkt nichts.

Wenn ich die Pumpe vom Netz nehme, steigt die Temperatur wieder bis 120°C.

Wenn ich die Pumpe wieder anklemme, fällt die Temperatur wieder auf 60°C.

Die Solarthermieanlage wurde zuletzt vor 5 Jahren gewartet, mit Wechsel der Solarflüssigkeit.

Das beigefügte Schema ist ein Modifikation von PS4801857_06.

Therme: Vitodens 300-W mit Vitotronic 200/HO1A

WP: Vitocal 200-S mit Vitotronic 200/WO1C

Pufferspeicher: Vitocell 360-M

Solarthermie: Vitosol T-200 / 2x SP2/3m2 mit Solarregelmodul SM1 und Solardivicon PS10

Hat jemand eine zielführende Idee?

 

 

 

 

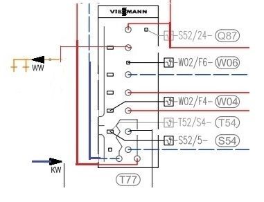
2020-08-20-16.45     Viessmann Korrektur2 - Kopie.jpg
4 ANTWORTEN 4

Hallo,

 

dann scheint die Anlage im Haus/Keller mehr Verluste zu haben als vorher.

Bei 60 Grad stellt sich dann gerade das Gleichgewicht ein.

 

Das kann eine andere Einstellung der WW Zirkulation sein, oder die Energie verschwindet durch Mikrozirkulation über die Leitung in Richtung Vitodens oder WP.

 

 

Moin,

1. WW-Zirkulation wird nur bei evtl. Bedarf für 7 Minuten eingeschaltet.

2. Die Vitodens-Therme ist ausgeschaltet.

3. Der Pufferspeicher: Vitocell 360-M hat einen eigenen Wendel für die Solarflüssigkeit.

Wie erfolgt die Mikrozirkulation über welche Leitung zur WP???

Der Vitodens hat doch eine Art  Wärmemengenerfassung für  die Solarthermie.

Das sollte der Ertrag der letzten Jahre gespeichert sein.

Wenn du das mit den Werten seit dem Umbau vergleichts, wie sieht das aus ?

(bereinige bitte die Werte vorher mit den Sonnenstunden des jeweiligen Monats. Der Mai diese Jahr war teilweise ziemlich verregnet)

kommt da noch ähnlich viel vom Dach im Puffer an?

Oder wurde beim Umbau an den Komponenten auch etwas getauscht?

Der aktuelle  Frühling ist wesentlich kühler als das letzte Jahr. Deshalb ist mir das Problem jetzt aufgefallen.

Auf die Daten vom Vitodens kann ich nach dem Einbau der WP nicht mehr zugreifen.

Nach meiner Erinnerung wurden vorher Temperaturen bis 120°C erreicht, im Sommer war immer ausreichend warmes Duschwasser (50°C) vorhanden; die Therme war ausgeschaltet.

Das Schema ID: 4605160_1704_08 war wohl verbaut.

Beim Umbau in 2021 wurden die beiden, bisher nicht angeschlossenen unteren Auslässe des Speichers ober- und unterhalb des KW-Anschlusses genutzt.

Umwelt2010_0-1718275094383.jpeg

Augenscheinlich hat der Installateur richtig verrohrt.

Aber aufgefallen ist mir die Rücklaufleitung von den Heizkreisen. Die Temperatur des HK-Rücklaufes entspricht genau der Warmwasser-Solar-Temperatur!

M.E. kühlt der HK-Rücklauf den Bodenbereich des Speichers, in dem sich der ST-Wendel befindet.

Daher steigt auch die ST-Temperatur sobald ich die Solar-Pumpe ausschalte.

Gibt es hilfreiche Vorschläge zur Problemlösung?

 

 

2020-08-20-16.45     Viessmann Korrektur2 - Kopie.jpg
Top-Lösungsautoren