abbrechen
Suchergebnisse werden angezeigt für 
Anzeigen  nur  | Stattdessen suchen nach 
Meintest du: 

Vitotronic 200 KW2 Betriebsstundenzähler ohne Funktion

Seit gut 3 Wochen zählt der Betriebsstundenzähler des Brenners nicht mehr mit. Mir ist auch aufgefallen, dass das Brenner Symbol bei eingeschaltetem Brenner nicht mehr angezeigt wird und in der Steuerungsinfo steht "Brenner aus". Ist es möglich dass der Betriebsstundenzähler deaktiviert wurde? Kann man am Pin B4 des Brenners eine Spannung messen um die Funktion selbst zu prüfen? Oder hat jemand eine andere Idee woran das liegen könnte? Über Antworten würde ich mich sehr freuen Vielen Dank im Voraus
4 ANTWORTEN 4

Hallo,

paar genauere Infos wären schon von Nöten.

 

Gruß 

Hallo @m9i6ke 

 

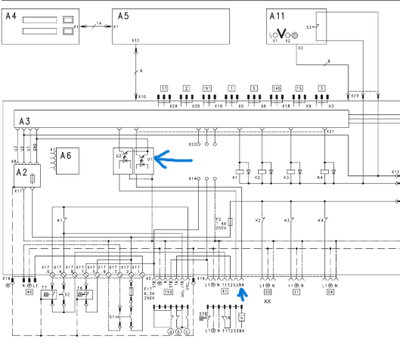
Bei älteren Steuerzentralen VT 200 KWx wurde das B4-Brennerbetriebssignal über einen Optokoppler überwacht, dieser ist in Ihrem Fall defekt.

 

2024-12-31 15_42_01-Servisiranje - Google Drive – Google Chrome.png

 

Neuere Mainboards überwachen nicht mehr das B4-Signal, sondern zählen den Betrieb des Brenners, wenn die Spannung an T2 liegt, daher ist es notwendig, die Messverzögerungszeit für die Abschlämmzeit und den Ölvorwärmer einzustellen.

 

2024-12-31 15_49_48-5851700VSA00001_1.pdf – Google Chrome.png

VG

TOP !

 

Das heißt : neue Grundleiterplatte, oder den Optokoppler tauschen lassen (kostet ca 1 €) 

Top-Lösungsautoren