abbrechen
Suchergebnisse werden angezeigt für 
Anzeigen  nur  | Stattdessen suchen nach 
Meintest du: 

Störung Öldruck Vitotronic 200

EA7E1370-2C22-49A2-9ACF-8D64F710C3C7.jpeg

DF20B8B1-9203-4153-8F5D-AE9807F68582.jpeg

Hallo ich hab seit Heute eine Störung und  zwar: „Störung Öldruck EB“, ich besitze eine Vitotronic 200 von viessmann! Über Hilfe wäre ich sehr dankbar.

7 ANTWORTEN 7

Du solltest auch mal schreiben, um welchen Kessel es sich handelt.(Vitotronik 200 ist nur die bezeichnung der Regelung) Ich vermute mal, Vitoladens 300 ?

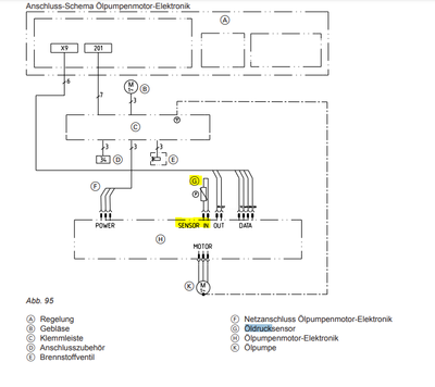
Grundsätzlich ist hier erstmal der Öldrucksensor sowie dessen Verkabelung zu prüfen. Ist hier alles in Ordnung, könnte die Antriebseinheit gestört sein. Motor und Ölpumpe sitzen auf einer Welle, wobei die Ölpumpe über einen Mitnehmer verbunden ist. Wenn der Mitnehmer z.B. gebrochen ist, läuft zwar der Motor, aber die Ölpumpe nicht.

F3D82387-ABAF-46AB-87B7-EA58E75F2FA5.jpeg

Hallo Franky danke für deine schnelle Antwort! Das ist eine Vitotronic 200 Typ KW6B Vitoladens 300-C, könntest du eventuell - falls es dir nichts ausmacht - auf dem Bild markieren, was man genau prüfen muss? Hab leider keine Ahnung von der Technik. 

Die Anlage müsste doch noch in der  Gewährleistung sein, oder??

Lass doch den HB anrücken der die eingebaut hat!?

 

https://www.viessmann.com/etapp/parts/de/0500/7720004

https://static.viessmann.com/resources/product_media/6172417VSA00004_1.PDF

qwert089_0-1678958814364.png

 

qwert089_1-1678958849033.png

 

VG

Hi danke für deine Antwort, der HB ist leider verstorben, möge er in Ruhe frieden. Was genau meinst du denn mit dem rot markiertem? An und ausschalten? 

Ohne Messgeräte kannst du nur den Stecker mit dem grünen Punk und das Kabel  das dort weg geht.

 

versteh ich nicht was genau du meinst


@musipkagermann  schrieb: Hab leider keine Ahnung von der Technik. 

Dann ist es eh besser, wenn sich das mal ein Fachmann anschaut.

Top-Lösungsautoren