Bei mir wurde letztes Jahr eine neue Viessmann-Heizung mit Vitodens 300-W installiert. Zusätzlich wurde das WAG-Gateway installiert aber noch nicht programmiert. Die Heizung funkioniert einwandfrei. Allerdings habe ich jetzt versucht über das Gateway Daten auszulesen. Das Gateway habe ich erfolgreich in das lokale Netzwerk integriert. Das Web-Interface vom Gateway kann ich problemlos im Browser ansteuern. Auch ist es mir möglich über modbus-tcp eine Verbindung herzustellen. Allerdings kann ich keine Datenpunkte auslesen. Darüberhinaus erhalte ich im Webinterface des Gateways ständig CAN-Connection error gemeldet (siehe Screenshot). In der ViCare-App wird ebenfalls ein "Kommunikationsfehler Gateway" mit Nummer F.430 gemeldet. Für mich stellt sich nun die Frage, ob die Verkabelung mit der Heizung nicht korrekt ist oder woher der Fehler kommt. Ist noch etwas einzurichten? Danke schon mal im Voraus für die Unterstützung.
Gelöst! Gehe zu Lösung.
Hallo malohn,
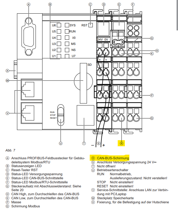
es könnte daran liegen, dass der Abschlusswiderstand fehlt. Falls sich das Gateway am Anfang oder Ende des CAN-BUS befindet, muss dieser eingesteckt werden. Am Vitodens muss dies ebenfalls geprüft werden. Die Schirmung vom CAN-Bus scheint auch nicht korrekt angeschlossen zu sein. 


Hallo malohn,
es könnte daran liegen, dass der Abschlusswiderstand fehlt. Falls sich das Gateway am Anfang oder Ende des CAN-BUS befindet, muss dieser eingesteckt werden. Am Vitodens muss dies ebenfalls geprüft werden. Die Schirmung vom CAN-Bus scheint auch nicht korrekt angeschlossen zu sein. 


Hallo Patrick,
mein Fachbetrieb hat nochmal die Verkabelung geprüft und es lag tatsächlich am Abschlusswiderstand. Nachdem Einsetzen funktioniert das Auslesen der Datenpunkte und es wird aktuell keine Fehlermeldung mehr angezeigt. Vielen Dank für die Unterstützung.