abbrechen
Suchergebnisse werden angezeigt für 
Anzeigen  nur  | Stattdessen suchen nach 
Meintest du: 

vitodens 300 B3HG externes 3-Wege-Ventil

Ich möchte ein externes 3-Wege-Ventil elektrisch parallel zum internen 3-Wege-Ventil schalten.

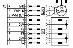
Am Feuerungsautomat BCU ist das interne 3-Wege-Ventil an den Klemmen X3 1-6 angeschlossen.

Wie kann ich über ein 24 V Relais damit das externe 230V 3-Wege-Ventil ansteuern?

14 ANTWORTEN 14

hm, ich fürchte so einfach geht das nicht. Das ist ja eine Schrittmotoransteuerung

 

HerrP_0-1756195532530.png

 

Hast du die Therme zufällig irgendwie an einer Hausautomatisierung? Dann könntest du wahrscheinlich mittes der Info zur Ventilstellung eine Funksteckdose oder so ansteuern.   

Wie kann ich die Endstellung auswerten?

Ich nehme an, dass ein 24V-Signal ausgewertet werden kann.

 

Wie ist die Funktion der 4 Spulen?

ich glaube eine direkte Info zur Endstellung gibt es nicht (also zumindest nicht als Kontakt). Wahrscheinlich wird das Ding einfach eine Weile angesteuert und dann davon ausgegangen, dass das Ventil die Position erreicht hat. 

 

Die AI sagt:

Ansteuerung der Spulen

Um den Motor Schritt für Schritt zu bewegen, werden die Spulen in einer bestimmten Reihenfolge erregt:

Vollschritt (eine Spule gleichzeitig)

  1. F1 ein

  2. F2 ein

  3. F3 ein

  4. F4 ein
    → Wiederholung der Sequenz

Vollschritt (zwei Spulen gleichzeitig für mehr Drehmoment)

  1. F1 + F2

  2. F2 + F3

  3. F3 + F4

  4. F4 + F1
    → Wiederholung

Halbschrittbetrieb (abwechselnd eine und zwei Spulen)

  1. F1

  2. F1 + F2

  3. F2

  4. F2 + F3

  5. F3

  6. F3 + F4

  7. F4

  8. F4 + F1
    → Wiederholung

Damit erreicht man eine feinere Schrittauflösung.

 

Die Drehrichtung ändert sich, wenn die Reihenfolge umgekehrt abgespielt wird.

Dann werde ich einmal die Signale an F1 und F3 in Stellung Heizung und Warmwasser messen.

Wie es aussieht wird dann mit 0V geschaltet.

Bleibt das Signal in der Endstellung erhalten?

vielleicht selber nen Mikroschalter drankonstruieren oder so?

HerrP_0-1756197820798.png

 

Ein Mikroschalter ist eine gute Idee.

> Bleibt das Signal in der Endstellung erhalten?

ich schätze nicht, sonst würde ja eine Spule ständig bestromt.

mit ner Federklammer und vlt nem Tropfen Kleber kann man hoffentlich einen Mikroschalter platzieren. Er sollte irgendwie wieder lösbar sein, weil der Schrittmotrantrieb 'zu dir hin' rausgezogen werden kann, falls er ausgetauscht oder sonst irgendwas demontiert werden muss.

Bei meiner Ausführung sieht man leider keine beweglichen Teile.

 

3-Wege-Ventil.jpg

 

oh, das ist jetzt mal blöd (zumin in dieser Hinsicht).

vielleicht doch nen Raspi mit open3e dran? der Raspi hätte auch Ausgänge zum Ansteuern des externen Dings... 

 

Es ist sowieso sehr vorteilhaft, wenn man seine Heizung monitoren kann, Daten aufzeichnen und visualisieren und so...

 

HerrP_0-1756201399430.png

 

Oder eben mit der API in eine Hausautomatisierung. Aber ich bin Gegner der Viessmann Cloud Anbindung, aus diversen schon oft benannten Gründen (und hier nicht zuletzt wegen der zeitlichen Verzögerung). 

 

vorher sollten wir aber noch @Dreman fragen, ob es definitiv den Datenpunkt zum Umschaltventil gibt!? 

 

ps: aber irgendeinen DID zum aktuellen 'Betriebsmodus' wird es schon geben...

@HerrP  Die Stellung des 3-Wege-Ventils lässt sich zwar über den Parameter 386 (DiverterValveTargetPosition) mit open3e einstellen (Heizen/Mitte/WW), wird jedoch laufend von der Heizungs-Regelung überwacht und sofort korrigiert (wenn aus deren Sicht nicht korrekt). Zusätzlich ist mittels open3e nur noch die Ruhestellung (weder Heiz- noch WW-Anforderung) des 3-Wege-Ventils einstellbar (Parameter 1791). Auch hier ist die Regelung der Master.

danke @Dreman ! es geht hier ja lediglich um die Zustandsinformation, um anhand dessen noch ein externes Ventil zu steuern. Die lässt sich ja wahrscheinlich aus 386 ablesen?

@HerrP  Ja, die aktuelle Stellung lässt  sich über 386 auslesen.

Top-Lösungsautoren