abbrechen
Suchergebnisse werden angezeigt für 
Anzeigen  nur  | Stattdessen suchen nach 
Meintest du: 
Beantwortet! Gehe zur Lösung.

Vitodens 300-W und Vitocell 300-W

Liebe Community,

Lieber Michael (QWERT),

 

im letzten Winter wurde uns sehr toll weitergeholfen. Wir konnten einige Parameter unser alten und wahrscheinlich überdimensionierten Vitodens 300-W erfolgreich ändern. Somit hatte sich auch der Gasverbrauch in unserem Einfamilienhaus (160 m2), mit zwei Erwachsenen und zwei Kindern, deutlich reduziert. 

 

Für das Jahr 2021 ergab sich eine Abweichung von -17,2% 

2020 => 01.01. - 31.12.2020 = 27.289 KWh

2021 => 01.01. - 31.12.2020 = 22.590 KWh

Hierfür ein großes Dankeschön.

 

Aktuell steht noch aus der hydraulische Abgleich (wenn nötig), die Einstellung der ZKP (läuft aktuell in Dauerschleife), und eine abweichende Einstellung zur Warmwasseraufbereitung (Keine Automatischen Zeiten, sondern vielleicht morgens auf X Grad und bis abends leer zapfen).

 

Die weitere Überlegung ist, ob wir vielleicht die Heizung erneuern, weil das Gerät mit seiner Leistung anscheinend überdimensioniert ist. Die Heizlast aus den 70er Jahren deckt sich nicht mehr mit der heute benötigten Heizlast (so meine Vermutung). Die Außenhülle besteht aus 24 cm Bimsstein mit zusätzlicher Dämmung in den 80er Jahren Plus Klinker. Das OG und Dach wurden im letzten Jahr saniert. Unter der alten Dacheindeckung befand sich nur 2 cm Styropor und Streckmetall mit Putz. Jetzt befindet sich nach 180 mm Holzfaserdämmung zwischen den Sparren, von Außen eine Delta Maxi Folie und von innen eine komplette diffusionsoffene Dampfbremsbahn. 

 

Für das laufende Jahr habe ich buchhalterisch den Gasverbrauch ab 01.01.2022 bis jetzt dokumentiert. Vielleicht gibt das ggf. Hinweise auf den Verbrauch und mögliche Fehler.

 

Verbrauch:

Jan 411m3

Feb 329m3

Mär 272m3

Apr 160m3 (Apr und Mai wurden im April abgelesen mit 320m3)

Mai 160m3

Jun 61m3

Jul 62m3

Aug 38m3 (hier hatte ich mal die ZKP für 14 Tage abgeschaltet)

Gesamt: 1455m3 (Hochgerechnet auf das Jahr 1455 : 8 x 12 = 2182,5m3 (würde dem Verbruch vom Vorjahr entsprechen. Allerdings kann ich nicht Genaus sagen wie viel Verbrauch in den Monaten Sep, Okt, Nov und Dez ansteht. 

 

Im Erdgeschoss steht für zwei Räume noch eine Erneuerung der Heizkörper an, weil die Fensternischen zugemauert werden (die Thermostate sind verdeckt und die Heizung wärmt an der Stelle auch ordentlich die Außenwände. 

 

Wir haben im OG bei der Renovierung in den 16m2 großen Kinderzimmern je 1 Kermi Profil Vplus 22/600/1400 verbaut. Im Elternschlafzimmer im OG auch 16m2 ist ein 

Kermi Profil Ventil links 22/600/1000 verbaut und der Raum auch ausreichend mit Wärme versorgt (meine Frau ist Kälteempfindlich;.).

 

Die Überlegung ist nun, dass beim renovieren und austauschen der 2 HK im UG, wir die 1400 Kermi verbauen und in die beiden Kinderzimmer je einen Kermi 22/600/1000 verbauen.

 

Welche Daten, Zeitprogramme und Codierungen soll ich hier einstellen, damit wir der Sache nochmal auf den Zahn fühlen. Oder sagt Ihr, die Heizung raus, weil zu groß und zu alt. Dagegen spricht im Moment nur das die Heizung fehlerfrei läuft. Und der Verbrauch von 2220m3 auf 160m2 ggf. mit 13,875 nicht so schlecht ist. Sollten wir mit einer neuen und richtig ausgelegten Heizung deutlich einsparen? Ich denke es müsste dann vielleicht eine Heizung mit 19KW sein, damit das Heizen und die Warmwasseraufbereitung (Vitocell 200 L) funktioniert.

 

Einen Fachbetrieb fragen ist derzeit unmöglich, da Termine bin 2023 voll, Und die Erfahrungen der letzten Meisterbetriebe sind eher so: Heizkurve hoch, damit höhere Vorlauftemperatur die HK bollern lässt, eine schnelle Wartung verkaufen (ohne Reinigung des Wärmetauschers) etc.

 

LG Markus

IMG_0441.jpg
227 ANTWORTEN 227

Hallo Phil,

die Pumpenleistung kann ich nicht höher stellen, weil diese schon auf 100% steht. Ich habe hier in dem Forum auch schon Bilder von einer Thermobremse gehen - vielleicht auch eine Variante. 

 

Heute habe ich einen alten Laptop bekommen und Viessdata 2.0 zum laufen bekommen. Mit der Software muss man allerdings vorsichtig sein. Ich hatte versehentlich "Speichern" gedrückt und dann wurden alle Zeitprogramme gelöscht🤔

Welche maximale Leistung soll ich für das Vieh hinterlegen (26 KW)??

Jetzt müsstet ihr mir bitte helfen und sagen, ob der Laptop für 24 Stunden oder ggf. noch länger eingeschaltet bleiben. 

Aufgefallen ist mir gerade aber das die Heizung aus ist - weil noch zu warm draußen - und das Ventil auf "Warmwasser" steht. Die Kesseltemperatur ist doch für Stillstand viel zu hoch, oder?

IMG_2780.jpg

Hi Markus,

 

wer hat gesagt, dass du speichern drücken sollst 😉

 

 

gibt es bei deinem Gerät diesen Parameter

qwert089_0-1665947884621.png

 

Deb würde ich auch heizen stellen.

 

Wie lange lag die letzte WW Bereitung zurück als du das Bild gemacht hast?

 

Die max Leistung zu begrenzen bring idR nichts. Da der Wert beim Start wenn noch nicht moduliert wird nicht greift.

 

Schön wenn das Programm funktioniert

Wenn es die Tage mal wieder kälter wird lass es im ersten Schritt mal einen halben Tag laufen und und zeichne mindestens

-AT

-KesselT

-WW Temp

-Modulation 

 

auf.

 

VG Michael

 

 

Hallo Michael,

das Foto wurde aufgenommen um 20:14 Uhr. Die letzte WW-Aufheizung dürfte so gegen 15:30 Uhr gewesen sein. Dieser Zeitpunkt hat sich bei der aktuellen Spreizung so eingestellt. 

Parameter 66:00 und 66:01 sind nicht vorhanden.

Hallo Michael,

einziger Hinweis ist vielleicht im Anlagenschema zu finden. Je nach Einstellung dort könnte der Parameter 66:00 erscheinen. Bei mir steht der Parameter auf 00:2 

Bildschirmfoto 2022-10-16 um 22.31.17.png

Moin Markus!

 

Mit 00:2 sollte 66 auftauchen wenn er existiert. Bei den neueren Steuerungen gibt es 2 Passwörter, und er taucht nur mit dem 'gehobenen' Passwort auf - ich hab aber in den Unterlagen zu deiner Hzg nix diesbezügliches gefunden...

 

Ich würde die Maximale Heizleistung zumindest bei WW Bereitung runtersetzen, weil die Therme da schon am Anfang bis auf Anschlag hochheizt (zumin bei mir - du wirst es ja jetzt in Viessdata sehen). Grundsätzlich kann es nicht schaden finde ich - ich vermeide bei meinen Fahrzeugen auch Vollgas.

 

Ich lasse Viessdata im Winter teilweise über Monate ununterbrochen laufen. Ist manchmal ganz praktisch, wenn man irgendetwas vergleichen möchte. Da sollte das Laptop aber eins mit niedrigem Stromverbrauch sein, ich nutze ein altes Tablet dafür.

 

Jap, die Bedienung von Viessdata ist in Teilen schon etwas 'gewöhnungsbedürftig'. Auch funktioniert bsw. die Umstellung des Abfrageinterval nicht (bei mir jedenfalls). Im ersten Tab geänderte Werte werden erst bei Verlassen der Textbox geschrieben - da bedarf es auch Ruhe, und man muss den Focus irgendwo hin setzten, wo nix geschrieben wird, sonst geht das immer so weiter... Ich hab immer noch den Plan, das Prg etwas zu überarbeiten. Aber es ist auf jeden Fall ein schönes Tool.

'bewegt' sich eigentlich der Wert des Volumenstroms? er ist ja auf alle Fälle falsch skaliert (15m3/h bei 0% Pumpenleistung... 😂 ). Aber die Kesseltemperatur bei 'Stillstand' ist schon ein ziemlich Eindeutiger Hinweis auf Schwerkraftzirkulation und fette WW Verluste durch den Schornstein...

Hallo Phil,

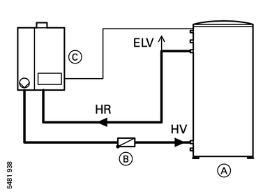
zu der Thematik habe ich drei sehr interessante Artikel gefunden. Das Bestätigt im übrigen auch meine vorherige These, dass gerade im Sommer, wenn die Therme nur auf WW-Aufbereitung steht eine Zirkulation stattfinden kann. Laut Recherche stand das Ventil früher in Ruhestellung auf "Heizen" und wurde dann geändert auf "Warmwasser". Es hat sich wohl Kunden über warme Heizkörper im Sommer gewundert. Warmer Heizköper wäre mir lieber, als unnötiger Gasverbrauch durch wiederholtes aufheizen der Therme. Immerhin ist so ein WW-Speicher eine wirklich fette Thermoskanne. Wenn die ZK-Pumpe ausgeschaltet, oder auf ein Minimum reduziert ist, dann verliert der Speicher auch kaum Kälte. 

 

Ich hatte in meinen vorherigen Beiträgen auch dieses Phänomen beschrieben, weil im Warmwasserbetrieb nach aufheizen des WW-Speichers auch Temperatur im RL zu sehen war. Ich hatte dann wegen Umbau der Heizkörper den VL und RL für eine Zeit geschlossen und keinen Temperaturanstieg vernommen.

 

Das Problem scheint im Winterbetrieb (Warmwasser+Heizung) bedingt zum tragen zu kommen, weil das Ventil dann überwiegend auf "Heizen" steht. Es schaltet nur auf "Warmwasser" wenn der Speicher aufgeheizt wird, oder die Heizung in die Nachtabsenkung 3 Grad mit Abschaltung fährt.

 

Im Sommerbetrieb ist es ein richtiges Problem, weil dann die Wärme des Speichers in den Wärmetauscher geht und von dort über den Schornstein oder RL verloren geht. 

 

Die Heizung wurde damals (2008) nur als Heizung eingebaut. Den Einbau des WW-Speichers haben wir 2013 veranlasst. Nach  Recherche ist es wohl so das beim Einbau einer Heizung ohne WW-Aufbereitung kein Rückschlagventil im Verrohrungsset beiliegt. Verbaut man eine Heizung mit WW-Speicher, dann liegt auch ein Rückschlagventil bei. Rüstet man den WW-Speicher nach, dann bestellt man ein Verrohrungsset mit Rückschlagventil oder presst einen Thermosyphon nach Stand der Technik. 

 

Ich denke das Problem lässt sich gut mit einen Rückschlagventil beheben. Es wäre nur gut, wenn der Hersteller (Ist ja Direktvertrieb) mit mitteilen kann, woher ich dieses Rückschlagventil bekommen. 

 

Liege ich hier richtig mit meiner Vermutung? 

 

https://www.viessmann-community.com/t5/Gas/Vitodens-300-W-Ruhestellung-Umschaltventil/td-p/111849

 

https://www.viessmann-community.com/t5/Gas/Stellung-Umschaltventil-bei-Nachtabsenkung/td-p/46960

 

https://www.heizungsforum.de/threads/vitodens-300-umschaltventil-brauchwasser.7779/

Ist denn der Vitodens im Sommer nach einen halben Tag nie auf Raumtemperatur abgekühlt?

 

Du könntest mit  temporärem code 8A:176 testen. (das bringt sonst versteckte Kodierungen zum Vorschein) ob dann Kodierung 66 dann erscheint.

 

ob der Thermo Siphon funktioniert, wenn der Vitodens so niedrig hängt?

Evtl besser eine Schwerkraftbremse.

 

Vg 

 

Hallo Michael,

 

das ist doch exakt das von mir beschriebene Problem. Der Vitodens hängt in dem Keller für Hobbits einfach zu tief. Ich hatte doch schon auf das Rückschlagventil in der Zeichnung hingewiesen. Die Frage ist nur, woher bekomme ich dieses Ventil. Kann ich Viessmann direkt dazu anschreiben, oder gibt es welche aus dem Zubehör die mit der verbauten Umwälzpumpe von Grundfos funktionieren? 

 

Das mit den versteckten Codierungen ist ein guter Hinweis und werde ich später mal prüfen. 

 

Ich sagte es ja schon, das gute alte Handwerk und seine Meisterbetriebe... Einfach verkaufen und nach mir die Sintflut.... 

Hallo Michael,

 

das könnte vom Grundsatz her passen. Kann Viessmann das nicht beantworten oder mir sagen, welches Rückschlagventil dazu benötigt wird. In der Montageanleitung ist es ja eingezeichnet. Ich kann es von der Förderleistung der Umwälzpumpe nicht ausrechnen. 

An wen kann man sich da wenden? 

wie gesagt - eine reine unbelastete RS-Klappe funktioniert nicht, weil Schwerkraftzirkulation und Pumpenstrom bei HR oben in die gleiche Richtung gehen!

 

Die Werte habe ich ja oben dargestellt. Ein Ventil/Bremse  mit ca. 10mbar Öffnungsdruck wäre meiner Meinung nach ideal - genügend 'Praxisreserve' und nur geringer Pumpenwiderstand.

 

Ein 'Thermosyphon' funktioniert nur gegen Mikrozirkulation innerhalb eines Rohres, nicht gegen einem Schwerkaft-getriebenen Kreislauf!

 

>> Verbaut man eine Heizung mit WW-Speicher, dann liegt auch ein Rückschlagventil bei.

Dann hätten sich das bei mir die Monteure in die Tasche gesteckt (was ich nicht glaube). Bei mir war ein Komplettset mit Therme, Speicher, VitoConnect etc. bestellt gewesen...

 

Okay, wo bekommen ich denn einen Rückflussverhinderer mit einem Öffnungsdruck von 10 mbar her. Bisher konnte ich nur welche mit 20 mbar finden. 

Ich würde 2 Kugelhähne einbauen mit reichlich abstand dazwischen, dann kannst du experimentieren ohne immer das Wasser ganz ablassen zu müssen.

Dann könntest du al erstes einen relativ hohen Thermosyphon dazwischen setzen und dann eine Schwerkraftbremse und dann eine federbelastetste Klappe mit 20 mbar.

 

VG

Hallo Michael,

im Idealfall sollte der erste Versuch sitzen. Thermosyphon werde ich nicht setzen (hattest Du oben auch schon ausgeschlossen. 

So ein Rückschlagventil mit dem richtigen Öffnungsdruck sollte hoffentlich ausreichen, um das Problem zu beheben. Soll ich Euch später mal die Werte der Umwälzpumpe zukommen lassen?

 

_Markus__1-1666010933212.png

 

20 mbar ist auch ok! Das setzt der Pumpe so gut wie nix entgegen, das sind grade mal 20cm Wassersäule. Kannst ja mal die Kennlinie posten...

 

Aber check noch mal den Durchmesser - bei meinem Speicher sind die Anschlüsse 1 Zoll...

Hallo Phil,

das mit 20 mbar beruhigt mich dann ein bisschen, weil diesen Wert die meisten Ventile haben.Die Größe werde ich noch messen. Ich hatte nur ein paar Beispiele im Netz gesucht, dabei aber nicht auf die Größe geachtet.

 

Anbei ein Bild der eingebauten Umwälzpumpe mit den Daten. Und ich habe Viessdata 2.05 aufgespielt. Scheint stabiler als 2.0 zu laufen. Davon ebenfalls ein Screenshot anbei (gleiches Bild wie gestern, Kein Wunder das dem Speicher kühl wird🤔

 

Du könntest mit  temporärem code 8A:176 testen. (das bringt sonst versteckte Kodierungen zum Vorschein) ob dann Kodierung 66 dann erscheint.

=> Codierung 66 erscheint nicht Dauerhaft. Ich sehe die Codierung beim durchblättern, aber beim stoppen springt die Codierung darüber oder darunter.

LG

IMG_2783.jpg
IMG_2784.jpg

Moin Markus!

 

Hier die Kennlinie/n zu der Pumpe VI UPM-15-70 KM. Weil bei WW Bereitung die Schleife sehr kurz ist, dürftest du dich ziemlich weit rechts auf den Linien bewegen. Jetzt kannst du ja mal ein Kästchen vertikal für 25mbar des von dir oben angeführten Ventils ("sehr geringer Öffnungsdruck") betrachten. Das läuft auf ~50 Liter pro Stunde weniger raus... Bei mir sind 60% Pumpenleistung eingestellt (weil mehr nur noch marginalen Unterschied bringt, ist aber evtl eine andere Pumpe), damit kommt es zu knapp 1000 l/h. Da liegst du bei deinen 100% weit drüber, egal ob mit oder ohne Schwerkraftbremse. 🙂

 

HerrP_0-1666078031195.png

 

Hallo,

 

die Pumpenkennlinie steht im Datenblatt für den WB3C.

 

https://static.viessmann.com/resources/technical_documents/DE/de/VDP/5811379VDP00001_1.pdf?#pagemode...

 

VG 

eine Alternative zu deinem 'Fund' wäre noch sowas (auch mit weniger Einbau-Action verbunden)

 

HerrP_0-1666083125861.png

 

die hat aber genauso 20 mbar...

 

HerrP_1-1666083227797.png

 

 

Hallo Phil,

vielen Dank auch für diesen Link. Wo exakt wird denn diese Schwerkraftbremse eingebaut. Ist das für den Anschluss an der Pumpe oder am Speicher-Ausgang?

Frage zu Viesdata: So richtig durchgehend scheint die Anwendung nicht zu laufen. Oder muss ich hier eine Logdatei in Excel hochladen?

LG

die is propagiert für direkt an der Pumpe - aber funktionieren tut sie überall in einem Kreislauf 😉 An der Pumpe hätte sie den Vorteil jegliche Schwerkraftzirkulation zu unterbinden. Aber ich fürchte, das Ding in der Therme einzubauen ist nicht ganz ohne...

 

Wenn man so eine Klappe einbaut, die man nicht 'zwangsöffnen' kann, muss man drauf achten, dass sie nicht das Entlüften behindert. Ich würde sie wahrscheinlich irgendwo unten einbauen, also bei dir eher im Vorlauf.

 

Zur Viessdata 2.05 kann ich nix sagen, weil ich von Anfang an die 2.06 benutzt hatte. Das einzige, was da nicht stabil war, war, dass dauernd irgendwelche Windoofs Updates und Neustarts das Viessdata abgeschossen hatten. Aber mittlerweile ist es mir gelungen, die einigermassen sicher zu unterbinden.

 

Ich weiss nicht, ob deine Therme noch das alte Protokoll fährt, wo (nach einer Pause) immer erstmal ein bestimmtes Zeichen gesendet (und beantwortet?) werden muss, bevor man die eigentliche Anfrage sendet. Ich finde die Kommunikation in Viessdata eh nicht schön programmiert, und das ist auch mein erstes Ansinnen, die mal zu überarbeiten. Ich könnte sie aber mit meiner Therme nur mit der 'neuen' Protokollvariante testen...

 

Bei der 2.06 kann man schön zwischen der aktuellen Woche und einer beliebigen vergangenen hin und her switschen (dauert einen Moment). Insgesamt sollte man bei Viessdata glaubich nicht zu hektisch agieren. Excel geht natürlich auch (nur das sperrt ggf. die csv, und wenn es die aktuelle ist, kann das Probleme geben).

Hallo Phil,

die Probleme beim platzieren direkt an der Pumpe habe ich auch gelesen. Vorlauf macht ja auch am meisten Sinn und ist auch so eingezeichnet. Ich denke ich verbaue sie dann vielleicht quer in der Leitung, wenn das keine Probleme macht, Vielleicht auch mit 2 Absperrhebeln, wie von Michael vorgeschlagen.

_Markus__0-1666118136965.png

 

Viesdata 2.06 werde ich gleich nochmal antasten. Frage dazu: Programm öffnen und warten bis es ausliest, oder muss ich das Auslesen explizit anstoßen? Was ist mit den Werten wie RT, WW-Temperatur, Neigung und Niveau auf der linken Seite. Müssen die selbst eingetragen werden, oder holt sich das Programm die Daten ebenfalls? Ich habe sie bisher von Hand eingegeben.

Der Vorteil an dieser 'Plättchen-Klappe' ist ja, dass du garnix gross 'einbauen' musst, sondern sie praktisch 'statt Dichtung' in eine Flanschverschraubung steckst, z.B. am Speicher.

 

Das Auslesen mit dem blauen Start Knopf (Dreieck nach rechts) anstossen/starten. Immer etwas Geduld haben. Eigentlich wird alles ausgelesen und angezeigt. Eventuell noch mal diesen Knopf links "nochmal alle DP lesen" drücken (und wieder abwarten...). Wenn dann immer noch was fehlt, musst du evtl mal die Datenpunkte anpassen.

Brennwert und Zustandszahl sind bei mir etwas seltsam skaliert... Kessel- und Abgastemperatur erscheinen mir auch ein paar Grad zu hoch. Rücklauftemperatur ist eh nur irgendwas Errechnetes. Die Speichertemperatur ist auf 2/3 Höhe gemessen, etwas wärmer kommt es schon noch aus dem Hahn, aber es ist eben Nacht und das Speicherwasser gewollt nicht mehr so heiss...

 

HerrP_0-1666129376741.png

HerrP_0-1666131741006.png

etwa 4 kWh/d @ 2 Personen -> "Wirkungsgrad" immer noch unter aller **bleep**...

 

Hallo Phil,

mit der Software stehe ich schon jetzt auf Kriegsfuß. Sie macht nicht das, was sie eigentlich machen soll. Ein Laptop steht 24/7 bereit und die Werte werden kurz ausgelesen, aber ein richtiges Diagram kann ich nicht erkennen. Warum ist das so.

Heruntergeladen habe ich Viessdata 2.06.zip

Wenn sich nichts auswerten lässt, dann macht es ja kaum Sinn. 

Top-Lösungsautoren