abbrechen
Suchergebnisse werden angezeigt für 
Anzeigen  nur  | Stattdessen suchen nach 
Meintest du: 
Beantwortet! Gehe zur Lösung.

Erweiterung Vitodens 200 um Mischerkreis

Hallo zusammen,

 

ich habe ein Problem und suche nach Hilfe. Meine Vitodens 200 wurde beim Vorbesitzer meines Hauses mit „normalen“ Heizkörpern betrieben. Nun habe ich das gesamte Haus auf Fußbodenheizung umrüsten lassen. Ein Heizungsbauer hat die Heizkreisverteiler mittels hydraulischer Weiche und separater Pumpenstation angebunden. Fotos füge ich bei.

 

Jetzt kommt das Problem: 

Der Heizungsbauer hat die Therme nicht mit der Pumpenstation verbunden, da ihm ein „Modul“ fehlt. Mit dieser Aussage hat er die Anlage verlassen und ist seit 2 Monaten nicht wieder aufgetaucht und ist nicht mehr erreichbar.

 

Es geht also darum, dass die Heiztherme in die Lage versetzt wird, die neue Pumpensration anzusprechen und zu steuern.

 

Welches Modul brauche ich dafür?

 

Danke für die Hilfe vorab!

 

 

IMG_4398.jpeg
9A233CA1-62C1-46BE-AB22-E27A324D3286.jpeg
1 AKZEPTIERTE LÖSUNG

Akzeptierte Lösungen

Hallo @Endi19 

 

Wenn Sie SA 06 zu niedrig begrenzen, kommt es zu Problemen bei der Warmwasserbereitung.

 

VG

Lösung in ursprünglichem Beitrag anzeigen

41 ANTWORTEN 41

Hersteller Nr. ist: 7186846605733107

Ich gehe mal stark davon aus, dass der HB eine Erweiterung meint, damit das Mischermodul angefahren werden kann. Das müsste diese hier sein: ZK02941

Wird dann per Bus von der Therme gesteuert.  In der Codierung muss dann noch mind. eine Adresse umgestellt werden, das weiss der HB aber sicherlich. Oder weiss zumindest, wo er es nachlesen muss.

 

Warum der HB allerdings seine Tätigkeit eingestellt hat, kann ich nicht sagen. Ist kein gutes Geschäftsgebahren. Zumal einem Weiterbau nichts im Wege steht. Die Erweiterung kann auch im Nachhinein angeschlossen werden.

Hoffentlich macht der HB überhaupt noch was.

Herzlichen Dank für die Antwort, ich muss da aber nochmals nachfragen (sorry!).

Der HB sprach von einem internen Modul, welcher er in seinem Lager nicht mehr findet und es daher nicht einbauen kann. Ist jetzt seit Monaten so und ich glaube nicht, dass er es noch findet. Neu bestellen will er nicht, da es ja da sein muss....

 

Gibt es auch ein internes Modul, was das kann oder bleibt nur die teure externe Erweiterung?

Die internen Erweiterungen funktionieren nicht für diesen Zweck ,weil kein Mischer angeschlossen werden kann.

 

Guten Morgen, 

mein HB hat jetzt den Erweiterungssatz 7178996 montiert.

Leider bekommt er das Teil nicht zum Laufen und ich brauche dringend Hilfe.

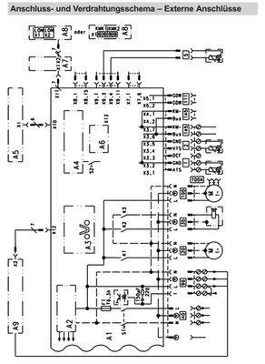
Im Erweiterungssatz steht, dass dieser an der Steuerung an X5 anzukleben sei, meine Steuerung hat aber nur X3. Da wurde das jetzt angeschlossen.

Die Steuerung geht auf Störung. Codierung ist 00:4 und FE:1.

Im Erweiterungsmodul blinkt eine LED grün.

Der Mischer wird nicht bewegt.

Der Erweiterungsmodul funktioniert nur, wenn der Vorlauftemperaturfühler ab ist.

 

Der HB hat nach 6 Stunden aufgegeben (er kennt sich mit Viessmann nicht gut aus, Hotline war kein durchkommen).

 

Was mache ich falsch? Danke für Hilfe!!

 

IMG_4518.jpegIMG_4514.jpeg

Hallo @Endi19 

 

Hier fehlt der VL-Sensor des Mischkreises.

Und die DIP-Schalter in der Erweiterung müssen entsprechend eingestellt werden.

IMG_4518.jpeg

Der angeschlossene Sensor erfasst nicht die richtige Temperatur, daher sollte dieser Teil des Rohrs, in dem der VL-Sensor installiert ist, aus Metall bestehen.

 

9A233CA1-62C1-46BE-AB22-E27A324D3286.jpeg

Im Anhang finden Sie eine Anleitung zur Montage der Erweiterung.

Schließen Sie die KM-Bus 145-Verlängerung an X3.6 und X3.7 am Heizkessel an.

VG

Herzlichen Dank für die wertvollen Tipps.

 

Die Heizung spricht die Regelung jetzt an, aber nach einiger Zeit geht es nicht mehr. Die Zusatzregelung ist dann aus und "wacht" nicht mehr auf. Wenn ich Heizung und Erweiterung ausschalte, funktioniert es wieder. Aber das ist ja keine Lösung. Es wirkt auf mich als wenn das System die Kommunikation verliert.

 

Der VL-Sensor ist installiert. Die DIP-Schalter habe ich eingestellt, Fotos füge ich bei, entspricht aber m.E: der Anleitung. Ich hatte gedacht, dass 2E auf 1 springen würde. Macht es aber nicht. 

Darf ich nochmals um Unterstützung bitten?

 

 

IMG_4540.jpeg
IMG_4521.jpeg

Hallo @Endi19 

 

Der Anlagenschaltplan ist 00:04 richtig eingestellt, die Codieradresse 2E hat nichts mit der Mischerzweigerweiterung zu tun, sondern ist für die externe Erweiterung H1 oder H2 vorgesehen.

Es sollte 2E:0 sein.

Wie ich bereits geschrieben habe, erkennt der VL M2-Sensor nicht die richtige Temperatur am installierten Rohr.
Legen Sie andere Kodierungen wie folgt fest:
52:1
(In der Hydraulischen Weiche muss ein Sensor eingebaut sein)
9F:0,
Für Heizkreis M2
A7:0,
A8:1,
A9:0,
C6: maximale Temperatur VL M2
(Stellen Sie 40-45 Grad ein)
So wird die Heizkurve für M2 eingestellt
d3:?
d4:?

Wurde die Funktion des Motorantriebs des M2-Zweig-Mischventils (Öffnen, Schließen) im Relaistest überprüft?

 

2024-09-23 20_03_45-5681575VSA00001_1.pdf – Google Chrome.png

VG

In der hydraulischen Weiche ist kein Sensor verbaut. Kann das das Problem sein?

 
image.jpg

Das wird das Problem sein. Die Anlage muss doch wissen,welche Temp.die Weiche hat.

Die CA 51 wird mir auch nicht angezeigt.

A7:0

A8:1

A9 war 7 - jetzt auf 0

c6: 40

 

der Mischermotor fährt, jetzt auch richtig (HB hatte die Leitungen vertauscht).

 

Das Hauptproblem ist, dass der Mischer Kreis erst läuft und dann nach einer gewissen Zeit ausgeht.

Ich hab wirklich keine Ahnung, daher bitte meine Frage nicht unfreundlich verstehen.

Alles läuft ja erst und es gibt keinen Fehler.

 

ich hätte gedacht, dass über den VL-Fühler ja die Temp gemessen wird, die in die FBH geht und dann entsprechend nachgesteuert wird durch den Mischer.

 

oder denke zu blöd/ einfach?

Relaistest gemacht - alles ok

Hallo @Endi19 

 

Für den korrekten Betrieb des Systems benötigen Sie den Vorlauftemperatursensor hydraulische Weiche.

 

2024-09-23 20_14_34-5681575VSA00001_1.pdf – Google Chrome.png

2024-09-23 20_15_06-5681575VSA00001_1.pdf – Google Chrome.png

Die Sensorhülse ist auf dem Foto nicht sichtbar.

Der Sensor muss NTC 10 kOhm sein.

VG

Entschuldigung, wenn ich noch mal nachfrage: kann ich diesen Vorlauffühler selbst in die hydraulische weiche rein schieben oder muss man dafür größere Aufwände betreiben?

Hallo @Endi19 

 

Da keine Sensorhülse vorhanden ist, können Sie den Sensor an der markierten Stelle installieren, indem Sie ihn nach dem Entfernen der Isolierung auf das Gehäuse kleben (Alu-Klebeband). Und die Isolierung wieder anbringen.

 

image (2).jpg

VG

Hallo @Endi19 

 

Vielleicht gibt es eine Sensorspule.

 

2024-09-23 20_50_28-Katalog MIK MARING.pdf – Google Chrome.png

 VG

Guten Abend, den Temperaturfühler habe ich installiert und in der weiche platziert. CA 52 zeigt 1 an.

Nach circa 5-10 Minuten Betrieb schaltet die Pumpengruppe aus. Der Mischer fährt in Position geschlossen.

Unverändert schaltet sie nicht wieder ein.

Im Infomenü sehe ich VL Temp 42 und VL Temp gemessen 46. VL Max ist auf 50 codiert.

 

ich bin am Verzweifeln!

Hallo @Endi19 

 

Wenn SA C6:40 ist, ist VL FBH auf 40 Grad begrenzt.
Verschiebe SA 9F von 8 auf 0.
Senken Sie die Heizkurve.

 

VG

Für Ihre schnellen und immer guten Antworten möchte ich mich ganz herzlich bedanken!
Ich habe die Einstellungen wie von Ihnen vorgeschlagen gemacht und warte jetzt das Ergebnis ab.

Macht es Sinn, die maximale Kesseltemperatur zu begrenzen? War bislang auf 70°, macht ja eigentlich keinen Sinn, oder?

Hallo @Endi19 

 

Wenn Sie SA 06 zu niedrig begrenzen, kommt es zu Problemen bei der Warmwasserbereitung.

 

VG

Die FBH ist wieder aus.

es wirkt so, als würde das Heizgerät die Erweiterung nicht mehr erreichen

Guten Morgen, auch heute Morgen funktioniert der Kreislauf für die Fußbodenheizung nicht. Der Mischer ist zu, die Pumpe aus.
Außentemperatur, 17°, eingestellte Raumtemperatur am Heizgerät 25°.

wenn ich die Heizung ausschalte und wieder einschalte, läuft die Pumpengruppe.

 

 

 

 

IMG_4551.jpeg
IMG_4552.jpeg
Top-Lösungsautoren