abbrechen
Suchergebnisse werden angezeigt für 
Anzeigen  nur  | Stattdessen suchen nach 
Meintest du: 

Re: Vitovalor PT2 Heizleistung nach Serviceeinsatz zu gering.

Hallo Patrick,

ja die Heizleitung ist schlecht.

Die Fußbodenheizung im EG funktioniert aus meiner Sicht eher, da stimmen auch die Vor-/Rücklauftemperaturen und das Delta 5° bis 7°.

Bei den Radiatoren im OG bekomme ich keine Vorlauftemperaturen hin. Ich habe auch schon deutlich mit den Heizkennlinien gespielt, geändert hat sich aber nichts wirklich. Ich fahre jetzt wieder die Kennlinien, welche ich 15 Jahre mit meiner Eurola genutzt habe.

Im reinen Betrieb der BZ kommt die Vorlauftemperatur an der hydr. Weiche nicht über circa 30 Grad.

Im Betrieb mit Brenner komme ich real so auf 35°, was für die Heizkörper zu wenig ist. Entsprechend gering ist auch das Delta zw. Vor- und Rücklauftemperaturen.

Auch eine erhöhte Wärmeabnahme habe ich bereits versucht, das ändert an der Leistung der Heizkörper nichts.

Was mich aber wundert, in der App im Gerätestatus wird eine Vorlauftemperatur bei den Heizkörpern von 47° angezeigt, was ja völlig okay wäre, an den Thermometern an der hydr. Weiche sind es aber real nur circa 35°. 

 

Das kann doch alles nicht normal sein???

 

Die Familie meckert mittlerweile, da da OG immer lau ist.

 

LG,

   Huebrator

 

Achso, sollten wir mein Thema hier mal etwas verschieben, weil es ja mit der Autarkie nichts wirklich zu tun hat?

13 ANTWORTEN 13

Hallo huebrator, 

 

ich habe den Beitrag mal verschoben, ist ansonsten ein zu großes Durcheinander. 


Ich will nicht ausschließen, dass es mit dem Serviceeinsatz in Verbindung steht, allerdings geht meine Vermutung eher in die Richtung, dass die Wärmeverteilung über die Heizkreis nicht aufeinander abgestimmt ist.


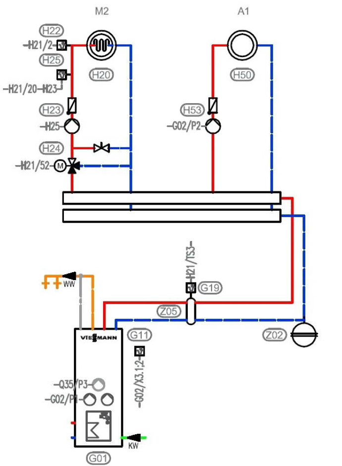
Deine Anlage ist nach dem unten angefügten Schema aufgebaut. Der Volumenstrom im Heizkreis M2 wird vermutlich zu hoch sein, um Heizkreis A1 mit ausreichender Wärmemenge zu versorgen. Man sollte versuchen den M2 über die Ventile oder Drehzahl der Pumpe etwas zu drossel und die Drehzahl in A1 etwas anheben.
Je nachdem welche Pumpen vorhanden sind kann dies direkt an der Pumpe eingestellt werden. 


Würdest du M2 komplett abstellen, wäre die Leistung für A1 mehr als ausreichend. Dies würde die Vermutung bestätigen, dass die Wärmeverteilung der Heizkreis nicht aufeinander abgestimmt ist. Ein hydraulischer Abgleich der Heizflächen sollte ebenfalls durchgeführt werden. 

Bezüglich der Temperaturen in der App kann dir für Heizkreis 1 (A1) keine direkte Vorlauftemperatur angezeigt werden. Es ist ja kein Vorlauftemperatursensor wie in Heizkreis 2 (M2) vorhanden. Dir wird eine gemeinsame Vorlauftemperatur, die Temperatur der hydraulischen Weiche (wird für Heizkreis 1 angezeigt) und Vorlauftemperatur Heizkreis 2 (M2) angezeigt. 

 

Man kann auch nicht davon ausgehen, dass das Gebäude mit neuem Wärmeerzeuger jetzt mit einer geringeren Heizkennlinie beheizt wird. Das Gebäude hat schließlich immer noch den gleichen Wärmebedarf. 

 

Patrick_Zarges_0-1637921683114.png

 

Viele Grüße
Patrick vom Customer-Care-Team

Berechnen Sie Ihre persönlichen Einsparmöglichkeiten mit einer individuellen Energielösung von Viessmann – inklusive erstem Preisvorschlag & individueller Erstberatung.
Jetzt System konfigurieren

Hallo Patrick,

ich habe die alte Eurola mindestens 15 Jahre im Haus mit folgenden Heizkennlinien betrieben, das hat auch so immer gut funktioniert: Fußbodenheizung EG Niveau 0/Neigung 0,5/Max. 45° und Radiatoren OG1 + OG2 Niveau 0/Neigung 0,8/Max. 75°.

 

Geringere Heizkennlinien habe ich mit der neuen Heizung nie probiert, macht ja eigentlich auch keinen Sinn.

 

Ich habe jetzt in dieser Woche nochmals verschiedene Einstellungen mit Heizkennlinien getestet, diese dann immer so für 1,5 Tage "einschwingen" lassen.

 

Von dir bezeichnet mit M2 ist die Fußbodenheizung, die eigentlich funktioniert. Die Pumpe Cosmo CPH 2.0 läuft auf kleiner Stufe im Konstantdruck, weniger geht da nicht.

 

A1 sind die Radiatoren, die Pumpe ist eine Grundfos Alpha 2, welche in der AutoAdapt-Funktion läuft. Die zieht dann auch mehr elektrische Leistung, wenn die Abnahme höher ist (z.B. Thermostate auf). 

 

Was ich aber beobachtet habe, wo meiner Meinung auch die Ursache zu suchen ist, im Display der Heizung und auch in der App wird für A1 immer eine deutlich höhere Vorlauftemperatur angezeigt - und wohl auch verarbeitet  - als real im analogen Thermometer des A1 an der hydraulischen Weiche ankommt. In der Regel bin ich im analogen Thermometer immer circa 10 K unter dem Wert in der Anlage/App. Damit reicht real die Vorlauftemperatur nicht aus, um die Radiatoren sinnvoll zu betreiben. Zum Betreiben der Radiatoren muss ich aktuell daher mit einer deutlich höheren Kennlinie fahren, um den "Fehler" zwischen der in der Anlage angezeigten Vorlauftemperatur und der realen Vorlauftemperatur zu überbrücken. 

 

Bei der Fußbodenheizung stimmen die Werte in der Anlage, in der App und an der hydraulischen Weiche überein.   

 

Und nun zur Frage:

Warum unterscheidet sich für A1 die in der Anlage/App angezeigte Vorlauftemperatur von der real am analogen Thermometer an der hydraulischen Weiche angezeigten Vorlauftemperatur?    

 

Anbei ein paar Bilder vom beschriebenen Verhalten/Fehler.

IMG_5820.jpeg
IMG_5821.jpeg
IMG_5818.jpeg
IMG_5819.jpeg

Dies hatte ich oben beschrieben. Der Heizkreis "Heizkörper" (A1) zeigt die Temperatur der hydraulischen Weiche an. 

Der eigentliche Heizkreis A1 hat aber keinen Temperatursensor. Die im Display angezeigte Temperatur ist die Temperatur der hydraulischen Weiche. 

 

Eigentlich müsste es mit "Temperatur hydraulischer Weiche" und nicht mit "Heizkörper" beschriftet werden. 

 

Ich sehe das Problem also in der Wärmeverteilung zwischen den beiden Heizkreisen und nicht am Gerät. Der Kessel lieferte an den Sensoren die Temperatur, die anhand der Einstellungen der Heizkennlinie berechnet wurden. 

Aufgabe des Heizungsfachbetrieb ist es hier die Wärmeverteilung beider Heizkreise aufeinander abzustimmen. 

 

 

 

Viele Grüße
Patrick vom Customer-Care-Team

Berechnen Sie Ihre persönlichen Einsparmöglichkeiten mit einer individuellen Energielösung von Viessmann – inklusive erstem Preisvorschlag & individueller Erstberatung.
Jetzt System konfigurieren

Hallo Patrick,

schön, dass du dir für mein Anliegen wieder Zeit genommen hast, wobei ich mit den Rückmeldungen absolut nicht zufrieden bin.

 

Ich habe jetzt den von dir beschriebenen Test mit Abstellen der M2 durchgeführt, das Ergebnis ist das Gleiche.

Folgende Vorgehensweise: 

1. M2 inklusive der Frostüberwachung komplett abgestellt, siehe Bild vom Mischer mit ausgeschalter Pumpe.

2. Die Raumtemperatur im A1 um 2 Grad auf 24 erhöht, damit die Vorlauftemperatur bei den aktuellen Außentemperaturen über 50 Grad hochgehen muss und auch richtig Wärmeanforderung erzeugt wird.

3. Zusätzlich die Thermostatventile im A1 voll auf, um auch hier genügend Wärmeabnahme zu erzeugen.

 

Ergebnis:

1. Die sogenannte Vorlauftemperatur der Heizkörper (A1) entspricht mit 51Grad im Display der Anforderung auch über die Definition in der Heizkennlinie.  

2. Die Vorlauftemperatur vom Wärmeerzeuger ist aber nur bei 45 Grad, siehe Bild vom Display.

3. Die reale Vorlauftemperatur im Heizkreis A1 ist weiterhin mau und nur bei 45 Grad.

4. Das Delta zwischen der realen Temperatur am analogen Thermometer (A1 an hydr. Weiche) und den Werten im Display (womit ja die Heizung arbeitet) ist immer zwischen 6 und 8 K.

 

Als Schlussfolgerung hat die zu geringe Vorlauftemperatur nichts mit der Verteilung zwischen A1 und M2 zu tun, da M2 hier nicht im Betrieb war.

 

Ich bin weiterhin überzeugt, dass hier in der Anlagenregelung etwas nicht stimmt und bitte nun endlich um einen entsprechende Lösungsvorschlag!

 

Ich wiederhole auch gerne nochmals meine Frage von Post davor:

Warum unterscheidet sich für A1 die in der Anlage/App angezeigte Vorlauftemperatur von der real am analogen Thermometer an der hydraulischen Weiche angezeigten Vorlauftemperatur?  

 

 

Vielen Dank,

     Huebrator

 

 

   

 

 

 

 

 

IMG_5850.jpeg
IMG_5851.jpeg

OK danke für die Rückmeldung. Im Umkehrschluss würde dies bedeuten, dass der Volumenstrom auf der Seite der Heizkreise (Sekundärseite) höher ist als der auf der Seite des Wärmeerzeugers (Primärseite). In der Weiche kann sich hierdurch der Zustand einstellen, dass zu viel kaltes Wasser aus dem Rücklauf mit in den Heizkreis beigemischt wird. Der Vorlauf zwischen der Weiche, hin zu den Pumpensationen, würde dadurch abkühlen. Ist zumindest meine Theorie....man müsste also etwas rumprobiere und testen wie sich die Gegebenheiten ändern, wenn man gewisse Parameter verändert. 

 

Prüfe bitte wie folgende Parameter an der Regelung eingestellt sind: 

 

Patrick_Zarges_0-1638892922052.pngIch schlage vor, dass dieser Wert Stück für Stück etwas angehoben wird. Prüfe dann noch mal ob sich die Temperatur am Thermometer des Heizkreis A1 anhebt. 

Im Idealfall einmal mit abgeschaltetem und im Anschluss mit eingeschaltetem Heizkreis M2. 

 

 

 

 

Patrick_Zarges_1-1638892987781.png

Dieser Wert steht im Auslieferungszustand auf 8 Kelvin. Bedeutet der Kessel fährt noch mal 8 Grad höher als die eigentliche gemeinsame Anforderungstemperatur, die sich aus der Heizkennlinie ergibt. 

 

 


 

 

 

Viele Grüße
Patrick vom Customer-Care-Team

Berechnen Sie Ihre persönlichen Einsparmöglichkeiten mit einer individuellen Energielösung von Viessmann – inklusive erstem Preisvorschlag & individueller Erstberatung.
Jetzt System konfigurieren

Hallo Patrick,

hier die beiden Werte:

1. 1100.2 ist bei 55 %

2. 934.5 ist bei 2 K

 

 

IMG_5853.jpeg
IMG_5854.jpeg

Stell den Wert 934.5 auf 8 K

 

Bei der Adresse 1100.2 kannst du den Wert schrittweise um 5% erhöhen. Prüfe dann, ob sich eine Änderung einstellt. 

Im Idealfall einmal mit abgeschaltetem und im Anschluss mit eingeschaltetem Heizkreis M2. 

 

Viele Grüße
Patrick vom Customer-Care-Team

Berechnen Sie Ihre persönlichen Einsparmöglichkeiten mit einer individuellen Energielösung von Viessmann – inklusive erstem Preisvorschlag & individueller Erstberatung.
Jetzt System konfigurieren

Hallo Patrick,

ich habe die Adresse 1100.2 jetzt Schrittweise bis auf 70 % erhöht. Die Vorlauftemperatur im A1 ist jetzt schon höher und die Abweichung gegenüber der Solltemperatur deutlich geringer. 

 

Was ist mit der von dir angesprochenen Adresse 934.5, sind die 2 K so richtig? 

 

Was ich aber jetzt beobachtet habe, sind kräftigen Ladegeräusche oder so, welche im Haus zu hören sind. Diese kommen mehrmals am Tag vor. Kann sein, dass ich Spinne, habe aber diese Geräusche so vorher nicht objektiv wahrgenommen.

 

Des weiteren ist das Wandmodul vom Erweiterungssatz für den Mischer die ganze Zeit am Schalten. Soll das so sein?  

 

Sollte oder besser kann ich dir meine komplette Systemeinstellungen zusenden, um die einmal drüber zu schauen? 

 

Vielen Dank,

   Huebrator

Durch das erhöhen der Codieradresse 1100.2 stellt sich ein höherer Volumenstrom ein. Hierdurch kann es an den Heizkörperventilen zu Fließgeräuschen kommen. 

Die Voreinstellung der Ventile kann in dem Fall etwas größer eingestellt werden. 

 

Die 2 Kelvin der Codieradresse 934.5 sind eine Sollwerterhöhung, damit der Mischer für Heizkreis M2 besser seine Temperaturen ausregeln kann. Aus der gemeinsamen Vorlauftemperatur, die aus beiden Heizkreisen ermittelt wird, werden die 2 Kelvin aufaddiert. Du könntest diese auf 8 Kelvin anheben. Evtl. bekommt Heizkreis A1 hierdurch eine etwas höhere Vorlauftemperatur ab. In dem Fall könnte 1100.2 wieder etwas reduziert werden. 

 

Die Schaltgeräusche kommen von dem Relais für die Mischeransteuerung. Möglich, dass durch erhöhen von 934.5, das Schaltspiel geringer ausfällt und der Mischer besser ausregeln kann. 

 

Die kompletten Systemeinstellungen helfen hier erstmal nicht weiter. Die von mir genannten Parameter sind die Punkte, auf die erstmal eingegangen werden muss. 

 

Viele Grüße
Patrick vom Customer-Care-Team

Berechnen Sie Ihre persönlichen Einsparmöglichkeiten mit einer individuellen Energielösung von Viessmann – inklusive erstem Preisvorschlag & individueller Erstberatung.
Jetzt System konfigurieren

Hallo Patrick,

diese Ladegeräusche, welche ich erwähnt habe, sind nun leider klar.

Die Anlage ging heute Morgen auf einen Komplettausfall, Fehler F.142 "Kommunikationsfehler Gebläseeinheit" .

Ich denke daraus resultieren dann auch die weiteren Fehler F.141 und F.142.

 

Die Geräusche, welche ich die letzten Tage beobachtet habe, waren dann sozusagen jeweils ein kurzzeitiger Lauf vom Gebläse auf Volllast. 

 

Nun ist der Komplettausfall einer neuen Heizung bei  -7° C nicht mehr lustig, das hat meine Eurola in den ganzen 24 Jahren nicht geschafft.

 

Nach 5 Monaten Vitovalor ist das Resümee relativ ernüchternd:

1. Eine Anlage, welche bei den angepriesenen Kommunikationsmöglichkeiten immer noch Softwarefehler besitzt, Werte verschwinden und kommen irgendwann wieder. 

2. Eine Anlage, welche  - mindestens in meiner Auslegung  - die Temperaturen im A1 Heizkreis nicht autark nach der dafür eingestellten Heizkennlinie steuern kann und im Display bewusst falsche Werte anzeigt. Dadurch entweder die Heizleistung im A1 schlecht ist oder unter Inkaufnahme eines höheren Gasverbrauches mittels höherer Heizkennlinie übersteuert werden muss.  

 

Nun kann ich 9 Uhr den Heizi anrufen, mal sehen, we es dann weitergeht. Nicht so gute Aussuchten fürs Weihnachtsfest.

 

 

IMG_5878.jpeg

Kleine Korrektur, die Folgefehler sind F.341 und F.342!

Hallo huebrator, 

 

das tut mir leid, dafür habe ich dann auch keine Worte mehr. Dein Fachbetrieb hat die Störung bereits weitergeleitet. 
Ich habe die Zuständigen darüber informiert, dass es sich um eine Kaltanlage handelt und schnellstmöglich ein Techniker vorbeikommen muss.  

Viele Grüße
Patrick vom Customer-Care-Team

Berechnen Sie Ihre persönlichen Einsparmöglichkeiten mit einer individuellen Energielösung von Viessmann – inklusive erstem Preisvorschlag & individueller Erstberatung.
Jetzt System konfigurieren

Hallo Patrick,

gesundes Neues wünsche ich euch. 🙂

 

Kurzes Update zur Anlage:

Der Techniker war am 23. vor Ort und hat alles inkl. der Leitungen und Stecker etc. überprüft.

Gefunden wurde direkt nichts, wahrscheinlich hat sich die Anlage irgendwie "verschluckt".

Mit besserer Einweisung und einer besseren Dokumentation bzw. Anleitung für den Anlagenbetreiber, hätte ich ggf. die Heizung sofort selbst wieder in Betrieb nehmen können.    

 

Die Einstellungen, welche ich moniert hatte, wurden auch geprüft, ggf. korrigiert und erläutert, so das dieses Thema jetzt wahrscheinlich abgeschlossen ist.

 

Dem Techniker vor Ort nochmals ein fettes Lob, besser hätte man das meiner Meinung für mich nicht machen können.

 

Jetzt hoffe ich, dass das "Verschlucken" eine einmalige Angelegenheit war und es bleiben nur noch die ominösen Autarkiewerte als eventueller Kritikpunkt übrig. 

 

Liebe Grüße,

          Huebrator

  

Top-Lösungsautoren